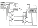
• 昌暉信號隔離器在水電站自動化系統中的應用

    南京南瑞集團公司采用信號隔離器對水電站自動化控制、監測子系統的非電量模擬量傳感器供電和信號隔離器采集,有效地解決了相關模擬量傳感器供電電源安全、穩定和相對獨立,保證了控制、監測子系統屏內電源模塊和模擬量采集模塊的運行安全,避免了可能會造成的模板擊穿或燒毀概…

    2016/11/20 13:47:45 人評論 次瀏覽
  • 二等標準熱電偶使用注意事項和處理措施

    李洪衛等通過分析影響二等標準熱電偶熱電特性和使用壽命的因素,總結了二等標準熱電偶使用中應注意的事項和處理措施13條,供廣大計量工作人員借鑒和參考

    2016/11/20 11:27:01 人評論 次瀏覽
  • 壓力變送器|差壓式流量計|電磁流量計|轉子流量計常見故障解決辦法

    一種故障,多種解決方法,舉一反三,系統學習,牢牢掌握!本文重點介紹常見的壓力變送器、智能壓力變送器、差壓式流量計、電磁流量計、轉子流量計的常見故障及分析處理方法,值得收藏!

    2016/11/18 20:58:11 人評論 次瀏覽
  • 陳國壽:儀器儀表抗干擾措施【論文】

    在實際工作中,對儀器儀表造成干擾的因素有很多,例如無關的電壓或電流信號、儀器儀表工作空間內的電磁干擾等等,而這會致使儀器儀表無法正常工作。鑒于此,我們有必要加強對儀器儀表抗干擾措施的研究和應用工作,根據具體儀器儀表的工作原理及其受到外界干擾的作用機理,制定…

    2016/11/18 16:08:45 人評論 次瀏覽
  • 如何區分兩線制4-20mA和四線制4-20mA

    本文介紹兩線制4-20mA和四線制4-20mA信號輸入的接收模塊或兩線制4-20mA和四線制4-20mA信號輸出的儀表區分的辦法

    2016/11/16 14:32:05 人評論 次瀏覽
  • 如何消除汽包差壓式液位計測量誤差?

    本文簡述了差壓式液位計的測量原理,介紹了單室平衡容器測量液位誤差大的形成原因,并給出了汽包差壓式液位計相應的解決方法

    2016/11/15 13:44:37 人評論 次瀏覽
  • 汽輪機DEH系統與汽輪機自啟停介紹

    完整的汽輪機DEH系統由監視系統、調節系統、應力控制系統、保護系統、液壓伺服系統和汽輪機自啟停控制系統組成,昌暉儀表在本文對DEH系統各組成系統功能和汽輪機自啟停控制做科普性介紹

    2016/10/31 14:08:16 人評論 次瀏覽
  • 鍋爐爐膛爆炸原因及防范措施-FSSS系統

    昌暉儀表在本文對鍋爐爐膛爆炸的原因作分析,提出防止鍋爐爐膛爆炸的措施供相關運行人員參考,文章內容也提供了FSSS系統程序的理論基礎和邏輯控制關系,意在拋磚引玉。

    2016/10/25 15:36:03 人評論 次瀏覽
  • 昌暉自動化:CAN總線的結構特點及應用

    CAN是Controller Area Network的縮寫(以下簡稱CAN),是ISO國際標準化的串行通信協議,CAN總線是基于OSI模型的?。本文簡介CAN總線的結構、優點和應用,幫助大家對CAN總線技術有個初步的了解。

    2016/10/23 11:53:10 人評論 次瀏覽
  • 昌暉儀表談Profibus總線的特點和應用

    Profibus總線協議是基于OSI模型的,昌暉儀表在本文介紹Profibus總線?特點、Profibus總線的三個版本?及Profibus總線的應用?,對大家深入了解現場總線技術很有幫助

    2016/10/22 10:06:05 人評論 次瀏覽
  • 昌暉自動化:FF總線與FF總線儀表選用原則

    FF總線和FF總線儀表在我國自動化領域占有一席之地,昌暉儀表介紹FF總線發展、FF總線組成結構、FF儀表選用原則和常見FF總線儀表類型?,對自控從業者快速掌握FF總線知識及產品大有幫助

    2016/10/21 8:24:19 人評論 次瀏覽
  • 昌暉自動化淺談OSI模型

    OSI模型,即開放式通信系統互聯參考模型,是國際標準化組織(ISO)提出的一個試圖使各種計算機在世界范圍內互聯為網絡的標準框架。OSI模型分為物理層、數據鏈路層、網絡層、傳輸層、會話層、表示層和應用層,昌暉儀表在本文對這七個層的作用及工作原理做簡單介紹

    2016/10/21 8:14:04 人評論 次瀏覽
  • 昌暉儀表談現場總線的數據編碼與傳輸

    本文以白話形式介紹現場總線通信的編碼規則與傳輸知識,普及網絡拓撲結構、信號方式、訪問控制方式、傳輸介質等相關通信常識

    2016/10/20 14:25:56 人評論 次瀏覽
  • 昌暉儀表:白話現場總線技術的起源

    現場總線(Fieldbus)有些類似高速公路的概念,它是一個通道,各種數據傳輸的通道,它是一種管理方法的實現,通過各種管理規則來實現數據的高速傳輸?,它主要解決工業現場的智能儀表、控制器、執行機構等現場設備間的數字通信以及這些現場控制設備和高級控制系統之間的信息傳遞…

    2016/10/20 10:22:04 人評論 次瀏覽
  • 順序控制的實現方式及順序控制基本組成

    在《順序控制技術中的常用術語》中對順序控制術語做了介紹,在本文將對順序控制的實現方式、順序控制系統的結構形式、順序控制系統的基本組成和分類做介紹,幫助大家一步一步深入到順序控制的術領域

    2016/10/19 15:45:54 人評論 次瀏覽
  • 順序控制技術中的常用術?語

    在深入學習順序控制技術之前,應先熟悉控制范圍、步序控制、連鎖控制和聯動控制這四個順序控制技術中的常用術語,這非常有助于對順序控制技術的理解和應用。

    2016/10/19 14:20:02 人評論 次瀏覽
  • 宋極群談火電廠順序控制技術的發展歷程

    《過程控制系統基礎與實踐》筆者宋極群結合自己長期在火電廠從事自動化控制系統運行、維修和系統工程項目管理的工作經歷,與大家分享順序控制在火電廠的應用及火電廠順序控制技術的發展歷程

    2016/10/18 18:34:02 人評論 次瀏覽
  • 掌握過程控制基本概念才能理解過程控制技術

    在《宋極群談自動控制與自動控制系統?》介紹了自動控制和自動控制系統的概念,本文增加七個過程控制基本概念的基礎知識,這非常有助于我們對自動化過程控制技術的理解。

    2016/10/18 14:26:27 人評論 次瀏覽
  • 宋極群:自動控制讓未來世界充滿智慧

    本文節選自宋極群《過程控制系統基礎與實踐》一書,通過回顧自動控制的發展歷程和展望自動控制的未來,讓大家真切的感受到存在于我們身邊的自動控制,悄悄融入我們生產的自動控制讓未來世界充滿智慧

    2016/10/17 15:18:59 人評論 次瀏覽
  • 各行業流量計選型要求及流量測量特點

    昌暉儀表對鋼鐵、電力、石油、化工、石油儲運、供水、天然氣、企業能源計量和樓宇行業流量測量的特點和流量計選用要求做科普性介紹,方便各行業客戶正確選用流量計,獲得準確可靠的流量測量

    2016/10/6 15:51:14 人評論 次瀏覽
  • 昌暉儀表:FLUKE數字多用表8808A常見問題解答

    福祿克數字多用表8808A以堅固、可靠、精度、復現性在全球被大家認同,五位半數字多用表8808A用于研發、制造和維修應用中的交直流電壓,交直流電電流、電阻、頻率和導通性測量,文本對數字多用表常見問題進行解答

    2016/9/28 17:27:48 人評論 次瀏覽
  • 接觸器應用篇:實用接觸器選用原則和選用方法

    接觸器在電氣控制中大量運用,昌暉儀表在本文分享接觸器選用原則,結合接觸器應用實例介紹接觸器選用方法,對提高電工技能大有幫助

    2016/9/25 16:17:39 人評論 次瀏覽
  • 黃岑:西門子PLC設備遠程診斷那些事兒

    黃岑通過遠傳診斷西門子PLC設備故障的故事,總結了遠程直接面對機器設備的調試診斷的步驟和經驗和大家分享

    2016/9/23 18:18:30 人評論 次瀏覽
  • 什么是熱電偶穩定性?如何檢測熱電偶穩定性?

    穩定性是衡量熱電偶性能的一個重要指標,?本文介紹熱電偶穩定性概念,分析影響熱電偶穩定性的主要成因,分享檢測熱電偶穩定性的方法和具體要求

    2016/9/22 18:56:42 人評論 次瀏覽
  • 《儀表試題》之壓力測量篇

    儀表試題壓力測量篇主要考核儀表技術人員關于壓力表、壓力變送器、差壓變送器和液位變送器方面的基礎和維護知識點,目的在于提升大家實際工作技能。

    2016/9/17 14:40:29 人評論 次瀏覽
  • 王鵬:套管對水三相點的影響研究

    為了研究套管對水三相點的影響,研制了計阱內徑分別為Φ16mm和Φ18mm的水三相點瓶以及直徑為Φ15.5mm的套管。通過計阱內加套管和不加套管,并利用準確度為0.0210-6的交流比較儀電橋測量二等標準鉑電阻溫度計在計阱內的電阻值,比較不同直徑水三相點瓶內套對水三相點的影響。實…

    2016/9/16 16:16:04 人評論 次瀏覽
  • 趨勢讀定法整定PID參數觀察哪些曲線

    趨勢讀定法整定PID參數到底要觀察哪些曲線呢?對于單回路控制系統我們要收集的曲線有:①設定值、被調量波動曲線、PID輸出曲線;串級調節系統,我們要收集:設定值、被調量波動曲線、主調PID輸出、副調的被調量曲線、PID輸出曲線

    2016/9/10 14:09:39 人評論 次瀏覽
  • 自動調節系統的構成-從入門到精通PID參數整定

    白志剛撰寫的《《自動調節系統解析與PID整定》?》介紹一種PID參數整定方法:趨勢讀定法。趨勢讀定法盡量避免高深的理論和公式,初學者只要了解自動化系統的構成、PID最基本概念?和時間比例積分三要素作用的趨勢圖就可以整定PID參數,趨勢讀定法對PID參數整定初學者和經驗豐富…

    2016/9/10 13:52:24 人評論 次瀏覽
  • 跟廖常初老師學PLC:西門子S7-300系統PLC簡介

    本文節選自廖常初編寫的西門子PLC經典教材《S7-300/400 PLC應用技術》,廖常初從S7-300 PLC的組成部件、系統結構、I/O模塊地址的確定、模塊診斷與過程中斷等幾方面對西門子S7-300系列PLC作簡單介紹

    2016/9/8 0:35:46 人評論 次瀏覽
  • 跟廖常初老師學PLC:西門子S7-200簡介

    本文節選自廖常初編寫的西門子PLC經典教材《S7-300/400 PLC應用技術》,廖常初從S7-200的基本結構、CPU模塊、擴展模塊、通訊能力和編程軟件幾方面對西門子S7-200系列PLC作簡單介紹?。

    2016/9/6 0:29:43 人評論 次瀏覽
  • 熱電偶檢定基礎:熱電偶檢定裝置的構成及使用介紹

    對于熱電偶檢定從業人員來說,首先應熟悉熱電偶檢定裝置的配置及使用方法,昌暉儀表在本文對熱電偶檢定裝置和熱電偶檢定方法做簡單介紹,與大家分享熱電偶檢定裝置使用及檢定過程中的注意事項,全是提高溫度計量人員技能的干貨?。

    2016/9/4 15:17:39 人評論 次瀏覽
  • 計量檢定基礎:熱電阻檢定裝置的構成及使用介紹

    熱電阻檢定裝置是檢定熱電阻的計量設備,本文介紹熱電阻檢定裝置設備構成和使用方法,是計量工作人員入門必讀文章

    2016/8/30 16:30:29 人評論 次瀏覽
  • 火電廠自動調節系統和調節系統考核參數

    火電廠自動調節系統包含汽包水位自動調節系統、主汽壓力自動調節系統、過熱蒸汽溫度自動調節系統、協調控制系統等方面,本文介紹這些系統及系統控制效果考核內容

    2016/8/29 20:08:02 人評論 次瀏覽
  • 輕松搞定熱電偶故障(實用經驗分享)

    常見熱電偶故障現象有無熱電勢輸出、熱電偶熱電勢輸出偏高或偏低和熱電勢輸出不穩定這三方面,昌暉儀表分析導致熱電偶故障的原因,提出具體解決方案

    2016/8/29 0:40:14 人評論 次瀏覽
  • JJG 882-2015壓力變送器檢定規程(節選版)

    JJG 882-2015《壓力變送器檢定規程》適用于壓力變送器的定型鑒定(或樣機試驗)、首次檢定、后續檢定和使用中檢驗,規程明確檢定壓力變送器所需儀器設備、檢定項目及檢定方法

    2016/8/28 19:24:39 人評論 次瀏覽
  • 國投云南大朝山電站機組自動化元件(裝置)的選型及使用介紹

    介紹國投云南大朝山電站機組自動化元件(裝置)的選型及使用情況,供水電自動化控制工程技術人員參考和選用適合水電廠運行需要的自動化儀表設備

    2016/8/28 17:42:38 人評論 次瀏覽
  • 依據《對外承包工程管理條例》規范自動化工程商境外活動

    《對外承包工程管理條例》用于規范中國企業承包境外工程項目的活動,國內企業從事國外自動化工程項目施工也需要遵循本條例

    2016/8/28 17:21:27 人評論 次瀏覽
  • SIS安全儀表系統(ESD緊急停車系統)設計原則

    按照國家安全監管總局文件規定,SIS安全儀表系統設計一般需要遵循可靠性(安全性)、可用性、獨立性、標準認證和故障安全原則

    2016/8/28 17:00:12 人評論 次瀏覽
  • 【火電控制策略】超超臨界機組RB給水流量控制技術

    本文針對1000MW超超臨界機組,對發生輔機故障減負荷時的鍋爐給水控制進行分析,提出了采用前饋+PID的方法對鍋爐給水流量回路進行調節的新型控制策略,給出前饋信號在給水泵投入臺數發生變化時的無擾處理方法、及RB過程給水流量調節的加速實現原理

    2016/8/27 23:48:24 人評論 次瀏覽
  • 復雜控制系統故障維修實例

    昌暉儀表結合復雜控制系統現場故障維修實例,介紹串級控制、均勻控制、比值控制、前饋控制、選擇控制、分程控制系統等復雜控制系統的故障處理方法及思路

    2016/8/27 23:46:37 人評論 次瀏覽
  • 常見自動化儀表術語中英文對照

    昌暉儀表工程師將常用自動化儀表術語中英文及術語描述含義整理成《常見自動化儀表中英文對照》這篇文章,方便大家在閱讀英文技術資料時參考使用

    2016/8/27 23:44:45 人評論 次瀏覽
  • 【功能安全】功能安全產品的設計流程

    本文深切認為技術系統不應當為人們和環境帶來超出允許風險范圍的安全風險。完全沒有風險是不現實的,所以風險可接受與否在于其嚴重程度

    2016/8/27 23:41:14 人評論 次瀏覽
  • 西門子觸摸屏TP1200死機問題技術分析

    昌暉儀表對某藥廠西門子觸摸屏TP1200死機問題,對現場設備安裝、接地、屏蔽、電源、布線和軟件幾個方面重點進行排查并解決故障問題,現圖文分享西門子觸摸屏TP1200死機問題技術分析全過程

    2016/8/27 18:16:33 人評論 次瀏覽
  • 國產電柜離價廉物美有多遠?

    通過國產電柜常見的問題分析,讓大家了解國產電柜與進口電柜之間的差距,提醒國產電柜廠家提高自己生產技術水平,告誡使用者一分價錢一分貨,單純低價格只會摧毀我們的制造業

    2016/8/27 17:42:33 人評論 次瀏覽
  • 安裝好WINCC的電腦修改計算機名實例

    通常已經安裝好了西門子軟件的上位機電腦,是不允許修改計算機名的,本文實例介紹安裝好WINCC的電腦修改計算機名方法和步驟

    2016/8/27 17:25:54 人評論 次瀏覽
  • 用工具Configuration Tool合并兩個WINCC項目的方法

    本文使用工具Configuration Tool將合并兩個WINCC(WINCC版本:6.2S)項目的步驟和操作注意事項實例,意在拋磚引玉,讓大家掌握兩個WINCC項目合并的方法

    2016/8/27 17:14:31 人評論 次瀏覽
  • WINCC的變量記錄壓縮歸檔處理的屬性選擇

    WINCC的變量記錄中的壓縮歸檔處理的屬性有計算、復制和刪除三種屬性,工控技術人員做項目時應選擇“計算”屬性,才能正常完成WINCC的變量記錄的壓縮歸檔處理

    2016/8/27 16:50:19 人評論 次瀏覽
  • 如何封裝已安裝好工業軟件的系統安裝盤

    昌暉儀表分享用GHOST工具封裝已安裝好工業軟件的系統安裝盤的所需要的軟件工具和具體操作步驟,方便大家輕松完成工業電腦系統安裝

    2016/8/27 16:46:20 人評論 次瀏覽
  • 昌暉儀表聊二維碼

    昌暉儀表通過二維碼結構、二維碼打印設備、二維碼讀取器工作原理的介紹,普及二維碼使用和手機防范二維碼風險的知識

    2016/8/27 16:40:38 人評論 次瀏覽
  • CP341做MODBUS SLAVE調試經驗

    昌暉儀表分享使用CP341通信模塊做MODBUS SLAVE的參數設置方法和調試要點,希望能幫助大家在CP341 MODBUS SLAVE調試過程中少走彎路,是實用干貨技術文章

    2016/8/27 16:36:03 人評論 次瀏覽

相關儀表推薦

 友情鏈接