
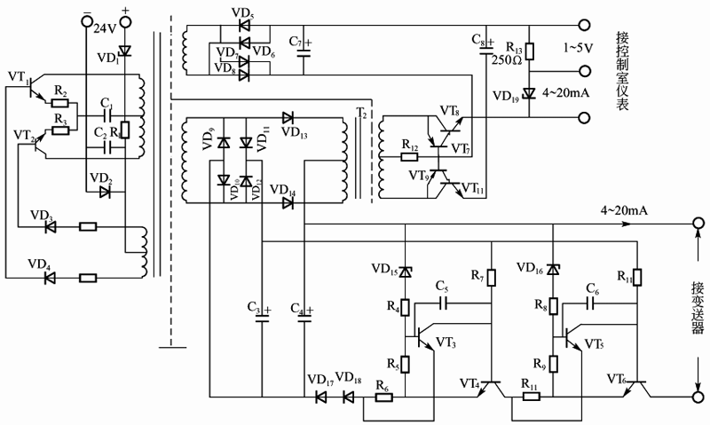
檢測端隔離安全柵作為現場二線制變送器與控制室儀表和電源的聯系紐帶,一方面向二線制變送器提供電源,同時把二線制變送器送來的信號電流經隔離變壓器1:1地傳送給控制室儀表。在上述傳遞過程中,依靠雙重限壓限流電路,使任何情況下輸往危險場所的電壓和電流不超過30V、30mA(直流),從而確保危險場所的安全。

圖1 檢測端隔離安全柵原理框圖
圖1是某廠檢測端隔離安全柵的原理框圖,24V直流電源經直流-交流變換器變成8kHz的交流電壓,經變壓器T1傳遞,一路經整流濾波和限壓限流電路為變送器提供電源(仍為直流24V),另一路經整流濾波為解調放大器提供電源。從變送器獲得的4-20mA信號電流經限壓限流電路進入調制器,被調制成交流后,由變壓器T2耦合給解調放大器,經解調后恢復成4-20mA直流信號,輸出給控制室儀表。所以,從信號傳送的角度來看,檢測端隔離安全柵是一個傳遞系數為1的傳送器,被傳送的信號經過調制→變壓器耦合→解調的過程后,照原樣送出。這里電源、變送器、控制室儀表之間除磁通聯系之外,電路上是互相絕緣的。

圖2 檢測端隔離安全柵簡化原理框圖
圖2是這種檢測端隔離安全柵的簡化原理圖,下面對照圖1,對各部分分別敘述。
電源直流-交流變換器 它由晶體管VT1、VT2 、二極管VD1-VD4和變壓器T1等組成。這是一個磁耦合自激多諧振蕩器。
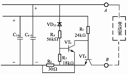
晶體管限壓限流電路圖2的檢測端隔離安全柵中為了可靠,串聯使用了兩套完全相同的限壓限流電路,晶體管VT3、VT4、齊納二極管VD15等為一套,晶體管VT5、VT6、齊納二極管VD16等為另一套。

圖3 限壓限流電路
為敘述方便,圖3中畫出了其中的一套,晶體管VT4和變送器串聯,執行限壓限流動作。VT4的基極電路被晶體管VT3控制,在正常工作中VT3是不通的,VT4由電容C3兩端的整流濾波電壓經電阻R7VT4取得足夠的基極電流,處于飽和導通狀態,變送器的4-20mA信號電流可十分流暢地通過限壓限流電路。
看一下晶體管VT3的基極-發射極電路便可發現,如果電阻R5、R6上的壓降超過0.6V,VT3將開始導通,使晶體管VT4的基極電流減小。若VT3的電流很大,則經過R7的電流將大部分或全部通過VT3,而不流入VT4的基極,使晶體管VT4退出飽和,進入放大或截止區。
電路出現這種情況的原因可有如下兩種:
①電源出現過電壓:圖3中齊納二極管VD15的擊穿電壓約為30V。如果濾波電容C4上的整流電壓超過30V,則齊納二極管VD15 導通,經電阻R4向晶體管VT3的基極提供電流,VT3導通且奪取VT4的基極電流,使VT4趨于關斷,送往現場的電壓UAB減小,起
到限制電壓的作用。
②變送器出現過電流:圖中電阻R6上信號電流在20mA的正常范圍內時壓降不超過0.6V,另外由于電阻R5(18kΩ)的存在,R6上的壓降即使稍微超過0.6V,VT3也不會充分導通。如果變送器電流超過25mA左右時,R6上的壓降將逐漸使VT3充分導通,奪取 VT4的基極電流,使VT4發揮作用,把流入現場的電流限制在30mA以內。

圖4 限壓限流特性曲線
上述限壓限流電路的特性如圖4所示。當濾波電容C4上的整流電壓UC4小于30V時,輸出電壓UAB=UC4,晶體管VT4不起任何限壓作用。但UC4>30V時,VT4很快趨于關斷,隨著UC4的增大,UAB很快降為零。同理,電路的限流作用也是通過晶體管VT4使輸出電壓UAB降低來實現的。
這里需要說明的是,圖2中限壓限流晶體管VT4、VT6的耐壓必須足夠高。因為當電源出現過電壓時,VT4、VT6都處于關斷狀態,這樣全部過電壓都加在這兩個晶體管上。目前主流檢測端隔離安全柵的供電電壓均為DC24V。
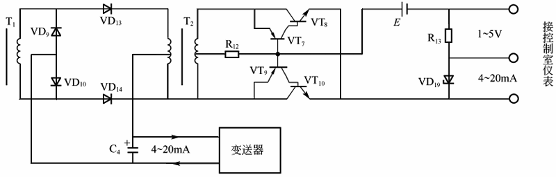
最后再討論一下調制和解調放大部分。這部分的原理性電路可單獨畫出如圖5所示。二線制變送器的電源是靠二極管VD9、

圖5 調制解調放大電路
VD10、VD13、VD14全波整流供給的。由于VD13和VD14是在電源正負半波交替工作的,因此將變壓器B2初級線圈的上下兩半分別接入這兩個二極管支路中時,在VD13、VD14的開關作用下,變送器的4-20mA直流信號電流將交替地進入變壓器初級線圈的上下兩部分,使其次級出現方波電壓。這里,變壓器T2工作于電流互感器的工作方式,其次級負載阻抗很小。這樣,在初次級線圈匝數比為1:1的情況下,次級方波電流大小等于初級電流。
由于信號電流是單方向的,因此解調問題很簡單,只要對電流互感器T2的次級電流進行全波整流即可。為了產生恒流輸出,這里用共基極電路作整流放大??紤]到共基極放大電路中晶體管的β愈大,輸入電流(發射極電流)與輸出電流(集電極電流)之比愈接近于1,故在解調放大電路中用VT7、VT8和VT9、VT10組成復合管,以增大等效β值,提高工作精度。圖5中,電流互感器T2的次級方波電流作為復合管的輸入電流,經共基極放大電路后,產生的兩個半波恒流輸出,相加后,就得到與原來信號電流相等的4-20mA直流電流。此電流可直接供給控制室儀表,也可經電阻R13(250Ω)轉化為1-5V的電壓輸出。齊納二極管 VD19是電流輸出端的續流二極管,其擊穿電壓為6-7V。當電流輸出端上接有正常負載時它不工作,一旦外接負載電路切除,VD19便自動接入,保證輸出回路繼續連通。
文中舉例所展示的檢測端隔離安全柵電路圖并不是目前先進技術產品的電路圖,僅做檢測端隔離安全柵原理介紹時使用,請勿對號入座。
歡迎大家移步至 http://www.gzmengda.com/product/448.html 詳細了解檢測端隔離安全柵的技術參數、選型及應用
