二入二出溫度變送器 YR9030A

2025/8/11 18:09:42 人評論 次瀏覽 分類:溫度變送器  儀表地址:http://www.gzmengda.com/product/2015.html

二入二出導軌式溫度變送器YR9030A將兩路熱電偶或熱電阻信號隔離轉換為兩路4-20mA或1-5V等直流標準信號輸出。二入二出溫度變送器1500V隔離耐壓,具有高精度、低功耗、高穩定性、高可靠性以及堅固外殼,等同于兩臺一入一出導軌式溫度變送器
 
二入二出熱電阻溫度變送器
 
二入二出溫度變送器亮點
◆ 電源、報警狀態指示
◆ 輸入/輸出/電源完全隔離
◆ 高精度0.2%
◆ 超長使用壽命
◆ 高穩定性、高可靠性、低溫度漂移
◆ 堅固耐用的設計,導軌安裝
◆ 低功耗設計,可高密度安裝
◆ 硬件還是軟件都采用了模塊化設計

最常用二入二出溫度變送器型號

二入二出熱電偶溫度變送器:YR9030A-KK-GG-N、YR9030A-SS-GG-N、YR9030A-EE-GG-N、YR9030A-BB-GG-N等   
二入二出熱電阻溫度變送器:YR9030A-PP-GG-N、YR9030A-CC-GG-N

二入二出溫度變送器技術指標

◆熱電阻輸入時激勵電壓:2.5V
◆熱電阻輸入時長線補償:200Ω(線阻)
◆響應時間:<0.5s(0-90%)(TYP)
◆波紋:<10mVrms
◆精度:0.2%的終值
◆溫度系數:50ppm/K的測量值/100Ω負載
◆耐壓強度:500VDC時100MΩ以上,1500VAC/分鐘
◆電磁兼容:符合GB/T1826工業設備應用要求(等同IEC 61326-1)
◆工作溫度:-10~+70℃
◆工作濕度:小于90%RH(無凝結水)
◆電源:DC24V±25%
◆功耗:二入二出導軌式溫度變送器<2W
◆外殼材料:PC+ABS阻燃
◆重量:約180g  
◆質保期:五年
◆外形尺寸:厚18.3×寬113×高121(mm)
 

二入二出熱電偶溫度變送器

二入二出導軌式溫度變送器選型表
YR9030A-①②-③④-⑤-⑥/⑦-⑧/⑨
①第一通道輸入類型
[P]:Pt100熱電阻
[C]:Cu50熱電阻
[B]:B分度號熱電偶
[S]:S分度號熱電偶
[K]:K分度號熱電偶
[E]:E分度號熱電偶
[T]:T分度號熱電偶
[J]:J分度號熱電偶
[W]:Wre3-25鎢錸熱電偶
②第二通道輸入類型(需要與第一通道輸入類型相同)
[P]:Pt100熱電阻
[C]:Cu50熱電阻
[B]:B分度號熱電偶
[S]:S分度號熱電偶
[K]:K分度號熱電偶
[E]:E分度號熱電偶
[T]:T分度號熱電偶
[J]:J分度號熱電偶
[W]:Wre3-25鎢錸熱電偶
③第一通道對應路輸出(OUT1)
[G]:直流4-20mA輸出,輸出阻抗≤500Ω(標準出廠配置)
[A]:直流0-5V,輸出阻抗≥10kΩ
[D]:直流1-5V,輸出阻抗≥10kΩ
[F]:直流0-20mA,輸出阻抗≤500Ω
④第二通道對應輸出(OUT2)
[G]:直流4-20mA輸出,輸出阻抗≤500Ω(標準出廠配置)
[A]:直流0-5V,輸出阻抗≥10kΩ
[D]:直流1-5V,輸出阻抗≥10kΩ
[F]:直流0-20mA,輸出阻抗≤500Ω
⑤輸入信號浪涌保護
[N]:無
⑥溫度變送器第一通道量程下限

[*]:數字

⑦溫度變送器第一通道量程上限

[*]:數字
⑧溫度變送器第二通道量程下限
[*]:數字
⑨溫度變送器第二通道量程上限
[*]:數字
 
二入二出導軌式溫度變送器接線圖
①二入二出熱電偶溫度變送器接線圖

二入二出熱電偶溫度變送器接線圖

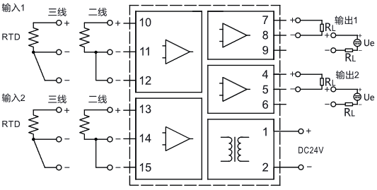
②二入二出熱電阻溫度變送器接線圖

二入二出熱電阻溫度變送器接線圖

共有訪客發表了評論 網友評論

  客戶姓名:
郵箱或QQ:
驗證碼: 看不清楚?