容器中存在兩種不同介質,當上面一層的介質介電常數較小,而下面的介質介電常數較大時,高頻微脈沖沿著探測組件傳播遇到上層介質時,由于其介電常數較小,因而有極少的能量被這一層介面反射,而大部分能量穿透上層介質繼續向下傳播,遇到兩層的介面時,由于下層介質的介電常數較大,因而會有較大的能量被反射回來。因而導波雷達是可以測量兩種不同介質的介面,其測量條件是上層介質不導電或其介電常數比下層介質介電常數小10以上。

導波雷達液位計特點
由于采用了先進的微處理器和獨特的EchoDiscovery回波處理技術,導波雷達液位計可以應用于各種復雜工況。多種過程連接方式及探測組件配置,使得YR-RD30系列導波雷達物位計適于高溫、高壓及小介電常數介質等雜工況及應用場合。導波雷達液位計采用脈沖工作方式,導波雷達液位計發射功率極低,可安裝于各種金屬、非金屬容器內,對人體及環境無傷害。
型號:YR-RD31(量程0-30米)
特點:鋼纜天線
應用:復雜過程條件下液體、固體測量
最大量程:30m
測量精度:±3mm
過程連接:螺紋或法蘭
探測組件:不銹鋼316L /PTFE
鋼纜直徑:鋼纜Φ4mm或鋼纜Φ6mm
過程溫度:-40~250℃
過程壓力:-0.1~2MPa
信號輸出:兩線制4-20mA/HART

型號:YR-RD35(腐蝕性液體測量,量程0-6米)
特點:全四氟密封天線,耐強酸堿腐蝕
應用:量程較短的酸堿罐體液位測量
最大量程:6m
測量精度:±3mm
過程連接:螺紋或法蘭
探測組件:不銹鋼316L/PTFE
鋼纜直徑:鋼棒Φ10mm
過程溫度:-40~120℃
過程壓力:-0.1~2MPa
信號輸出:兩線制4-20mA/HART
型號:YR-RD36(小介電常數介質測量,量程6米)
特點:同軸式導波天線,獲得更小的盲區、更強的回波信號
應用:小量程,多蒸汽,小介電常數介質的測量。適應過程條件復雜的環境
最大量程:6m
測量精度:±10mm
過程連接:G1?A或G2A
探測組件:不銹鋼316L
同軸直徑:Φ25mm
過程溫度:-40~250℃
過程壓力:-0.1~2MPa
信號輸出:兩線制4-20mA/HART
![]()
型號:YR-RD32(量程0-6米)
特點:桿式導波雷達天線
應用:液體測量,高溫高壓工況,復雜過程條件
最大量程:最長6m
測量精度:±3mm
過程連接:螺紋或法蘭
探測組件:不銹鋼316L/陶瓷
鋼纜/棒:鋼纜Φ4mm或鋼纜Φ6mm/棒Φ10mm
過程溫度:-40~250℃
過程壓力:-0.1~2MPa
信號輸出:兩線制4-20mA/HART
![]()
型號:YR-RD34(高溫液體測量,量程0-6米)
特點:不銹鋼316L/陶瓷材料天線,能耐受更高的溫度和壓力
應用:液體測量,高溫高壓復雜工況
最大量程:6m
測量精度:±3mm
過程連接:螺紋或法蘭
探測組件:不銹鋼316L
桿直徑:Φ10mm
過程溫度:-40~400℃
過程壓力:-0.1~2MPa
信號輸出:兩線制4-20mA/HART

型號:YR-RD33(小介電常數液體或固體測量)
特點:多纜式導波天線結構,獲得更強的回波信號
應用:小介電常數液體及固體測量,復雜過程條件
最大量程:30m
測量精度:±3mm
過程連接:法蘭
探測組件:不銹鋼316L/PTFE
鋼纜直徑:鋼纜Φ6mm
過程溫度:-40~250℃
過程壓力:-0.1~2MPa
信號輸出:兩線制4-20mA/HART
導波雷達物位計技術參數
參數:導波雷達工作頻率:100MHZ-1.8GHz
測量范圍:纜式導波雷達測量范圍0-30m;桿式、同軸管式導波雷達測量范圍0-6m
重復性:±2mm
分辨率:1mm
采樣:YR-RD30系列導波雷達回波采樣55次/s
響應速度:>0.2S(根據具體使用情況而定)
輸出信號:4-20mA
精度:±3mm
通訊接口:HART 通訊協議
過程連接:G1"A、G1?"A螺紋;法蘭DN50,DN80,DN100 ,DN150,DN200,DN250
過程壓力:-0.1-2MPa
電源:24VDC(±10%);紋波電壓:1Vpp
耗電量:最大22.5mA
環境條件:溫度-40℃~+70℃
外殼防護等級:導波雷達防護等級為IP67
防爆等級:EXib IIC T6
電纜入口:2個M20×1.5或1/2"NPT(電纜直徑5-9mm)
測量距離:下表列出不同類別被測介質與測量距離的關系
| 分組 | DK(ε) | 固體顆粒 | 液體 | 測量范圍 |
| 1 | 1.4…16 | 冷凝氣,如N2CO2 | 3m-僅指同軸桿式探頭 | |
| 2 | 1.6…19 |
塑料帶粒子 白灰石,特種水泥 糖 |
液化氣,如丙烷 溶劑 氟利昂12/氟利昂 棕櫚油 |
25m |
| 3 | 1.9…25 | 普通水泥,石膏 | 礦物油,燃料 | 30m |
| 4 | 2.5…4 |
谷物,種子 石頭 砂粒 |
苯,苯乙烯,甲苯 呋喃 萘 |
30m |
| 5 | 4…7 |
潮濕的石頭、礦石 鹽 |
氯苯,氯仿 纖維素噴霧 異氰鹽酸,本胺 |
30m |
| 6 | >7 |
金屬粉末 碳黑 煤炭 |
含水液體 酒精 液氨 |
30m |
導波雷達物位計接線圖
導波雷達物位計調試
昌暉儀表制造有限公司YR-RD30系列導波雷達可以通過以下方法調試:
1、通過調試軟件YR-SOFT
通過YR-SOFT軟件調試雷達傳感器都可以通過軟件進行調試。采用軟件進行調試,需要一個儀表CONNECTCAT驅動器。
使用軟件調試時需給雷達儀表提供24VDC,同時在連接HART適配器前端加一個250歐姆的電阻。如果一體式HART電阻(內部自帶電阻250歐姆)的供電儀表,就不需要附加外部電阻,這時候HART適配器可以和4-20mA線并聯。
2、通過HART手持編程器

3、通過顯示調整模塊YR-PM
編程器訂貨后出廠已安裝在導波雷達上。編程器由4個按鍵和一個液晶顯示屏組成,可以顯示調整菜單和參數設置。
YR-RD30系列導波雷達按結構形式和應用場合的不同,分為YR-RD31、YR-RD32、YR-RD33、YR-RD34、YR-RD35和YR-RD36六個大類,用戶選用導波雷達時應認真填寫導波雷達物位計參數表》,昌暉儀表制造有限公司可以根據您提供的詳細參數,為您選配最佳測量效果的導波雷達產品。
1、纜式導波雷達選型
| YR-RD31□□□□□□□□-□ 最大量程30米,液體、固體粉料測量 | |
| 防爆 | |
|
P I D |
標準型(非防爆) 本安型(Exib ⅡC T6) 本安型+隔爆型(Exd ib ⅡC T6) |
| 傳感器/纜式探頭 | |
|
A B C |
液體型/4mm 固體型(10m內)/6mm 固體型(10m-30m)/6mm |
|
過程連接/材料 |
|
|
G GA N NA C D E F H K Y |
G1?"A螺紋/不銹鋼 G1"A螺紋/不銹鋼 1?"NPT螺紋/不銹鋼 1"NPT螺紋/不銹鋼 法蘭DN50 PN16 C型 法蘭DN80 PN16 C型 法蘭DN100 PN16 C型 法蘭DN150 PN16 C型 法蘭DN200 PN16 C型 法蘭DN250 PN16 C型 特殊約定 |
| 密封溫度 | |
|
P G |
普通密封/-40...100℃ 高溫密封/-40...250℃帶散熱片 |
| 電子單元 | |
|
2
3 4 5 |
4-20mA /24VDC兩線制 4-20mA /24VDC/HART兩線制 4-20mA /24VDC/HART四線制 4-20mA /220VAC/HART四線制 |
| 外殼/防護等級/天線防護等級 | |
|
P L |
塑料/IP65 鋁/IP67 |
| 電纜接口 | |
|
M N |
M20×1.5 |
| 編程/顯示 | |
|
V X |
帶顯示 不帶顯示 |
|
量程 |
|
2、桿式導波雷達選型
| YR-RD32□□□□□□□□-□ 最大量程6米,液體液位測量 | |
| 防爆 | |
|
P I D |
標準型(非防爆) 本安型(Exib ⅡC T6) 本安型+隔爆型(Exd ib ⅡC T6) |
| 桿式探頭 直徑 | |
|
A |
6mm |
| 過程連接/材料 | |
|
G GA N NA C D E F H K Y |
G1?"A螺紋/不銹鋼 G1"A螺紋/不銹鋼 1?"NPT螺紋/不銹鋼 1"NPT螺紋/不銹鋼 法蘭DN50 PN16 C型 法蘭DN80 PN16 C型 法蘭DN100 PN16 C型 法蘭DN150 PN16 C型 法蘭DN200 PN16 C型 法蘭DN250 PN16 C型 特殊約定 |
| 密封溫度 | |
|
P G |
普通密封/-40...100℃ 高溫密封/-40...250℃帶散熱片 |
| 電子單元 | |
|
2 3 4 5 |
4-20mA /24VDC兩線制 4-20mA /24VDC/HART兩線制 4-20mA /24VDC/HART四線制 4-20mA /220VAC/HART四線制 |
| 外殼/防護等級/天線防護等級 | |
|
P L |
塑料/IP65 鋁/IP67 |
| 電纜接口 | |
|
M N |
M20×1.5 1/2"NPT |
| 編程/顯示 | |
|
V X |
帶顯示 不帶顯示 |
| 量程 | |
3、雙纜式導波雷達選型
| YR-RD33□□□□□□□□-□ 最大量程30米,液體、固體粉末測量 | |
| 防爆 | |
|
P I D |
標準型(非防爆) 本安型(Exib ⅡC T6) 本安型+隔爆型(Exd ib ⅡC T6) |
| 過程連接/材料 | |
|
D E F H K Y |
法蘭DN80 PN16 C型 法蘭DN100 PN16 C型 法蘭DN150 PN16 C型 法蘭DN200 PN16 C型 法蘭DN250 PN16 C型 特殊約定 |
| 密封溫度 | |
|
P G |
普通密封/-40...100℃ 高溫密封/-40...250℃帶散熱片 |
| 電子單元 | |
|
2
3 4 5 |
4-20mA /24VDC兩線制 4-20mA /24VDC/HART兩線制 4-20mA /24VDC/HART四線制 4-20mA /220VAC/HART四線制 |
| 外殼/防護等級/天線防護等級 | |
|
P L |
塑料/IP65 鋁/IP67 |
| 電纜接口 | |
|
M N |
M20×1.5 1/2"NPT |
| 編程/顯示 | |
|
V X |
帶顯示 不帶顯示 |
| 量程 | |
4、桿式(高溫型)導波雷達選型
| YR-RD34□□□□□□□□-□ 最大量程6米,液體、蒸汽測量 | |
|
防爆 |
|
|
P |
標準型(非防爆) |
|
桿式探頭 |
|
|
A |
6mm |
|
過程連接/材料 |
|
|
G N C D E F H K Y |
G1?"A螺紋/不銹鋼 1?"NPT螺紋/不銹鋼 法蘭DN50 PN16 C型 法蘭DN80 PN16 C型 法蘭DN100 PN16 C型 法蘭DN150 PN16 C型 法蘭DN200 PN16 C型 法蘭DN250 PN16 C型 特殊約定 |
| 密封溫度 | |
| G | 高溫密封/-40...400℃帶散熱片 |
| 電子單元 | |
|
2
3 4 5 |
4-20mA /24VDC兩線制 4-20mA /24VDC/HART兩線制 4-20mA /24VDC/HART四線制 4-20mA /220VAC/HART四線制 |
| 外殼/防護等級/天線防護等級 | |
|
P L |
塑料/IP65 鋁/IP67 |
| 電纜接口 | |
|
M N |
M20×1.5 1/2"NPT |
| 編程/顯示 | |
|
V X |
帶顯示 不帶顯示 |
| 量程 | |
5、防腐型導波雷達選型
| YR-RD35□□□□□□□□-□ 量程6-20米,腐蝕性液體測量 | |
| 防爆 | |
|
P I D |
標準型(非防爆) 本安型(Exib ⅡC T6) 本安型+隔爆型(Exd ib ⅡC T6) |
| 防腐探頭 | |
|
A B |
10mm 14mm |
| 過程連接/材料 | |
|
C D E F H K Y |
法蘭DN50 PN16 C型 法蘭DN80 PN16 C型 法蘭DN100 PN16 C型 法蘭DN150 PN16 C型 法蘭DN200 PN16 C型 法蘭DN250 PN16 C型 特殊約定 |
| 密封溫度 | |
| P | 普通密封/-40...120℃ |
| 電子單元 | |
|
2 3 4 5 |
4-20mA /24VDC兩線制 4-20mA /24VDC/HART兩線制 4-20mA /24VDC/HART四線制 4-20mA /220VAC/HART四線制 |
| 外殼/防護等級/天線防護等級 | |
| P | 塑料/IP65 |
| 電纜接口 | |
|
M N |
M20×1.5 1/2"NPT |
| 編程/顯示 | |
|
V X |
帶顯示 不帶顯示 |
| 量程 | |
6、同軸桿式導波雷達選型
| YR-RD36□□□□□□□□-□ 最大量程6米,介電常數低、表面波動液體測量 | |
| 防爆 | |
|
P I D |
標準型(非防爆) 本安型(Exib ⅡC T6) 本安型+隔爆型(Exd ib ⅡC T6) |
| 傳感器/纜式探頭 | |
|
A B |
25mm 50mm |
| 過程連接/材料 | |
|
GA NA C D E F H K Y |
G1"A螺紋/不銹鋼 1"NPT螺紋/不銹鋼 法蘭DN50 PN16 C型 法蘭DN80 PN16 C型 法蘭DN100 PN16 C型 法蘭DN150 PN16 C型 法蘭DN200 PN16 C型 法蘭DN250 PN16 C型 特殊約定 |
| 密封溫度 | |
|
P G |
普通密封/-40...100℃ 高溫密封/-40...250℃帶散熱片 |
| 電子單元 | |
|
2 3 4 5 |
4-20mA /24VDC兩線制 4-20mA /24VDC/HART兩線制 4-20mA /24VDC/HART四線制 4-20mA /220VAC/HART四線制 |
| 外殼/防護等級/天線防護等級 | |
|
P L |
塑料/IP65 鋁/IP67 |
| 電纜接口 | |
|
M N |
M20×1.5 1/2"NPT |
| 編程/顯示 | |
|
V X |
帶顯示 不帶顯示 |
| 量程 | |
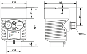
導波雷達物位計尺寸
1、外殼材質:鋁合金
2、不同型號導波雷達尺寸

導波雷達物位計參數表
客戶信息
單位:-------------
聯系人:-----------
地址:-------------
郵編:-------------
電話:-------------
手機:-------------
E-mail:-----------
日期:××年××月××日
許可證
□ 標準型(非防爆);□ 本安型(Exib IIB T5);□ 本安型(Exib IIC T6);□ 本安型+船用許可證(Exib IIC T6);□ 本安型+隔爆型(Exd [ib] IIC T6)
罐/容器信息
儲罐類型:
□ 儲罐
□ 儲罐結構:------------
□ 罐尺寸:--------------
□ 反應罐;
□ 罐體材質:------------
□ 罐高度:----------m
□ 分離罐
□ 壓力:------------
□ 罐直徑:-------------
□ 船用儲罐
罐頂:□ 拱頂式;□ 平頂式;□ 敞口式
罐底:□ 錐底;□ 平底;□ 斜坡底
安裝:□ 頂部安裝 ;□ 側面安裝;□ 旁通管;□ 導波管安裝
罐頂安裝接管(重要信息)
接管高度:------------mm
接管直徑:------------mm
測量介質
介質名稱:-----------;□ 液體;□ 固體;□ 混合介質
介質溫度:-----------℃
介電常數:-----------
掛料:□ 是;□ 否
攪拌:□ 是;□ 否
過程連接
螺紋:□ G1?"A;□ 1?"NPT;□ G2"A;□ G1"A;□ 1"NPT
法蘭:□ 法蘭 DN= ------;□ 法蘭 ANSI=------------
電源:□ 24VDC;□ 220VAC
輸出:□ 4-20mA;□ HART;□ PROFIBUS PA
顯示:□ 帶表頭顯示;□ 不帶表頭顯示
