電流信號采集器特點
隔離式四路電流信號采集器的數字信號傳輸與傳統的PLC+信號隔離器的輸出模式比較,減少了兩次轉換誤差,在顯著提高轉換精度的同時,增加了系統的穩定性和抗干擾性。
◆低功耗設計、低溫漂、自動零點校準
◆四路4-20mA電流輸入信號之間/通訊/電源完全隔離
◆支持帶電熱插拔
◆支持背板導軌和接線端子兩種方式供電和通訊
◆支持MODBUS RTU通訊協議,通訊速率高達115200bps
◆與以太網網關YR-9710A配合使用支持MODBUS TCP/IP,簡化安裝維護流程,提升數據傳輸性能

四路電流信號采集器技術指標
◆供電:24VDC
◆輸入信號:二線制、三線制或4-20mA
◆輸入通道:4路
◆通訊接口:RS485
◆電流信號采集器精度:0.10%
◆通訊協議:MODBUS
◆響應時間:≤10ms
◆溫度漂移:0.005% FS/℃
◆組態方式:PC可編程
◆電磁兼容:IEC61326
◆隔離能力:1500VAC
◆工作溫度:-20℃~+60℃
◆存儲溫度:-40℃~+85℃
◆環境濕度:≤95%ARH非凝結
◆防護等級:IP20
◆四路電流信號采集器外形尺寸:17.5×90×110mm(寬×高×深)

◆4-20mA四路電流信號采集器低功耗長壽命設計,6年質保,滿足工業現場高可靠性長期穩定運行需求
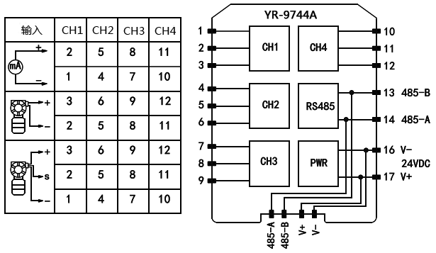
四路電流信號采集器型號:YR-9744A
4-20mA電流信號采集器YR-9744A接線圖
