正轉、正反轉、定時和多地控制等的PLC線路和梯形圖

2018/9/5 21:40:48 人評論 次瀏覽 分類:PLC應用  文章地址:http://www.gzmengda.com/tech/1476.html

昌暉儀表在本文分享電氣正轉控制、正反轉控制、定時控制、多地控制、定時器與計數器組合延長定時控制、多重輸出控制和載報警控制通過PLC實現時的PLC線路和梯形圖,這是PLC初學者入門實戰的需要掌握的最基本知識。
 
1、起動、自鎖和停止控制的PLC梯形圖線路
起動、自鎖和停止控制是PLC最基本的控制功能。起動、自鎖和停止控制可采用驅動指令(OUT),也可以采用置位指令(SET、RST)來實現。

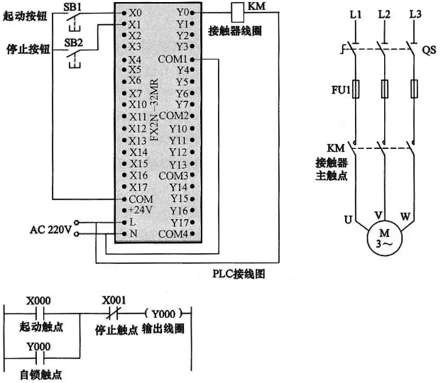
◆ 采用線圈驅動指令實現起動、自鎖和停止控制的PLC線路與梯形圖
采用線圈驅動指令實現起動、自鎖和停止控制的PLC線路與梯形圖
圖1   采用線圈驅動指令實現起動、自鎖和停止控制的PLC線路與梯形圖

◆ 采用置位復位指令實現起動、自鎖和停止控制的梯形圖


圖2   采用位置復位指令實現起動、自鎖和停止控制的PLC線路與梯形圖
其PLC接線圖與上圖所示線路是一樣的。


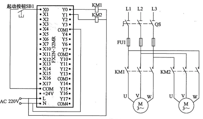
2、正、反轉聯鎖控制的PLC線路與梯形圖
正、反轉聯鎖控制的PLC線路與梯形圖
圖3 正、反轉聯鎖控制的PLC線路與梯形圖

3、多地控制的PLC線路與梯形圖
多地控制的PLC線路與梯形圖
圖4  多地控制的PLC線路與梯形圖
單人多地控制如圖a、b所示,多人多地控制如圖a、c所示。

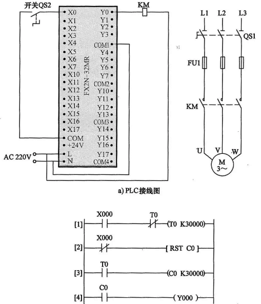
4、定時控制的PLC線路與梯形圖

延時起動定時運行控制的PLC線路與梯形圖
延時起動定時運行控制的PLC線路與梯形圖
圖5  延時起動定時運行控制的PLC線路與梯形圖

◆ 多定時器組合控制的PLC線路與梯形圖
一種典型的多定時器組合控制的PLC線路與梯形圖

圖6  一種典型的多定時器組合控制的PLC線路與梯形圖

5、定時器與計數器組合延長定時控制的PLC線路與梯形圖

三菱FX系列PLC的最大定時時間為3276.7s(約54min),采用定時器和計數器可以延長定時時間。
定時器與計時器組合延長定時控制的PLC線路與梯形圖
圖7 定時器與計時器組合延長定時控制的PLC線路與梯形圖

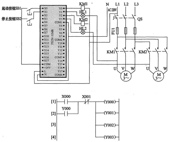
6、多重輸出控制的PLC線路與梯形圖

圖8 多重輸出控制的PLC線路與梯形圖

7、過載報警控制的PLC線路與梯形圖


圖9 過載報警控制的PLC線路與梯形圖
作者:蔡杏山,筆者編著有《現代電工技能實戰自學手冊》一書

相關閱讀
儀表工必會的8個PLC基本控制線路與梯形圖
PLC梯形圖程序與電氣控制的梯形圖程序的五點區別

共有訪客發表了評論 網友評論

  客戶姓名:
郵箱或QQ:
驗證碼: 看不清楚?