正轉控制線路是電動機最基本的控制線路,昌暉儀表官網在本文對電動機基本控制電路做詳細分析和解讀,電氣初學者必須熟悉和理解正轉控制線路工作原理和應用,今后接觸復雜電氣控制回路大有幫助。
簡單的正轉控制線路
正轉控制線路是電動機最基本的控制線路,控制線路除了要為電動機提供電源外,還要對電動機進行氣動/停止控制,另外在電動機過載時還能進行保護。對于一些要求不高的小容量電動機,可采用如圖1所示的簡單的電動機正轉控制線路,其中圖1a為線路圖,圖1b為實物連接圖。

圖1 簡單正轉控制線路
電動機的3根相線通過閘刀開關內部的熔斷器FU和觸點連接到三相交流電。當合上閘刀開關QS時,三相交流電通過觸點、熔斷器送給三相電動機,電動機運轉;當斷開QS時,切斷電動機供電,電動機停轉;如果流過電動機的電流過大,熔斷器FU會因大電流流過二熔斷,氣短電動機供電,電動機得到了保護。為了安全起見,圖中的閘刀開關可安裝在配電箱或絕緣板上。
簡單控制線路簡單、元件少,適合做容量小且啟動不頻繁的電動機正轉控制線路,圖中的閘刀開關還可以用鐵殼開關(封閉式符合開關)、組合開關或低壓斷路器來替代。
自鎖正轉控制線路
電動正轉控制線路適用于電動機短時間運行控制,如果用作長時間運行控制極為不方便(需一致按住按鈕不放)。電動機長時間連續運行常采用如圖2所示的自鎖正轉控制線路。從圖2可以看出,該線路是在電動正轉控制線路的控制電路中多串接一個停止按鈕SB2,并在啟動按鈕SB1兩端并聯一個接觸器KM的常開輔助觸點(又稱自鎖觸點)而成的。自鎖正轉控制線路除了有長時間運行鎖定功能外,還能實現欠電壓和失電壓保護功能。

圖2 自鎖正轉控制線路

圖3 三相異步電動機控制線路實物連接示意圖
1、自鎖正轉控制線路工作原理
①合上電源開關QS
②啟動過程
按下啟動按鈕SB1→L1、L2兩相電壓通過QS、FU2、SB2、SB1加到接觸器KM線圈兩端→KM徐安全得電吸合,KM主觸點和常開輔助觸點閉合→L1、L2、L3三相電壓通過QS、FU1和閉合的KM主觸點提供給電動機→電動機M通電運轉。
③運行自鎖過程
松開啟動按鈕SB1→KM線圈依靠啟動時已閉合的KM常開輔助觸點供電→KM主觸點仍保持閉合→電動機繼續運轉。
④停轉控制
按下停止按鈕SB2→KM線圈失電→KM主觸點和常開輔助觸點均斷開→電動機M斷電停轉。
⑤斷開電源開關QS
2、自鎖正轉控制線路失電壓保護
失電壓保護是指當電源電壓消失時切斷電動機的供電途徑,并保證在重新供電時無法自行啟動。失電壓保護過程分析如下:
電源電壓消失→L1、L2兩相間的電壓消失→KM線圈失電→KM主觸點、輔助觸點斷開→電動機供電被切斷。在重新供電后,由于主觸點、輔助觸點已斷開,并且啟動按鈕SB1也處于斷開狀體,因此線路不會自動為電動機供電。
3、自鎖正轉控制線路過載保護
在線路中有一個熱繼電器FR,其發熱元件串接在主電路中,常閉觸點串接在控制電路中。當電動機過載運行時,流過熱繼電器發熱元件的電流偏大,發熱元件(通常為雙金屬片)因發熱而彎曲,通過傳動機構將常閉觸點斷開,控制電路被切斷,接觸器KM線圈失電,主電路中的接觸器KM主觸點斷開,電動機供電被切斷而運轉。
熱繼電器只能執行過載保護,不能執行短路保護,這是因為短路時電流雖然很大,但是熱繼電器發熱元件彎曲需要一定時間,等到它動作時電動機和供電線路可能已被過大的短路電流燒壞。另外,當電路過載保護后,如果排除了過載因素,需要等待一定的時間讓發熱元件冷卻復位,再重新啟動電動機。
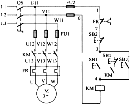
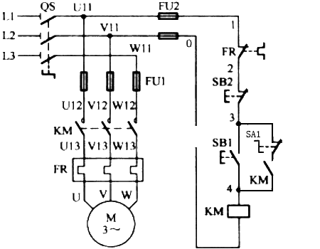
4、帶點動啟動和自鎖正轉控制線路
點動控制通??梢酝ㄟ^按鈕、轉換開關、中間繼電器等來完成,下面分享用按鈕和開關來實現點動和長動的控制線路:

圖4 用按鈕實現點動和長動的控制線路

圖5 用轉換開關來實現點動和長動的控制線路
以上舉例的電路圖讀者需要結合電氣圖形符號和電氣文字符號來學習。如果您已經能熟練掌握和應用電動機正轉控制電路,不妨多了解這種電路在實踐中應用,筆者建議您看看《溫度控制系統構成及應用》,如能看懂且弄明白,就差實踐了。
