三相異步電動機在剛啟動時,流過電子繞組的電流很大,為額定電流的4-7倍。對于容量大的電動機,若采用普通的全壓啟動方式,會出現啟動時電流過大而使供電電源電壓下降很多的現象,這樣可能會影響采用同一供電電源的其他設備的正常工作。
解決上述問題的方法及時對三相異步電動機進行降壓啟動,待電動機運轉以后再提供全壓。一般規定,供電電源容量在180kV.A以上,電動機容量在7kW以下的三相異步電動機可采用直接全壓啟動,超出這個范圍需采用降壓啟動方式。另外,由于降壓啟動時流入電動機的電流較小,電動機產生的力矩小,因此降壓啟動需要在輕載或空載時進行。
降壓啟動控制線路種類很多,下面僅介紹較常見的星形-三角形(Y-△)降壓啟動控制電路。
1、星形-三角形降壓啟動的接線方式
三相異步電動機接線盒有U1、U2、V1、V2、W1、W2工6個接線端,如圖1所示。當U2、V2、W2三端連接在一起時,內部繞組就構成了星形連接,如圖2所示;當U1、W2、U2和V1、V1、W2兩兩連接在一起時,內部繞組就構成了三角形連接,如圖3所示。若三相電源任意兩相之間的電壓是380V,當電動機繞組接成星形時,每個繞組上的實際電壓值為
;當電動機繞組接成三角形時,每個繞組上的電壓值為380V。由于繞組接成星形時電壓降低,相應流過繞組的電流也減小(約為三角形接法的1/3)。

圖1 三相異步電動機接線盒 圖2 三相異步電動機繞組按星形接法接線

圖3 三相異步電動機繞組按三角形接法接線
星形-三角形降壓啟動控制電路就是在啟動時將電動機的繞組接成星形,啟動后再將繞組接成三角形,容電動機全壓運行。當電動機繞組接成星形時,繞組上的電壓低、流過的電流小,因而產生的力矩也小,所以星形-三角形降壓啟動只適用于輕載或空載啟動。
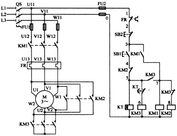
2、星形-三角形降壓啟動電路
星形-三角形降壓啟動電路如圖4所示,該電路采用時間繼電器來自動控制切換。星形-三角形降壓啟動電路工作原理分析如下:

圖4 星形-三角形降壓啟動電路

圖5 星形-三角形降壓啟動電路元件實物連線圖
①閉合電源開關QS
②星形降壓啟動控制
按下啟動按鈕SB1→接觸器KM3線圈和時間繼電器KT線圈均得電→KM3主觸點閉合、KM3常開輔助觸點閉合、KM3常閉輔助觸點斷開→KM3主觸點閉合,將電動機繞組接成星形;KM3常閉輔助觸點斷開使KM2線圈的供電切斷;KM3常開輔助觸點閉合使KM1線圈得電→KM1線圈得電使KM1常開輔助觸點和主觸點均閉合→KM1常開輔助觸點閉合使KM1線圈在SB1斷開后繼續得電;KM1主觸點閉合使電動機U1、V1、W1端得電,電動機星形啟動。
③三角形正常運行控制
時間繼電器KT線圈得電一段時間后,其延時常閉觸點斷開→KM3線圈失電→KM3主觸點斷開、KM3常開輔助觸點斷開、KM3常閉輔助觸點閉合→KM3主觸點斷開,取消電動機繞組的星形連接;KM3常閉輔助觸點閉合,使KM2線圈得電→KM2線圈得電使KM2常閉輔助觸點斷開、KM2主觸點均閉合→KM2常閉輔助觸點斷開,使KT線圈失電;KM2主觸點閉合,將電動機繞組接成三角形方式,電動機以三角形連接正常運行。
④停止控制
按下停止按鈕SB2→KM1、KM2、KM3線圈均失電→KM1、KM2、KM3主觸點均斷開→電動機因供電被切斷而停轉。
⑤斷開電源開關QS
【提示】現場在連接電纜時,務必將電動機接線盒內各端子上的短接片取掉!
星形-三角形啟動電路時電工必須掌握的電路,儀表工在現場維護時也經常碰到,所以儀表工業必須熟悉和掌握該電路的原理、接線和故障處理,多一門技能對大家工作百利而無一害。
