
閥門電動裝置控制箱是與AC380V作為動力電源的多回轉電動裝置配套使用,閥門電動裝置控制箱主要由主電路、控制電路、工作顯示電路和開度指示電路等構成。昌暉儀表在本文介紹閥門電動裝置控制箱內部檢查及檢修方法和思路。
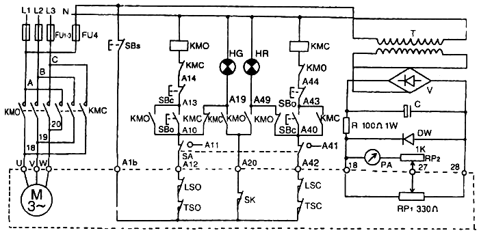
閥門電動裝置控制箱電氣原理圖
閥門電動裝置控制箱電氣原理圖內部檢查及檢修
1、三相交流接觸器的檢查及檢修。檢查三相交流接觸器吸合、釋放動作是否靈活, 觸點是否拉抓嚴重,是否黏連,否則應予更換。
2、三相交流空氣開關的檢查及檢修。檢查三相交流空氣開關手動脫扣是否靈活。合上 空氣開關后,A、B、C三相各相接觸電阻是否小于1Ω;脫扣后,三相各相接觸電阻是否大 于1MΩ,否則應予更換。檢查熱繼電器接點是否正常,動作電流設定值是否正確。
3、閥門電動裝置控制箱上電源檢查。檢查電動閥門A、B、C三相電壓,通電操作控制開 關按鈕,A、B、C三相相間電壓應為交流380V左右,否則,請運行人員檢查380V交流母線情況,確保電源正常配電箱上保險容量檢查。
4、閥門電動裝置控制箱上指示燈檢查及檢修。閥門電動裝置控制箱上指示燈在通電后,應與現 場閥門位置對應,閥門全開時,紅燈亮閥門關嚴時,綠燈亮;在中間位置時,紅綠燈都亮。閥門電動裝置控制箱通電后,按紅色燈,閥門應向開方向運動,直至全開按綠色燈,閥門應向關方向運動,直至關嚴。有特殊要求的閥門,無保持功能,可以點動開關至任一位置。
5、閥門電動裝置控制箱上指示燈與上述現象不一致時,檢查電氣控制回路與指示燈,直至合乎要求。
6、閥門電動裝置控制箱內、終端柜端子排檢查及檢修接線檢查檢查閥門電動裝置控制箱內接線端子應緊固、整齊,線號編碼清晰,各接線對地絕緣、線間絕緣應為∞值。
