1、電氣系統設計
電氣系統設計也就是對電氣系統進行元件選擇,電路計算,最后繪制出電氣線路圖,而電氣線路圖又分主線路和輔助線路,主線路圖是電氣系統中最重要的部分。
對于電氣主接線路的要求就是需要運行可靠、靈活、經濟、擴建方便等,電氣線路圖的運行可靠是首要任務,設備停電和人身安全是損失最大的。在電氣系統中需要添加整個電路的漏電保護器,防止人在工作時候漏電產生傷害,漏電保護器的工作原理圖1。

圖1 漏電保護器工作原理圖
說明:圖1中1為電源變壓器,2為主開關,3為試驗回路,4為零序電流互感器,5為電磁式漏電脫扣器圖
漏電保護器工作原理是設備在正常工作時候,零序電流互感器檢測電路三相電流的相量為零,在設備發生漏電時候,人觸碰到電氣設備,三相電流是不等于零的,電流會通過人、大地傳回變壓器,這樣會使漏電脫扣有電壓,漏電保護器會迅速自動發生感應,將主開關斷開,從而避免發生觸電。
電氣系統設計中最重要的三個內容就是電氣原理圖、電器元件布置圖和電氣安裝接線圖,這三個可以作為指導文件,電氣原理圖是根據工作原理進行繪制,需要結構簡單明了,層次分明,電氣元件布局圖是用來表明元件在電氣設備上的實際位置,電氣安裝接線圖是安裝電氣元件的實際位置進行實際接線的圖紙。
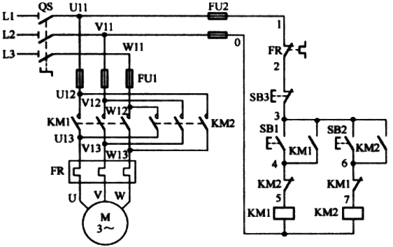
電氣原理圖由電氣符號和數字組成,要標明電路中元件或線路的特征,數字符號區別電路圖中不同的線段,例如三項電源用L1、L2、L3表示,一些還表示元件,如圖2。

圖2 接觸器連鎖正反轉控制線路
電氣元件布局圖需要繪制機械設備的輪廓和所有可見的電器元件及設備,用粗實線繪制輪廓,電器元件與有關圖紙保持一致。電氣安裝接線圖利用圖形和文字符號,同一電器元件要畫在同一個位置,同時還要與實際安裝位置相同,電氣元件在不同控制柜上需要利用端子板連接。
2、電氣設備
電氣設備的選擇是設計內容之一,在電氣系統中,電氣設備具有不同的工作作用,同時它們的選擇方法也不同,有的是根據電壓選擇,有的是通過電路選擇,通過電氣原理圖盡可能的選擇穩定性高、經濟合理、安全可靠的電氣元件。
常見的電氣元件有接觸器、繼電器、熔斷器、低壓斷路器、開關、按鈕。這些設備的選擇是通過電壓和電流進行選擇,通過電壓進行選擇,要保證電氣設備允許的最高工作電壓為設備額定電壓的1.1-1.15倍,而電流選擇時候要保證長期電流不小于該電路最大持續工作電流。熔斷器的選擇就是根據電路的電流進行選擇的,它的選擇公式如下:IRN≥(1.5-2.5)IN,式中IRN為熔斷器電流;IN為電路電流。
3、配電裝置
配電裝置是電氣控制系統的重要組成部分,它的作用就是接受和分配電能的作用,主要是屋外和屋內的配電基礎要求。配電裝置主要是由開關、保護和測量電氣組成,它的基本要求是保證運行可靠和人身安全、經濟性,同時還要便于人員操作和檢修,圖3為屋外配電裝置圖。

圖4 屋外配電裝置圖
在屋外配電一般是外部點通過線路連接到廠內,這時候需要保證高壓電的最小安全凈距,也就是圖中的A1、B1、B2,在上圖中配電裝置,電氣設備的柵欄高度不應低于1200mm,電氣設備的網狀遮攔不應低于1700mm。
在不斷發展的今天,人類對產品的功能和質量都變得越來越高,這樣就需要企業去不斷的創新,研發也要不斷的跟新,電氣系統作為設備的主要動力,核心系統,需要長期的穩定和高標準,在一些大批量生產設備上,系統的穩定運行和生產效率是相對矛盾的,所以怎樣將電氣系統與生產需求完美的結合,是設計者們去不斷更新和挑戰的課題,也是設備運行穩定的重要因素。
