沒有儀表回路圖,可以根據現場的實際,對儀表檢測或控制系統進行回路分解,然后畫出儀表回路圖,這樣的回路圖不用拘于形式,只要方便儀表及控制系統維修就行。系統回路可分為電氣回路、儀表氣源回路、工藝介質檢測的導壓管回路三種。
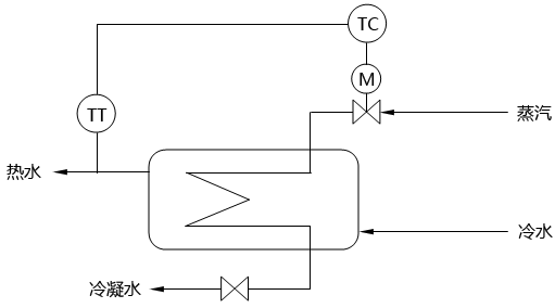
1、溫度控制系統的回路分解
圖1是一個常見的蒸汽加熱器溫度控制系統。用TT熱電阻一體化溫度變送器測量的熱水溫度送至TC調節器,與給定溫度進行比較,水溫低于給定溫度時,調節器的輸出信號將開大調節閥,增加蒸汽流量使水溫上升。水溫高于給定溫度時,調節器的輸出信號將關小調節閥,減少蒸汽流量使水溫下降。
圖1 蒸汽加熱器溫度控制系統示意圖
為了直觀地看出這個控制系統各個組成環節之間的相互影響和信號聯系,可用圖2的方塊圖來表示控制系統的組成,圖中每個方塊代表組成系統的一個環節。

圖2 蒸汽加熱溫度控制系統方塊圖
為了更直觀,我們按電氣信號回路來畫,如圖3所示。圖3中:A是溫度傳感元件熱電阻的輸出信號回路,又是溫度變送器的輸入信號回路。輸出的是一個與熱水溫度變化成比例的電阻信號,溫度上升電阻值增加,溫度下降電阻值下降。B是溫度變送器的輸出信號回路,又是調節器的輸入信號回路。輸出的是一個與熱水溫度變化成比例的電流信號,溫度上升電流值增加,溫度下降電流值下降。C是調節器的輸出信號回路,又是執行器的輸入信號回路。輸出的是根據溫度偏差信號的大小及預定的控制規律發出的電流信號,是一個與熱水溫度變化成反作用的電流信號,熱水溫度上升電流值下降,關小調節閥來減少蒸汽流量,使熱水溫度下降;熱水溫度下降電流值上升,開大調節閥來增加蒸汽流量,使熱水溫度上升。

圖3 蒸汽加熱溫度控制系統電氣回路示意圖
知道各回路是如何工作的,就可以知道當該回路有故障時,對下一個回路會造成什么樣的影響,這樣分析,判斷系統故障的思路就清晰了。該圖對供電回路,閥位反饋回路,手動操作器回路作了省略。
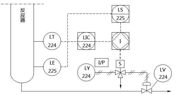
2、DCS液位控制及聯鎖系統回路分解
圖4是一個反應器液位控制及聯鎖系統圖。該系統具有液位調節,低液位聯鎖控制功能。工作過程是:液位變送器LT把液位信號傳送至DCS,DCS的LIC調節器根據液位變化輸出一個電流信號,經過電氣轉換器去控制氣動調節閥的開度,以保持液位的穩定。當工藝出現供液量不足時,液位下降至規定值時,低液位開關LE動作,使LS低液位聯鎖的輸出失壓,使二位三通電磁閥斷電將氣動調節閥關閉,以保證生產的安全。

圖4 反應器液位控制及聯鎖系統圖
為使于檢查故障,按電氣回路、儀表用氣回路、工藝參數檢測回路畫出圖5。圖5中DCS卡件的輸入,輸出端子,DCS的控制及聯鎖均屬于軟連線,信號關系可看組態圖,仍可按硬接線的思路來理解及檢查回路信號。

圖5 反應器液位控制及連鎖系統回路示意圖
①電氣回路
A是液位變送器的輸出信號回路,又是DCS的輸入信號回路。輸出的是一個與液位變化成正比的電流信號,液位上升電流值增加,液位下降電流值下降;B是低液位檢測輸出信號回路,又是DCS的輸入信號回路,是一個開關信號;C是DCS的控制輸出信號回路,又是I/P轉換器的信號輸入回路。輸出的是根據液位偏差信號的大小及預定的控制規律發出的電流信號,是一個與液位變化成正比的電流信號,波位上升時控制電流值工開,波位下降時控制電流值下降;D是DCS的低液位聯鎖信號輸出回路,又是二位三通電磁閥的信號輸入回路,輸出、輸入的是開關信號。
②儀表用氣回路
把儀表用氣稱為儀表氣源回路,氣動儀表對壓縮空氣是有要求的。儀表用氣回路是基于壓縮空氣進入儀表后,仍然要向大氣排空,空氣壓縮進儀表后又回到大氣中,壓縮空氣回路不通暢,儀表仍然會出現故障。E是I/P轉換器的供氣回路;F是二位三通電磁閥的供氣回路,由I/P轉換器將DCS調節器輸出的電流轉換為對應的氣壓,通過G來控制氣動調節閥開度。二位三通電磁閥通電時聯鎖不動作,I/P轉換器的輸出氣壓從F至G控制調節閥,當低液位聯鎖動作時電磁閥斷電,至調節閥的壓縮空氣F被關斷,調節閥膜片通過G至H放空,在彈簧力的作用下調節閥將處于全關閉狀態。
③工藝多數檢測回路
I是液位檢測傳感回路,又是液位變送器的輸入信號回路。液位檢測傳感回路的輸出信號是差壓還是浮力等,完全取決于所用的檢測儀表類型。但其輸出的是一個與液位變化成正比的電流信號,在判斷液位檢測回路故障時要注意零點遷移問題。J是低液位檢測回路,又是液位開關的輸入信號回路,它是一個開關信號。
3、DCS組態回路分解
DCS組態叫路實際是一此控制算法的組合,由于是用軟件來實現,理解起來有點抽象,但還是可以用硬接線的回路來理解。圖6是個串級控制的組態圖,主控制器TIC100的輸出OUT與副調節器FIC100的給定端SET相連接。%Z011101-%Z011103是控制回路的硬件連接號,%Z011103表示:信號來自第一個節點,第一個單元,第一個槽位,第三個通道。

圖6 串級控制的組態圖
我們把組態圖轉換成常規的控制系統方塊圖,如圖7所示,就很直觀和容易理解了。串級控制系統就是利用兩個串聯在一起PID的調節器,來穩定一個工藝參數。處于外面的是主回路,由主變送器、主調節器、主對象構成閉合回路。處于里面的是副回路,由副變送器、副調節器、調節閥、副對象構成閉合回路。主調節器的輸出作為副調節器的給定值。系統通過副調節器的輸出去控制調節閥的開度,實現對主參數的控制。主、副兩個回路的分工明確,主回路完成“細調”任務,副回路完成“粗調”任務,副回路起到一個超前的作用??梢岳斫鉃椋褐骰芈肥莻€定值控制系統,副回路是個隨動系統,通過以上分析,可以知道,主調節器發出命令,副調節器進行調節,小干擾由副調節器來消除,大干擾副調節器搶先調,余下的主、副一起調。當知道某個回路有故障,對另一個回路會造成什么影響,就可以大致進行分析和判斷。

圖7 串級控制系統方塊圖
首先要判斷故障是發生在DCS內部,還是在外圍設備或者連線上。如果在DCS內部,可利用上位機的故障報警及顯示曲線來分析判斷故障,還可切換至手動操作進行觀察,根據故障現象進行檢查。
故障發生在DCS外部,要檢查的就是%Z011101-%Z011103三個回路,一是檢查變送器至卡件的電流是否正常,二是檢查變送器是否正常,三是檢查副調節器的輸出電流是否正常。根據信號狀態分析,判斷故障發生在哪個回路,然后對相關變送器、接線、供電進行檢查。
以上外部回路的檢查方法也適用于串級控制CPID模塊。該模塊是將兩個常規PID控制模塊集成在一起,形成一個功能豐富,使用簡便的組合控制模塊。它仍有主變送器和副變送器兩路輸入信號及副調節器一路輸出信號。
4、工藝參數檢測傳遞回路
圖8是個流量檢測差壓傳遞回路示意圖,比電氣回路圖更直觀,這里的回路是針對導壓管中的測量介質而言,就是差壓信號的傳遞回路,如圖中的虛線所示。正常時節流裝置前后有隨流量變化的壓力差,正管的壓力永遠大于負管,流量越大差壓也越大,變送器的輸出電流也越大,通常要求儀表在規定的測量范圍內,導壓管及閥門通暢,測量介質要充滿導壓管路但又不能讓它流動,只有在排污操作時才允許測量介質流動。測量介質出現流動,說明流量檢測系統有泄漏故障,如平衡閥內漏,取樣網、排污閥、導壓管或接頭泄漏。閥門或導壓管有堵塞,導壓管或差壓變送器測量室中帶有氣體、液體,都會使差壓傳遞回路不通暢,會導致差壓信號傳遞的失真,使變送器的輸出電流失常。

圖8 流量檢測差壓式傳遞回路示意圖
差壓信號在傳遞過程中,會受到導壓管件(包括導壓管、閥門、冷凝器、隔離器)阻力的影響,尤其是蒸汽流量的測量,導壓管件阻力對測量的影響更大,很多蒸汽流量測量系統都有氣、液兩相流存在,導壓管的粗細、閥門的類型、閥門安裝位置的變化、導壓管接頭的焊接質量、變送器的安裝位置等,都會影響到關鍵阻力的大小,從而影響差壓信號傳遞的正確性。在分析、判斷故障時先對管件部分進行檢查,確定沒有問題再檢查變送器計顯示儀表。
以上4個儀表回路及控制系統回路的分解例子只是提供一些思路和方法,昌暉儀表的目的是使大家受到啟發能舉一反三,并能結合現場的實際進行應用。
