Pt100接線錯誤將導致顯示控制儀顯示值虛高,本文對Pt100接線方式及顯示控制儀電阻測量回路進行分析,提出Pt100與顯示控制儀正確的接線方式。
筆者所在寧波港股份有限公司北侖礦石碼頭分公司的斗輪堆取料機與裝船機主要減速箱均安裝有Pt100鉑熱電阻作為測溫元件,并通過顯示控制儀將Pt100鉑熱電阻阻值變送為實際溫度,從而實現減速箱的油溫保護。但在實際使用中,我們發現顯示控制儀YR-GFC803-01-09-HL-N-T顯示的溫度往往較減速箱實際油溫(水銀溫度計測量結果)偏高5-8℃。經過實驗分析,我們發現主要是由于Pt100鉑熱電阻誤的接線方式引起了測量誤差。根據該結論,我們調整了Pt100鉑熱電阻的接線方式,成功消除了測量誤差。
1、Pt100鉑熱電阻測溫原理
鉑熱電阻的阻值隨溫度的變化而變化,一般情況下,其阻值隨溫度的增加而增大,根據《GB/T30121-2013工業鉑熱電阻及鉑感溫元件》其電阻值計算公式為:
-200<t<0℃,Rt=R0[1+At+Bt2+C(T-100)t3]
0≤t小于850℃,Rt=R0(1+At+Bt2)
其中t為鉑熱電阻溫度,Rt為t℃時的鉑熱電阻阻值,R0為0℃時的阻值。公式中的A、B、C為常數,其數值為別為:A=3.9083×10-3、B=-5.775×10-7、C=-4.183×10-12。
而Pt100鉑熱電阻,即是其在0℃時它的阻值為100歐姆,在100℃時它的阻值約為138.5歐姆。因此,只要測得Pt100鉑熱電阻的準確阻值,即可得到Pt100傳感器的所處溫度。
2、鉑熱電阻測溫誤差分析
由于斗輪堆取料機及裝船機均利用Pt00取料,鉑熱電阻實現減速箱油溫保護,并將Pt100顯示控制儀YR-GFC803-01-09-HL-N-T高油溫報警輸出信號接入機上的連鎖保護,因此對Pt100的測量精度有一定要求。但在夏季,在環境溫度較高的條件下,Pt100鉑熱電阻測溫又虛高,導致斗輪堆取料機及裝船機相應高油溫故障頻發,嚴重影響設備的正常運行,因此,筆者對該問題進行了實驗與認真分析。
在實際使用中,斗輪堆取料機與裝船機Pt100鉑熱電阻均隨減速箱布置在各個現場,而與Pt100鉑熱電阻配套使用的顯示控制儀YR-GFC803-01-09-HL-N-T則集中安置在斗輪堆取料機與裝船機電氣房內。顯示控制儀與鉑熱電阻之間敷設有4×0.5mm2控制電纜,實際使用2芯,備2芯,電纜長度約為50米至70米。通過現場實驗,可以發現將顯示控制儀臨時固定在Pt00鉑熱電阻旁邊時,所測得的溫度與水銀溫度計測量結果比較幾乎沒有誤差,一旦將Pt100鉑熱電阻恢復接入較遠的顯示控制儀,則誤差隨著電纜長度的增加而增加。由于Pt100鉑熱電阻的電阻值隨著溫度增加而增加,測得的電阻值一旦偏大會導致了Pt100鉑熱電阻測溫虛高。而在本項目中,正是由于顯示控制儀與Pt100鉑熱電阻之間的電纜本身電阻的阻值較大導致測量誤差的存在。
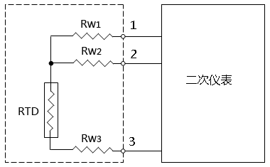
3、Pt100鉑熱電阻三線制接線與顯示控制儀電阻測量回路分析
由于顯示控制儀YR-GFC803-01-09-HL-N-T與Pt100鉑熱電阻之間的電纜電阻客觀存在,因此必須采取合理的技術方案,消除該電纜電阻帶來的測量誤差。以美國微芯公司(Microchip)的三線制熱電阻測量方案AN687為例,該方案由恒流源電路、電阻測量回路、模數轉換電路、濾波增益回路、單片機等組成,我們重點分析比較其中的電阻測量回路(圖1)。

圖1 熱電阻三線制接法電阻值測量方案
①該測量回路中有恒流源輸入I;
②RTD為所需要測量的鉑熱電阻,設RTD鉑熱電阻電壓為VR;
③RW1、RW2、RW3為熱電阻至顯示控制儀的線路等效電阻,由于線路長度一致,RW1=RW2=RW3,設三段線路電壓分為為VW1、VW2、VW3;
④設運算放大器A3反向輸入端電壓為V-,同相輸入端電壓為V+,輸出端電壓為VA3。根據測量回路,我們可以的得到(VW1+VR+VW3-V-)/R5=(V--VA3)/R6;由于V-=V+=VR+VW3且R5=R6,得VA3=VR;由于該測量回路輸入為恒流源,測得運算方法器A3的輸出端VA3,即得到VR電壓并換算得到RTD電阻值,該阻值進一步處理即可得到熱電阻溫度。由此可見該三線制測量方案(圖2)成功消除了Pt100測量回路中Pt100鉑電阻至顯示控制儀的線路電阻帶來的誤差。

圖2 Pt100三線制
而原先港機廠商提供的接線方案中,雖然采用了三線制顯示控制儀,但實際接線時接了兩根線,并在顯示控制儀接線端子處端接了1、1端子(見圖3),導致測量回路中RW1近似為零,則VW1也為零,將該結果代入公式(VW1+VR+VW3-V-)/R5=(V--VA3)/R6,得到VA3=VR+RW3,即在測量回路中代入了測量回路中線路電阻阻值,導致整個測量結果虛高。

圖3 現場Pt00實際接線方案
根據上述分析結果,筆者調整Pt100鉑熱電阻的接線方式,將原有4芯電纜未接入的第三芯投入使用,使Pt100鉑熱電阻的接線方式修正為三線制,即成功的消除了測溫誤差,保證了Pt100鉑熱電阻測溫精度。
4、Pt100鉑熱電阻四線制接法分析
Pt100鉑熱電阻的四線制接法,也是一種理想接法(見圖4)。鉑熱電阻四線制接法在該方案中,只要通過1、4端子給鉑熱電阻輸入一恒流電流I,并將2、3端子接入電壓表。由于電壓表內阻較大,測得的電壓即為鉑熱電阻電壓,該電壓除去電流I后就可以得到鉑熱電阻阻值。四線制接法以其高精度在實驗室溫度測量中得到廣泛應用,但是,由于使用成本、接線方便性等因素的制約,在工業現場實際使用中,三線制接法的使用更加廣泛。

圖4 Pt100四線制
根據以上分析,Pt100鉑熱電阻的使用雖然簡單,但由于測量回路線路電阻的影響,需要根據實際使用情況選擇三線制或四線制接法及相應的顯示控制儀,切不可隨意短接顯示控制儀側的端子,否則必然存在溫度虛高現象。如果實際使用中已采用兩線制Pt100鉑熱電阻,且現場環境重新布線不便的條件下,也可以考慮測量出顯示控制儀至Pt100的控制電纜電阻,將該阻值換算為溫度后,可直接在顯示控制儀YR-GFC803-01-09-HL-N-T上通過Pb1參數,直接減去該部分溫度,抵消線路電阻帶來的測量誤差。
推薦閱讀
Pt100兩線制、三線制和四線制接線對測溫精度的影響
