昌暉儀表設計的恒流源驅動Pt100高精度溫度測量電路利用LTC2492 A/D轉換器對信號進行采樣,將信號傳送給ATMEGA32單片機,單片機進行數據處理并保存和顯示數據。實驗測試結果表明,該電路溫度測量的精度和穩定性均可以達到5‰之內,與理論值一致。恒流源驅動Pt100高精度溫度測量電路通過采樣溫度穩定系數高的高精密電阻的電壓和鉑電阻電壓的比值,消除了恒流源由于溫度漂移等因素影響的電流變化,使得輸出電壓比值與鉑電阻成良好的線性關系。
溫度作為表征物體冷熱程度的物理量,與很多物理現象和化學性質有關。不同的領域對溫度測量精度要求各不相同,某些工藝對控溫精度要求很高,尤其是一些精密設備逐漸應用到我們的生產生活中,如光刻機、超精密器件加工、色譜儀等。然而,目前某些設備中,出于技術難度、儀器體積和應用成本的考慮,一般僅僅配置由熱敏電阻或集成型數字測溫芯片構成的測溫探頭,其測量精度只能達到0.1-0.2℃,無法滿足測量的需求。工業上溫度的檢測方法有多種,常用的有熱電阻、熱電偶、PN結型及石英諧振型等,目前在高精度測量中,全球范圍內大多使用標準鉑電阻溫度計。例如:美國國家實驗室采用標準鉑電阻溫度計對納米測試裝置的工作腔進行測試,其測試精度為0.001℃,但是測溫系統復雜、價格昂貴。針對生物制藥、精密加工、科研實驗等領域的溫度精密測量,本文對恒流源驅動四線制高精度溫度測量電路原理進行了分析、研究和設計,并分析了測量精度和穩定性,設計實現了一種滿足高精度測量溫度的電路。
1、Pt100高精度溫度測量電路設計
鉑電阻不僅具有測溫精度高、準確度高、靈敏度高、測溫性能好、耐氧化、耐腐蝕等優點,而且在溫度非常高的環境下性質都很穩定。因此,標準鉑電阻溫度計被國標ITS-90規定為基準測溫儀器,目前市場上已出現的Pt系列測溫熱電阻有Pt100、Pt10、Pt100、Pt200等傳感器。Pt100鉑電阻測溫范圍在-200~850℃之間,允許通過不高于5mA的電流,它的非線性偏差不超過0.5℃,最小置入深度不能小于200mm,其分辨率可達1mK。所以,當溫度變化范圍在-200~850℃之間時,可實現系統對環境溫度的測量精度要求,即溫度測量精度可以達到該電路的設計理論值1‰。
當鉑電阻被放置的環境溫度在-200~850℃之間變化時,其所置環境溫度變化與電阻阻值接近線性的關系,國標規定Pt1000鉑電阻在0℃時,其電阻值R0=100Ω。
①系統原理結構框圖
根據Pt100高精度溫度測量系統的設計要求,具體工作流程如圖1所示。設計電路包括單片機最小系統中央控制模塊、儲存電路、顯示電路、A/D采樣電路、改進的四線制恒流源驅動電路、電源電路和Pt100鉑電阻溫度傳感器。其中單片機微處理器選擇的是ATMEGA32,A/D轉換器選用的是24位的LTC2492,溫度傳感器選用的是Pt100鉑電阻。

圖1 高精度溫度測量系統原理結構框圖
Pt100高精度溫度測量系統采用Pt100鉑電阻溫度傳感器,通過恒流源電路作為驅動電路,恒流源本身電阻無限大,具有不受溫度變化影響的特點,從而被廣泛應用于電路的設計之中,其主要作用是為所設計的電路提供一個不隨負載變化而變化的恒定電流。在高精度測溫電路中需要準確地測得鉑電阻阻值的變化情況,以便可以將阻值變化轉變成電信號,從而轉化為數字信號,獲得待測環境的溫度。恒流源是準確測得鉑電阻阻值的前提條件。將與溫度有關的電阻信號變換成能被A/D轉換器接受的電壓信號。運用恒流源電路,使得輸出電壓與電阻成良好的線性關系,解決單片機處理的電壓信號的非線性變化問題。
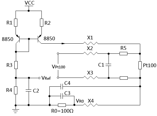
②Pt100高精度溫度測量電路設計
Pt100四線制接線是指鉑電阻的兩側分別接引兩根導線,是一種高精度的測溫方法。它在Pt100二線制接線方法上分別外接一根A/D采樣補償線和一根A/D對地補償線。其中鉑電阻一端的導線將鉑電阻的變化轉變成電信號,其他兩條導線將電信號傳送到信號處理器。這樣的接線方式將引線電阻的影響完全消減,可用于精度高、距離遠的場所。同時注意將恒流源輸出的電流控制在5mA以內,避免電流過大導致鉑電阻過熱而給測量帶來誤差。普通四線制恒流源驅動Pt100測溫系統受溫度電流漂移等影響,溫度測量準確率較低,很難超過0.1℃量級,因此,本文采用的是改進后的四線制接線法,以保證測量的精度和穩定度。具體Pt100高精度溫度測量電路設計如圖2所示。

圖2 改進的四線制Pt100恒流源驅動溫度測量電路原理圖
圖2中X1、X2、X3、X4分別為鉑電阻傳感器的四根引線的等效電阻。以R4電阻的電壓值做為基準電壓,在本設計中R4取值為500Ω,基準參考電壓、恒流源的設計嚴重影響著電路的的測量精度和穩定度?;鶞蕝⒖茧妷篤Ref是否穩定且低溫漂是保證本文中高精度測溫的重要前提。以三極管8550構成的鏡像電流源來減小外界干擾,避免誤差。在此基礎上串聯高精密電阻R0,此高精密電阻的溫度變化系數為1ppm,即溫度變化1℃其電阻值變化為10-6 Ω,本設計中R0取值為100Ω。
根據電子線路理論,Pt100鉑電阻溫度傳感器的電流I為

基準參考電壓VRef為VRef=I×R4; Pt100鉑電阻的電壓為VPt100=I×RPt100;精密電阻R0的電壓為VR0=I×R0
最終采取獲得Pt100鉑電阻的電壓和精密電阻R0的電壓二者電壓的比值,即

從而消除了恒流源由于溫度漂移等因素影響的電流變化,使得輸出電壓比值與鉑電阻成良好的線性關系。將得到的電壓信號通過24位A/D轉換器LTC2492進行采樣,然后將信號傳送給ATMEGA3232單片機,單片機對數據進行處理并保存和顯示數據。該電路的溫度測量的穩定性可以達到1‰。
2、恒流源驅動Pt100高精度溫度測量電路設計結果與分析
根據系統結構流程框圖和設計電路,高精度溫度測量系統電路測試驗證通過改變電位器的阻值來模擬鉑電阻溫度傳感器測試,利用福祿克5?多用表8808A測量電位器的阻值進行測量標定。取部分測量數據作為測量儀測量Pt100的標準值,如表1第1列所示;第2-第4列分別為參考電壓值、精密電阻R0的電壓值V100和Pt100的電壓值VPt100;最后1列為Pt100的測量計算值。
表1 高精度溫度測量電路測量數據
Pt100/Ω VRef/V V100/mV VPt100/mV 測量值/Ω
90.033 1.11871 214.34 192.92 90.0263
95.007 1.11864 214.59 203.83 95.0067
100.026 1.11846 214.08 214.09 100.0267
105.434 1.11846 214.22 225.80 105.4288
109.910 1.11848 214.24 235.43 109.9150
115.161 1.11848 214.25 246.69 115.1665
120.011 1.11855 214.16 256.94 120.0021
125.078 1.11894 214.22 267.88 125.0765
129.760 1.11847 214.23 277.91 129.7536
134.820 1.11847 214.27 288.81 134.8175
根據表1系統測量采樣數據,通過
可計算鉑電阻傳感器的阻值,再通過下面公式求解出溫度測量值。經過數據計算,數據平均相對誤差為1.1‰,其中最大相對誤差為4‰。

說明:公式中At為t℃時鉑電阻的電阻值,R0為0℃時鉑電阻的電阻值,A、B、C為系數,其中A=3.9082×10-3,B=-5.80195,C=-4.2735×10-12。
對恒流源驅動四線制Pt100高精度溫度測量電路原理進行了分析,設計了一種滿足高精度測量溫度的電路。選用Pt100鉑電阻,改進了恒流源驅動四線制高精度溫度測量電路,通過采樣溫度穩定系數高的高精密電阻和鉑電阻電壓的比值,消除了恒流源由于溫度漂移等因素影響的電流變化,使得輸出電壓比值與鉑電阻成良好的線性關系。利用LTC2492 A/D轉換器對信號進行采樣,將信號傳送給ATMEGA32單片機,單片機進行數據處理并保存和顯示數據。實驗測試結果表明,數據平均相對誤差為1.1‰,其中最大相對誤差為4‰。該電路的溫度測量精度和溫度測量的穩定性為實際應用提供參考。
作者:顧吉林、劉淼、耿楊、湯宏山、王聆語、于月、吳茜
