星形-三角形減壓起動、自耦變壓器減壓起動、串聯電阻減壓起動和軟啟動器常用于大功率電動機啟動及運行中,儀表維修工熟練掌握這四種電動機減壓起動方式的工作原理及控制回路,對提電氣設備維修和控制技能大有幫助。昌暉儀表在本文對三相異步電動機減壓起動方式做詳細介紹。
功率較大的三相異步電動機如果采用直接起動,由于起動電流較大,會使供電線路的電壓降低, 影響其他設備的運行。所以要采用減壓起動。但是減壓起動的結果,會使起動轉矩下降較多,所以減壓起動只適用于空載或輕載情況下起動電動機。
容量較小的電動機,可以直接起動,對于電動機的容量(視在功率)大于變壓器容量的8%以上或30kW以上的電動機都必須采用減壓起動。
昌暉儀表在本文將為大家介紹幾種常用減壓起動電路:
1、時間繼電器自動切換三相異步電動機星行-三角形減壓起動控制線路
星形-三角形減壓起動,也就是起動時采用星形聯結,待電動機達到正常轉速后,切換成三角形聯結,全壓運行。
①工廠實物圖


1、2、3是交流接觸器,4是時間繼電器,5是中間繼電器,6是電流互感器,7是熱繼電器,其中中間繼電器用于補充交流接觸器的輔助觸頭數量的不足。
②教學演示成品

1是主電路熔斷器,2是控制電路熔斷器,3、4、5是交流接觸器KM、KM△、KMy,6是熱 繼電器,7是時間繼電器,8是接線端子排,9是按鈕盒,10是停止按鈕,11是起動按鈕,12是主電路導線,13是控制電路導線
③星形-三角形減壓起動原理圖


星形-三角形減壓起動主電路原理圖1更便于制作,同時KM可與KM△選同一規格,主電路原理圖2中,所選用的KM的額定電流應比KM△大。
④星形-三角形減壓起動控制線路的工作原理
閉合斷路器QS。
按下SB1,1-時間繼電器KT的線圈得電,計時開始;2-KM線圈得電;由2得,3-KM常閉輔助觸頭(位于圖中7與8之間)斷開, 聯鎖(KM△線圈所在電路斷開);4-KM常開輔助觸頭閉合; 5-KM主觸頭閉合;由4得,6-KM線圈得電;由6得,7-KM兩個常開輔助觸頭(位于圖中4與7、3與4之間)閉合,實現了對KM和SB1的自鎖;8-KM主觸頭閉合;由5和8的共同作用, 電動機M以星形聯結方式起動。
由1,達到整定時間得,9-時間繼電器KT通電延時斷開觸頭斷開;由9得,10-KMy線圈失電;由10得,11-KMy主觸頭斷開,電動機暫時失電;12-KM常閉輔助觸頭(位于圖中7與8之間)閉合,KM△線圈得電;13-KMy常開輔助觸頭斷開,由于有結果8的存在,結果13對電路沒有影響;由12得,14-KM△主觸頭閉合,電動機以三角形聯結運行;15-KM△常閉輔助觸頭斷開,時間繼電器KT線圈失電,KT通電延時斷開觸頭復位(閉合)。
停止工作原理:按下SB2,各個觸頭全部復位,電動機失電停止。
⑤布線圖
事先畫出布線圖,有利于快速、正確地完該控制線路的實物制作。

⑥星形-三角形減壓起動優缺點
優點:該控制線路制作成本低,因此被廣泛應用。
缺點:減壓比固定(0.58倍),不能根據需要調節減壓比。起動轉矩較小(只有全壓起動轉矩的1/3), 當起動負荷較大時,可能不符合要求。
⑦所需元器件
名稱 數量 備注
電動機 1 3kW以下小型電動機
主電路導線 4mm2或2.5mm2鋁芯線
控制電路導線 2.5mm2或1.5mm2鋁芯線
斷路器 1 也可以用帶熔絲的刀開關
主電路熔斷器 3 RL1-60/20
控制電路熔斷器 2 RL1-15/5
三相異步電動機 1 三角形聯結方式
交流接觸器 3
熱繼電器 1 JR10-10
接線端子排 1 16-20對接線端子
按鈕 2
電工工具 螺絲刀、尖嘴鉗、剝線鉗
萬用表 1
時間繼電器 1 JS14-P
2、三相異步電動機自耦變壓器減壓起動控制線路
自耦變壓器減壓起動是利用自耦變壓器來降低起動時加在定子繞組上的電壓,達到限制起動電流的目的。
所選的自耦變壓器的容量(視在功率)應與電動機的容量相當,用于減壓起動的兩個交流接觸器工作時間短,為了節約成本,可選擇小于主電路的交流接觸器。
①實物圖
a、自耦變壓器

1、2、3為鋁排(導線),4為自耦變壓器鐵心(局部),5、6、7為自耦變壓器繞組,8、9、10為銅纜(導線),1、8為自耦變壓器繞組5的兩根出線,2、9為自耦變壓器繞組6的兩根出線,3、10為自耦變壓器繞組7的兩根出線,各個繞組的抽頭在圖中各繞組后面(圖中看不見)
b、電流互感器與局部主電路

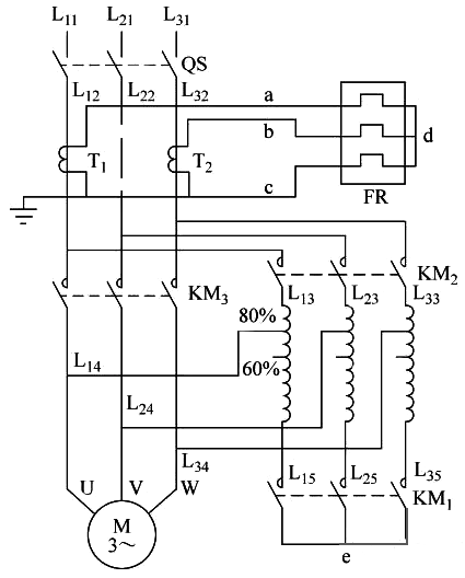
1-9為鋁排(1、4、7 為L12,2、5、8為L22,3、6、9為L32);10、11電流互感器T;12、13交流接觸器(12是原理圖中的KM3,13是原理圖中的KM2)。
C、自耦變壓器減壓起動柜元件實物圖

1、2是按鈕SB1、SB2(按鈕帽在門外);3是時間繼電器KT(4個,其中一個用于減壓起動,另外幾個用于保護電路);4是中間繼電器KA(3個,其中一個用于減壓起動控制電路,另外3個用于保護電路);5是熱繼電器FR;6是斷路器QS;7、8、9是鋁排;10是電流互感器T1、T2(圖中只能看到1個,套在主電路導線上,用于測主電路電流),給熱繼電器提供電能;11、12、13是交流接觸器(KM3、KM2、KM1);14是控制電路熔斷器FU2;15、16、17、18是三相自耦變壓器;19是報警器(電鈴);20是時間累計器(記錄電動機運行總時間)。
②自耦變壓器減壓起動原理圖

自耦變壓器減壓起動主電路原理圖

自耦變壓器減壓起動控制電路原理圖
電流互感器T1、T2通過三根導線a、b、c與熱繼電器FR相連接,d為短接線,其中接地線可以省略。若選取50/5的電流互感器,熱繼電器的整定值為干路電流的1/10; 自耦變壓器各相繞組有80%、60%兩組抽頭,該電路使用80%抽頭;主電路導體的規格選擇要根據電流大小決定,可分別選用鋁排或銅纜;KM1、KM2主觸頭閉合,減壓起動;KM3主觸頭閉合,全壓運行,這時KM1必須斷開, 否則自耦變壓器未能脫離電源,電路將會出現不必要的銅耗和鐵耗
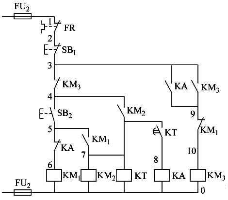
③自耦變壓器減壓起動控制電路工作原理
合上電源開關QS
按下SB2, KM1線圈得電,1-KM1常閉輔助觸頭斷開,聯鎖(KM3線圈所在的電路斷開);2-KM1主觸頭閉合;3-KM1常開輔助觸頭閉合;由3得,4-KM2線圈得電;5-時間繼電器KT線圈得電;由4得,6-KM2主觸頭閉合;7-KM2常開輔助觸頭閉合,自鎖;由2和6的共同作用,電動機M減壓起動;由5,經過整定時間,KT延時閉合觸頭閉合,8-中間繼電器KA線圈得電;由8得,9-KA常閉觸頭先斷開,10-KA常開觸頭后閉合;由9得,11-KM1線圈失電;由11得,12-KM1主觸頭斷開,13-KM1常閉輔助觸頭閉合;由10和13的共同作用,得,14-KM3線圈得電;由14得,15-KM3常閉輔助觸頭先斷開,聯鎖(KM2、KT、KA所有觸頭全部復位,電動機暫時失電,減壓起動結束),16-KM3主觸頭閉合,17-KM3常開輔助觸頭后閉合,自鎖;由16、17得, 電動機全壓運行
④檢測
斷開QS, 根據各元件線圈電阻, 然后根據原理圖, 同時或分別按下SB2、KM1、KM2、KM3, 測L1、L2之間的電阻, 計算其阻值與測量值是否相符
⑤自耦變壓器減壓起動優缺點
優點:減壓比不固定(80%、75%、60%、50%), 用戶能根據起動轉矩的需要選擇減壓比(選擇不同的抽頭)
缺點:控制線路制作成本較高
⑥所需元器件
名稱 數量 備注
電動機 1 3kW以下小型電動機
主電路導線 4mm2或2.5mm2鋁芯線
控制電路導線 2.5mm2或1.5mm2鋁芯線
斷路器 1 也可以用帶熔絲的刀開關
主電路熔斷器 3 RL1-60/20
控制電路熔斷器 2 RL1-15/5
時間繼電器 1
電流互感器 2
自耦變壓器 1 三相,抽頭80%為宜
三相異步電動機 1 三角形聯結方式
交流接觸器 3
熱繼電器 1 JR10-10
接線端子排 1 16-20對接線端子
按鈕 2
電工工具 螺絲刀、尖嘴鉗、剝線鉗
萬用表 1
3、三相異步電動機串聯電阻減壓起動控制線路
電動機起動時,三相定子繞組串聯分壓電阻,實現減壓起動,起動結束后,再將電阻短接,使電動機全壓運行。由于電阻的限流作用,三相異步電動機起動時,利用串聯電阻分壓,降低繞組起動電壓和干路起動電流,同時串聯電阻減壓起動控制線路有定子繞組不受電動機接線形式的限制、控制電路簡單等優點。
①自制分壓電阻器
自制電阻的材料規格和減壓起動過程中各電學量的參考值
②串聯電阻減壓起動原理圖

③串聯電阻減壓起動控制電路工作原理
先合上電源開關QS。
按下SB1,KM1線圈得電,1-KM1常開輔助觸頭閉合,自鎖,2-KM1主觸頭閉合,電動機串聯電阻減壓起動,3-時間繼電器KT線圈得電;由3得,4-經過整定時間,KT延時閉合觸頭閉合;由4得,5-KM2線圈得電;由5得,6-KM2常閉輔助觸頭先斷開,聯鎖(即KM2此時不可能得電);7—KM2常開輔助觸頭后閉合,自鎖;由6得,8-KM1線圈失電,9-KT線圈失電,KT延時閉合觸頭斷開(復位);由8得,11-KM1主觸頭斷開,斷開電阻,減壓起動結束;由5得,8—KM2主觸頭閉合,電動機全壓運行。
停止過程:按下SB2,KM2線圈失電,所有觸頭全部復位。
④串聯電阻減壓起動優缺點
優點:起動瞬間,電阻分壓大,限流明顯,對整個電網影響小。起動結束時,電阻分壓逐步變小,電動機轉矩逐步增大。
缺點:電阻絲耗能。
4、三相異步電動機軟起動器
電動機軟起動器是一種減壓起動器,是繼星形-三角形起動器、自耦減壓起動器后,較先進的起動器。
軟起動器串接于電源與被控電動機之間,控制軟起動器內部晶閘管的導通角,使電動機輸入電壓從零以預設函數關系逐漸上升,直至軟起動器主電路連接圖起動結束,賦予電動機全電壓。
軟起動時具有起動電流小、起動速度平穩可靠、對電網和設備沖擊小等優點,且起動曲線可根據現場實際工況進行調整。
籠型異步電動機在不需要調速的各種應用場合都可應用軟起動器。
①軟起動器主電路連接圖

②軟起動器電氣控制總電路接線圖

軟起動器完成對電動機的起動過程后,旁路電磁接觸器的線圈得電、吸合,三相電源經旁路電磁接觸器給三相電動機供電。
