多圖詳解變頻器的端子功能與接線

2020/1/29 23:35:54 人評論 次瀏覽 分類:變頻器  文章地址:http://www.gzmengda.com/tech/2224.html

昌暉儀表在介紹變頻器工作原理基礎上,深入講解電源、電機和變頻器接線圖及變頻器不同功能端子的作用,為電工和儀表工普及變頻器知識。

變頻器的功能是將工頻(50Hz或60Hz)交流電源轉換成頻率可變的交流電源提供給電動機,通過改變交流電源的頻率來對電動機進行調速控制。變頻器種類很多,主要可分為兩類:交-直-交型變頻器和交-交型變頻器。

交-直-交型變頻器利用電路先將工頻電源轉換成直流電源,再將直流電源轉換成頻率可變的交流電源,然后提供給電動機,通過調節輸出電源的頻率來改變電動機的轉速。

交-直-交型變頻器的典型結構框圖
交-直-交型變頻器的典型結構框圖

交-交型變頻器利用電路直接將工頻電源轉換成頻率可變的交流電源并提供給電動機,通過調節輸出電源的頻率來改變電動機的轉速。
交-交型變頻器的典型結構框圖

交-交型變頻器的典型結構框圖 
交-交變頻電路一般只能將輸入交流電頻率降低輸出,而工頻電源頻率本來就低,所以交-交型變頻器的調速范圍很窄,另外這種變頻器要采用大量的晶閘管等電力電子器件,導致裝置體積大、成本高,故交-交型變頻器使用遠沒有交-直-交型變頻器廣泛,因此昌暉儀表主要介紹交-直-交型變頻器。


接線圖

以三菱FR-A540型變頻器為例,總接線圖如下:
三菱FR-A540型變頻器總接線
三菱FR-A540型變頻器總接線 
變頻器的端子可分為主回路端子和控制回路端子。
變頻器主回路端子說明


端子記號     端子名稱                                          說明
R、S、T      交流電源輸入                             連接工頻電源。但使用高功率因素轉換器時,確保這些端子不連接(FR-HC)
U、V、W    變頻器輸出                                連接三相鼠籠電機
R1、SI        控制回路電源                             與交流電源端子R、S連接。在保持異常顯示和輸出時或當使用高功率因素轉換器
                                                                    時,請拆下R-R1、S-S1之間的短路片,并提供外部電源到此端子
P、PR         連接制動電阻器                         拆開端子PR-PX之間的短路片,在P-PR之間連接選件制動電阻器
P、N           連接制動單元                            連接選件FR-BU型制動單元或電源再生單元或高功率因素轉換器
P、P1         連接改善功率因素DC電抗器       拆開端子P-P1間的短路片,連接選件改善功率因素用電抗器(FR-HC)
PR、PX       連接內部制動回路                      用短路片將PX-PR間短路時(出廠設定)內部制動葫蘆變生效
                   接線                                          變頻器外殼接地用,必須接大地

◆ 控制回路端子說明

變頻器主回路接線

變頻器主回路接線端子排如下圖所示。端子排上的R、S、T端子與三相工頻電源連接,若與單相工頻電源連接,必須接R、S端子;U、V、W端子與電動機連接;P1、P端子,RP、PX端子,R、R1端子和S、S1端子用短接片連接;接地端子用螺絲與接地線連接固定。
變頻器主回路接線端子排

變頻器主回路接線端子排

1、變頻器主回路接線原理
變頻器主回路接線原理圖

主回路接線原理圖
R、S、T端子外接工頻電源,內接變頻器整流電路。
U、V、W端子外接電動機,內接逆變電路。
P、P1端子外接短路片(或提高功率因素的直流電抗器),將整流電路與逆變電路連接起來。
PX、PR端子外接短路片,將內部制動電阻和制動控制器件連接起來。如果內部制動電阻制動效果不理想,可將PX、PR端子之間的短路片取下,再在P、PR端外接制動電阻。
P、N端子分別為內部直流電壓的正、負端,如果要增強減速時的制動能力,可將PX、PR端子之間的短路片取下,再在P、N端外接專用制動單元(即制動電路)。
R1、S1端子內接控制電路,外部通過短路片與R、S端子連接,R、S端的電源通過短路片由R1、S1端子提供給控制電路作為電源。如果希望R、S、T端無工頻電源輸入時控制電路也能工作,可以取下R、R1和S、S1之間的短路片,將兩相工頻電源直接接R1、S1端。

2、電源、電動機與變頻器的連接
電源、電動機與變頻器的連接
電源、電動機與變頻器的連接

在連接時要注意電源線絕對不能接U、V、W端,否則會損壞變頻器內部電路,由于變頻器工作時可能會漏電,為安全起見,應將接地端子與接地線連接好,以便泄放變頻器漏電電流。

3、變頻器選件的連接

變頻器的選件較多,主要有外接制動電阻、FR-BU制動單元、FR-HC提高功率因數整流器、FR-RC能量回饋單元和改善功率因數直流電抗器等。下面就先介紹常用的外接制動電阻和直流電抗器的連接,其它選件的連接可參見三菱FR-A540型變頻器使用手冊。
外部制動電阻的連接
變頻器外接制動電阻的連接
變頻器外接制動電阻的連接

先將PR、PX端子間的短路片取下,然后用連接線將制動電阻與PR、P端子連接。
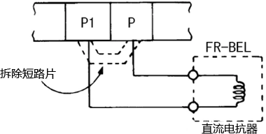
直流電抗器的連接
直流功率因數電抗器的連接
直流功率因數電抗器的連接

先將P1、P端子間的短路片取下,然后用連接線將直流電抗器與P1、P端子連接。

4、控制回路外接電源接線
控制回路外接電源接線
控制回路外接電源接線

控制回路電源端子R1、S1默認與R、S端子連接。在工作時,如果變頻器出現異常,可能會導致變頻器電源輸入端的斷路器(或接觸器)斷開,變頻器控制回路電源也隨之斷開,變頻器無法輸出異常顯示信號。為了在需要時保持異常信號,可將控制回路的電源R1、S1端子與斷路器輸入側的兩相電源線連接,這樣斷路器斷開后,控制回路仍有電源提供。

變頻器控制回路接線

1、控制回路端子排 
2、改變控制邏輯
FR-A540型變頻器有漏型和源型兩種控制邏輯,出廠時設置為漏型邏輯。若要將變頻器的控制邏輯改為源邏輯,可按下圖進行操作,具體操作過程如下:
FR-A540型變頻器外形
將變頻器前蓋板拆下。

改變變頻器跳線
松開控制回路端子排螺絲,取下端子排;在控制回路端子排的背面,將控制邏輯設置跳線上的短路片取下,再安裝到旁邊的另一個跳線上。
這樣就將變頻器的控制邏輯由漏型控制轉設成源型控制。
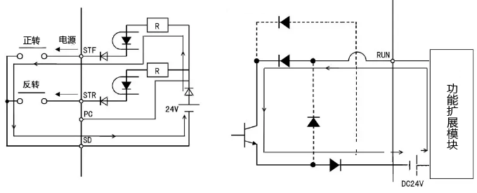
變頻器工作在漏型控制邏輯的典型接線圖
變頻器工作在漏型控制邏輯的典型接線圖

圖中的正轉按鈕接在STF端子與SD端子之間,當按下正轉按鈕時,變頻器內部電源產生電流從STF端子流出,經正轉按鈕從SD端子回到內部電源的負極,該電流的途徑如圖所示。另外,當變頻器內部三極管集電極開路輸出端需要外接電路時,需要以SE端作為公共端,外接電路的電流從相應端子(圖中的RUN端子)流入,在內部流經三極管,最后從SE端子流出,電流的途徑如圖中箭頭所示,圖中虛線連接的二極管表示在漏型控制邏輯下不導通。
變頻器工作在源型控制邏輯的典型接線圖

變頻器工作在源型控制邏輯的典型接線圖
圖中的正轉按鈕需接在STF端子與PC端子之間,當按下正轉按鈕時,變頻器內部電源產生電流從PC端子流出,經正轉按鈕從STF端子流入,回到內部電源的負極,該電流的途徑如圖所示。另外,當變頻器內部三極管集電極開路輸出端需要外接電路時,須以SE端作為公共端,并要求電流從SE端流入,在內部流經三極管,最后從相應端子(如圖中的RUN端子)流出,電流的途徑如圖中箭頭所示,圖中虛線連接的二極管表示在源型控制邏輯下不能導通。

3、STOP、CS和PC端子的使用
①STOP端子的使用
啟動信號自保持的接線圖(漏型邏輯)

啟動信號自保持的接線圖(漏型邏輯)
需要進行停止控制時使用該端子。上圖中的停止按鈕是一個常閉按鈕,當按下正轉按鈕時,STF端子會流出電流,途徑是:STF端子流出→正轉按鈕→STOP端子→停止按鈕→SD端子流入,STF端子有電流輸出,表示該端子有正轉指令輸入,變頻器輸出正轉電源給電動機,讓電動機正轉。松開正轉按鈕,STF端子無電流輸出,電動機停轉。如果按下停止按鈕,STOP、STF、STR端子均無法輸出電流,無法啟動電動機運轉。
②CS端子的使用
端子CS-SD短接,在需要進行瞬時掉電再啟動和工頻電源與變頻器切換時使用該端子。
例如在漏型邏輯下進行瞬時掉電再啟動,先將端子CS-SD短接,再將參數Pr.57設定為除“9999”以外的“瞬時掉電再啟動自由運行時間”。
③PC端子的使用
使用PC、SD端子可向外提供直流24V電源時,PC為電源正極,SD為電源負極(公共端)。PC端可向外提供18V至26V直流電壓,容許電流為0.1A。
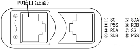
PU接口的連接
PU接口的連接


PU接口外形與各引腳定義

1、PU接口與帶有RS-485接口的計算機連接
計算機與單臺變頻器連接時,PU接口的連接如下圖所示。在連接時,計算機的RS485接口和變頻器的PU接口都使用RJ45接頭(俗稱水晶頭),中間的連接線使用10BASE-T電纜(如計算機聯網用的雙絞線)。
由于PU接口的引腳②和引腳⑧的功能是為操作面板提供電源,在與計算機進行RS485通訊時不用這些引腳。
PU接口與RS-485接口的接線方法
PU接口與RS-485接口的接線方法

計算機與多臺變頻器連接時,PU接口的連接如下圖所示。圖中分配器的功能是將一路信號分成多路信號,另外,由于傳送速度、距離的原因,可能會出現信號反射造成通信障礙,為此可給最后一臺變頻器的分配器安裝終端阻抗電阻(100Ω)。
計算機與多臺變頻器連接
計算機與多臺變頻器連接

計算機與多臺變頻器接線方法

計算機與多臺變頻器接線方法

2、PU接口與帶有RS232C接口的計算機連接

由于大多數計算機不帶RS485接口,而帶RS232C接口(串口,又稱COM口)的計算機較多,為了使帶RS232C接口的計算機也能與PU口連接,可使用RS232C轉RS485接口轉換器。

很感謝您耐心讀完本文!到此相信你對變頻器的端子功能和變頻器接線圖已經有了初步的認識,但這還不夠,要想熟練調試和運用變頻器,最好在閱讀本站“變頻器”欄目的其他技術文章。

共有訪客發表了評論 網友評論

  客戶姓名:
郵箱或QQ:
驗證碼: 看不清楚?