用分離元件組裝單相固態繼電器電路

2018/12/22 0:33:52 人評論 次瀏覽 分類:電子技術  文章地址:http://www.gzmengda.com/tech/2305.html

昌暉儀表在本文分享一個用分離元件組裝單相固態繼電器的電路,供電子愛好者DIY固態繼電器使用。

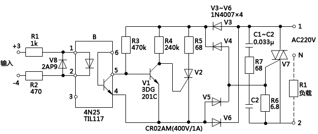
組裝電路原理圖見下圖,圖中V7為雙向晶閘管,400V/5-10A(根據負載選擇電流)裝在散熱片上,其余元件可裝在一塊50×70mm的印刷電路板上。

分離元件組裝單相固態繼電器的電路

電路工作原理如下:當輸入端3、4有控制電壓(6-30V)輸入時,光電轉換器B的4、5腳導通,V1截止、V2導通,經二極管V3-V6觸發V7,主電路的1端經V7到主電路的2端把負載接通。當輸入端3、4無電壓輸入時,V1導通、V2截止,V7也截止,負載脫離電源。


固態繼電器配套儀表
溫控器                移相觸發器
      溫控器                       移相觸發器

共有訪客發表了評論 網友評論

  客戶姓名:
郵箱或QQ:
驗證碼: 看不清楚?