開關電源日益廣泛地應用到各種數顯儀表、通信設備以及家用電器等電子中,其電磁干擾問題及與其它電子設備的電磁兼容問題已日益成為人們關注的熱點,未來電磁干擾及其相關問題必將得到更多研究。昌暉儀表在本文對開關電源EMI的原因和如何解決開關電源EMI問題做探討。
開關電源的EMI干擾源集中體現在功率開關管、整流二極管、變壓器等。
1、功率開關管
功率開關管工作在On-Off 快速循環轉換的狀態,dv/dt和di/dt都在急劇變換,因此,功率開關管既是電場耦合的主要干擾源,也是磁場耦合的主要干擾源。
在電路中的電感及寄生電感中快速的電流變化產生磁場從而產生較高的電壓尖峰:UL=LdiL/dt;在電路中的電容及寄生電容中快速的電壓變化產生電場從而產生較高的電流尖峰:ic=Cduc/dt
磁場和電場的噪聲與變化的電壓和電流及耦合通道如寄生的電感和電容直接相關。直觀的理解,減小電壓率du/dt和電流變化率di/dt及減小相應的雜散電感和電容值可以減小由于上述磁場和電場產生的噪聲,從而減小EMI干擾。
2、變壓器
變壓器的EMI來源集中體現在漏感對應的di/dt快速循環變換,初次級層間電容,變壓器的漏感是功率開關管關斷尖峰電壓產生的重要原因之一。
初級次級的漏感及初級的層間電容、次級的層間電容、初級和次級之間的耦合電容則是噪聲的通道。初級或次級的層間電容可以通過減小繞組的層數來降低,增大變壓器骨架窗口的寬度可在減小繞組的層數。分離的繞組如初級采用三明治繞法可以減小初級的漏感,但由于增大了初級和次級的接觸面積,因而增大了初級和次級的耦合電容。采用銅皮的Faraday屏蔽可以減小初級與次級間的耦合電容。Faraday屏蔽層繞在初級與次級之間,并且要接到初級或次級的靜點如初級地和次級地。Faraday屏蔽層使初級和次級的耦合系數降低,從而增加了漏感。
變壓器所包含的寄生電容的模型見圖1中所示。

變壓器寄生電容模型
說明:上圖中Cp: 初級繞組的層間電容;Coe: 輸出線到大地的電容;Cme: 磁芯到大地的電容;Ca: 最外層繞組到磁芯的電容;Ct: 輔助繞組到次級繞組的電容;Cs: 初級繞組到次級繞組的電容;Cm: 最內層初級繞組到磁芯的電容。
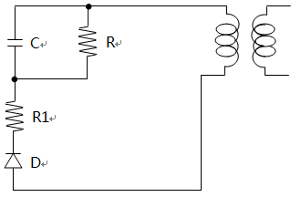
RCD箝位電路(如圖2)用于抑止由于變壓器的初級漏感在開關管關斷過程中產生的電壓尖峰。加RCD電路會消耗一定功率降低系統的效率同時成本也會增加,因此要根據實際的需要選擇使用。

圖2 RCD吸收電路
3、整流二極管
整流二極管的EMI來源集中體現在反向恢復特性上,反向恢復電流的斷續點會在電感(引線電感、雜散電感等)產生高dv/dt,從而導致強電磁干擾。
理想的二極管在承受反向電壓時截止,不會有反向電流通過。而實際二極管正向導通時,PN結內的電荷被積累,當二極管承受反向電壓時,PN結內積累的電荷將釋放并形成一個反向恢復電流,它恢復到零點的時間與結電容等因素有關。反向恢復電流在變壓器漏感和其他分布參數的影響下將產生較強烈的高頻衰減振蕩。因此,輸出整流二極管的反向恢復噪聲也成為開關電源中一個主要的干擾源??梢酝ㄟ^在二極管兩端并聯RC來抑制。
4、PCB
PCB是上述干擾源的耦合通道,Layout的設計優劣,直接對應著對上述EMI源抑制的好壞。PCB畫板時要注意以下幾個回路盡量短: ①初級大電流回路;②次級大電流回路;③輔助繞組VCC供電回路;④RCD吸收回路。
如今在開關電源體積越來越小,功率密度越來越大的趨勢下,EMI/EMC問題成為了開關電源穩定性的一個關鍵因素,也是一個最容易忽視的方面。開關電源的EMI抑制技術在開關電源設計中占有很重要的位置。實踐證明,EMI問題越早考慮、越早解決,費用越小、效果越好。昌暉儀表希望本文能對廣大電子工程師后續設計有一定的參考作用。
作者:官庚、莊蘇巧
開關電源相關閱讀
開關電源噪聲源和減小噪聲的措施
數顯表的開關電源與線性電源的區別
