4-20mA信號源通常由過程校驗儀提供,但其價格不菲。在現場維修中只是想用4-20mA電流信號來檢査儀表,及判斷故障所在時,用高檔過程校驗儀是有點大材小用,尤其是一些中小企業,由于儀表數量有限,儀表工如能自己動手做一個簡易的電流信號源,既滿足了需要還鍛煉了動手能力,何樂而不為。
4-20mA電流信號源制作方案
用三端穩壓器來制作電流信號源,其電路簡單、價格低、取材容易,且固定式或可調式三端穩壓器都可以用來制作電流信號源。LM317是一種三端可調正電壓穩壓器,LM317的外形及引腳昌暉儀表建議參閱產品技術資料,如果在調節端和輸出端之間接一個可調電阻,就可組成可調式的精密穩流器。LM317產品資料推薦的穩流電路如圖1所示,LM317屬三端浮動穩壓器,工作時,LM317建立并保持輸出與調節端之間1.25V的標稱參考電壓Vref,而調節端的電流IAdj被設計和控制在100μA以下,并使其恒定不變。則該電路的輸出電流為:
式中Vref為標稱參考電壓,為1.25V;IAdj為調節端電流;R1為編程電阻。
圖1 LM317產品資料推薦的穩流電路
廠商推薦該電路的最小穩定電流為10mA。但LM317的最小穩定工作電流一般為1.5mA。LM317的生產廠不同、型號不同,其最小穩定工作電流也會略有差別。當LM317的輸出電流大于最小穩定工作電流時,LM317就能正常工作。通過實際應用LM317是可滿足4-20mA使用的。
4-20mA電流信號源制作方法
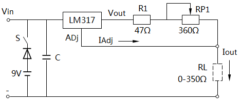
用LM317制作的穩流源如圖2所示,LM317的輸入Vin端接電源的正極,輸出Vout端接電阻后為穩流輸出,調節端則直接接至穩流輸出端Iout,負載RL則接在輸出端Iout與電源負極間。由于LM317的標稱參考電壓Vref為1.25V,且這個電壓是保持不變的,這個電壓就在Vout端與調節端ADj兩端,也就是電阻R1與RP1的兩端,如果電阻值是固定的,電壓也是固定的,則流過負載RL的電流就可以做到恒定不變。即電流Iout為:

利用上式就可確定R1與RP1的電阻值,當輸出電流為4mA時:

當輸出電流為20mA時:


圖2 LM317穩流源電路原理圖
當電阻R1與RP1的變化范圍為312.5-62.5Ω時,其輸出電流為4-20mA,以上的計算是理想狀態。由于電子元件參數的離散性,在選擇電阻值時要考慮到一定的可調整性,因此,選擇一個51Ω的固定電阻再串聯一個360Ω的電位器,就可實現4-20mA電流可調了。51Ω的電阻用錳銅電阻線繞制,360Ω的電位器則選擇X型的多圈線繞式電位器。經過實際調試,本穩流器的工作電源在9-24V范圍內都可正常工作。為了現場攜帶的方便也曾試過把供電電源減小至7.5V,但發現調不到20mA,從LM317的資料上知,其輸出電壓是變化的,并有一定的電壓差要求,況且在輸出20mA時,其輸出端電壓也必須是大于或等于5V的。
從式知由于電阻減小時輸出電流是增加的,而電阻增大時輸出電流是減小的。但是人們習慣的調整方向是順時針旋轉電位器時輸出增大,而逆時針旋轉電位器時輸出減小,因此在焊接電位器的引腳時要注意這一關系,以滿足操作習慣。
信號源的供電采取自備及外接形式,可使用一節6F22型9V的疊層電池,如果現場有電源時,則采用外接電源的方式,但要把電源開關S斷開,為了防止誤操作,在疊層電池電路中串了一只1N4001的二極管V作保護。
4-20mA電流信號源使用方法
該電流源可用來代替變送器的輸出電流,可用來在現場檢查變送器至控制室的電流信號傳輸是否正常、數顯儀表有沒有指示或能否按電流信號的增、減而變化;但不一定需要電流輸出信號的具體數值,只要輸出信號能增大或減少變化就行了。而在實驗室檢查數顯儀表時可作電流信號源使用使用前先接好相關的連線,把電位器逆時針旋轉到4mA,在輸出接線柱上接入要檢查的數顯儀表,并在被檢查儀表的輸入端串聯接入標準電流表,或通過250Ω電阻并聯接入數字電壓表;接通工作電源后調整電位器RP1,以得到需要的電流信號值,而輸出電流值應以標準電流表或數字電壓表的指示為準。
昌暉儀表儀表制造有限公司分享的這種簡易4-20mA電流信號源的制作方法,屬于簡易儀表工具的DIY,如果要保證信號輸出和測量的精度和可靠性,建議還是購買專業過程校驗儀YR-100,專業信號發生器信號輸出和測量可同時完成,只不過成本比文中所介紹的簡易4-20mA電流信號源要高。

相關閱讀
自己動手做電阻信號發生器
