分程控制在石油化工生產中比較常見,昌暉儀表在本文分享分程控制原理和分程控制應用兩方面知識,方便儀表工構建和用好分程控制系統。
一個簡單的負反饋控制系統,通常調節器的控制輸出只控制一個執行器或控制閥,如圖1所示。

圖1 單回路控制系統控制方框圖

圖2 采用一個調節閥特性示意圖
如果一個調解器的輸出同時送給兩個控制閥,可以構成如圖3和圖4所示的分程控制系統。這兩個閥門并聯使用,都是氣開閥。兩個閥門在控制信號的不同區間從全開到全關,走完整個行程。

圖3 分程控制系統方框圖

圖4 分程控制系統工作特性
由于氣動調節閥有氣開和氣關兩種特性,因此兩個閥門就有四種組合特性。如圖5~圖8所示。圖5和圖6表示閥門同方向運動,圖7和圖8表示兩個閥門作用方向相反。雖然分程控制可以是兩個以上閥門共同控制,但一般采用的是兩個閥門分程。

圖5 圖6


分程控制的應用
1、提高閥的可調比
設調節閥可控制最小流量為Qmin,可控制最大流量為Qmax,定義可調比或可調范圍R=Qmax/Qmin,多數國產閥門的可調比等于30,在有些場合不能滿足要求,希望提高可調比,適應負荷的大范圍變化,改善控制品質,這就可以采用分程控制。

以上圖中的氣開閥為例進行分析,設可控制的最大流量為200,R=30,可控制的最小流量為200/30=6.67。采用分程控制后,兩只閥門工作于不同的控制信號區間。對于這兩只閥門并聯而成的起分程控制作用的整體來說:可控制最小流量Q′min=Qmin=6.67;可控制最大流量Q′max=2×Qmin=400。則有可調比R′=Q′max/Q′min=400/6.67=60,由此可見,可調比增加了一倍。
2、交替使用不同的工作方式
工業生產過程中,有時需要使用不同的控制方式,如圖9~圖10所示的例子。

圖9 儲罐氮封分程控制方案(閥門A為氣關,閥門B氣開)

圖10 儲罐氮封分程控制特性圖
封氮指有些油品儲罐的頂部需要填充氮氣,以隔絕油品與空氣中氧氣的作用。儲罐頂部充滿氮氣,保持微正壓。隨著液位變化,頂部壓力會變化。
◆液位升高,壓力增加
◆液位下降,壓力下降
封氮油品儲罐壓力增加多或下降多都是不允許的。
◆封氮分程控制過程:液位上升時,閥門B關閉,閥門A打開,排出氮氣維持壓力不變
◆液位下降時,閥門B打開,閥門A關閉,補充氮氣維持壓力不變
◆液位在小范圍波動時,壓力也在小范圍波動,控制系統不動作,即不補充也不排出氮氣,稱為安全區間??梢员苊忾y門頻繁動作,保持系統穩定。
3、滿足生產過程不同階段需要
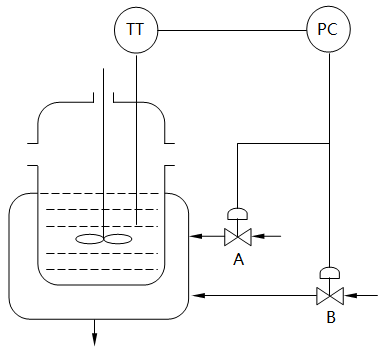
對于放熱化學反應過程,在反應的初始階段,需要對物料加熱,以啟動反應過程;由于是放熱反應,反應器中的熱量在不斷累積,所以需要補償的熱量在逐步減小,當放出的熱量超過反應過程需要的熱量后,不僅不能再補充熱量,反而需要冷卻反應器,以移走反應過程產生的多余熱量。對這類過程,可以采用如圖11~圖12所示的分程控制。

圖11 間歇反應器溫度分程控制系統

圖12 間歇反應器溫度分程控制系統特性圖

圖13 間歇反應器溫度分程控制系統方框圖
說明:間歇反應器溫度分程控制系統中調節器是反作用;閥門A:氣關;閥門B:氣開;對象1:反作用;對象2:正作用。間歇反應器溫度分程控制系統在任一閥門工作時都是負反饋。
結合以上三個分程控制實例及相關系統方圖,相信大家對分程控制原理及分程控制系統已經有了基本的了解,建議大家再看看分程控制相關的其他文章:分程控制系統故障檢查及維修實例和分程控制系統應用需注意的三個問題。
