1、什么是P&ID?
這個問題在此再解釋一下,P&ID(Piping and Instrumentation Diagrams)是使用特定的符號來表示控制系統中設備、傳感器和最終元件的連通性?;蛘撸瑩Q一個表述即為使用特定的工程標識符表示化工過程中每個控制回路的元件組成及控制模型。
2、P&ID與PFD
P&ID通常與PFD混淆,因為P&ID和PFD通常使用相同的符號。然而,P&ID和PFD是服務于不同的目的,提供不同的信息。PFD的目的是準確顯示出工藝在操作過程中的作用,而P&ID則顯示所有控制器,閥門類型和施工中使用的材料。PFD顯示了一個過程中主要設備和材料之間的連接和關系,它也包含了列表化的設計值,如P&ID不包含的正常、最小和最大操作條件。PFD不包括P&ID通常包括的次要管道系統或其他次要部件。P&ID與PFD的區別在于,與PFD相比,P&ID通常包含更多有關管道和安全泄壓閥等信息。
P&ID不包含PFD包含的操作規范,如流量和成分/組分。
另外也要注意的是,PFD和P&ID之間的差異會因設計公司/項目而異,大多數公司會利用框架標準來創建和修改文檔。PFD和P&ID都是受控文檔,需要通過文檔管理程序進行維護。

PFD

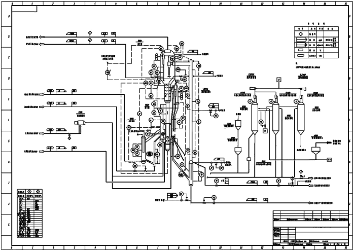
P&ID
3、P&ID用途
①制定操作方法。
②制定安全理念和保障措施。
③制定控制理念。
④作為控制編程的基礎。
⑤用作溝通文檔,說明流程如何進行。
⑥作為設備設計,管道設計,成本估算,采購的基礎。
⑦用于評估施工過程。
⑧培訓員工。
⑨作為工廠的概念布局。
⑩提供討論工廠運營的通用語言。
4、P&ID的特征
①按工廠特定部分/區域分組。
②顯示所有傳感器和執行器之間的連接。
③P&ID并不特別暗示以下信息:設備的相同高度、相對尺寸,閥門在設備上的位置,設備彼此之間的距離。此類信息可以在工廠布局圖中看到,也可以在施工圖中看到。
④清晰整潔
⑤系統且統一。P&ID在行業中廣泛用于記錄工廠信息,這些文件需要公司內部的任何人員都易于閱讀,并易于向其他人解釋。
⑥機密且訪問受限。
5、P&ID應包括
①具有名稱和編號的設備及其規格。
②所有閥門及其標識。
③工藝管道,尺寸和標識。
④排放口,排水管,沖洗管線,特殊配件,采樣線,異徑管等。
⑤流向。
⑥控制輸入和輸出。
⑦單元變化接口。
⑧供應商和承包商界線。
⑨識別他方交付的組件和子系統。
⑩設備的預期物理順序。
6、P&ID版本
工程設計分為兩個階段,基礎工程設計和詳細工程設計。
圖紙的版次是表示在各工程設計階段,圖紙上內容表達的程度。通常在基礎工程設計階段完成四版:A版(初版)、B版(內審版)、C版(用戶版)、D版(確認版),在詳細工程設計階段完成三版:E版(詳1版)、F版(詳2版)、G版(施工版)。注1:HG20559.1-1993《管道儀表流程圖設計內容及深度的規定》
①應明確指出修訂的內容。
②在流程的每次重大更改后,定期向所有相關人員發出通知。
③如果進行了較小的更改而不需要進行全新的修訂,則通常在問題之間用明顯的顏色筆進行標識(如紅色鉛筆)。
④所有修訂都需要傳達給所有人,以便使用最新的修訂。為了避免嚴重的施工錯誤,這是至關重要的。
7、P&ID標準符號
對于P&ID的標準符號,請查閱標準:GB/T2625-1981《過程檢測和控制流程圖用圖形符號和文字代號》、HG/T20505-2014《過程測量與控制儀表的功能標志及圖形符號》、SHB Z 02-1995《儀表符號和標志》及ISA S5.1等標準。
