什么是線圈同名端和異名端

2020/6/5 0:04:00 人評論 次瀏覽 分類:電工基礎  文章地址:http://www.gzmengda.com/tech/3103.html

相信大家肯定在電路圖上有見過變壓器的電氣符號,常會發現變壓器符號上帶有一個像眼睛的小黑點。這是表示什么呢?下面昌暉儀表就跟大家分享一下這個小黑點的相關知識。
電路圖
變壓器線圈上的標注的這個小黑點,其實是表示是同名端的意思,下面昌暉儀表跟大家舉例說明到底什么是同名端。

同名端和異名端的定義
同名端,是互感線圈之間的電流或電動勢相位判別的依據。同名端具體指的是:當兩個互感線圈通入電流,所產生的磁通方向相同時,兩個線圈的電流流入端稱為同名端(又稱同極性端),反之為異名端。
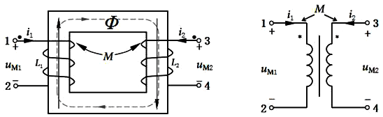
兩個互感線圈通入電流
如下圖的兩個線圈,左邊線圈的電流是從1端流入,右邊線圈的電流是從3端流入,兩線圈產生的磁通方向是一致的(相助),則1端和3端為同名端,2端和4端為同名端,1端和4端為異名端,2端和3端為異名端。

兩線圈產生的磁通量一致
另外,如果在同一鐵芯下,線圈的繞向是一致的,則相應端為同名端。

如果在同一鐵芯下,線圈的繞向是一致的,則相應端為同名端

如何判斷線圈同名端?

可以用萬用表和一個電池進行判別,將次級線圈接上萬用表,選擇直流電壓檔。然后將初級線圈的一端接到電池負極,另一端接觸一下電池正極,同時觀察萬用表測得電壓的極性。

如上圖中,初級線圈接觸電池時,次級產生的感應電壓的正極是紅表筆所接的端口,所以電池正極所接的端口與萬用表紅表筆所接的端口是同名端。

共有訪客發表了評論 網友評論

  客戶姓名:
郵箱或QQ:
驗證碼: 看不清楚?