小車開關操作不當導致合閘線圈燒毀的案例分析

2020/7/7 14:45:38 人評論 次瀏覽 分類:電工基礎  文章地址:http://www.gzmengda.com/tech/3201.html

電力儀表通過一個小車開關操作不當導致合閘線圈燒毀的案例分析,提醒電氣從業者需要全面了解電氣設備,按章執行電氣操作,才能保證電氣設備和操作人員自身安全。

工況介紹
事故前工況:110kV變電站投運中,主接線為單母線分段,兩臺主變送電沖擊5次已完畢,現場調度令,將1號主變中壓側小車開關301由實驗位置搖至運行位置、合上301開關向35kVⅠ母充電。操作人手動將主變中壓側35kV小車開關301由實驗位置搖至運行位置,本柜小車工作位置信號燈亮,信號正確,后臺顯示301開關在工作位置。后臺遙控操作301合閘失敗,綜保無事故、預告信號發出,現場巡視301開關在分位、保護柜合閘、分閘位置信號燈均未亮。


故障原因分析

1、直接原因
①合閘失敗原因
小車開關由實驗位置至運行位置是人工操作,使用專用搖柄驅動手車中部絲杠帶動小車向內移動,絲杠行程為20圈,在最后一圈絲杠上的滑塊碰觸S9開關,分別接通控制回路和信號回路。分合閘在未到工作或試驗位置時還有一機械閉鎖裝置,以防未到位合分閘。因開關結構所限,絲杠上的滑塊與機械閉鎖裝置存在一角度差,S9工作位置開關動作后機械閉鎖檔片才到位。

常用的專用搖柄是四方或六方接口,操作人操作到位后,抽出搖柄時常會有搖柄在身體遠端的狀態,導致搖柄抽出時會向身體方向靠近,如不注意觀察會將絲杠向搖出方向轉動一個角度,極可能將機械閉鎖檔片移動,此角度還不足以松開S9工作位置開關,故本柜小車工作位置信號燈亮,卻因機械原因造成合閘失敗。


②斷路器合閘線圈燒毀原因

現有開關分合閘線圈為與保護配合,大部分為大電流短時工作制,通電時間過長就會燒毀。此時S9工作位置分別接通本柜小車工作位置信號、合閘控制回路、以及后臺信號回路。合閘命令發出,合閘線圈得電勵磁,機械閉鎖未到位導致開關拒動,未及時斷開操作電源,合閘線圈長時間帶電燒毀。

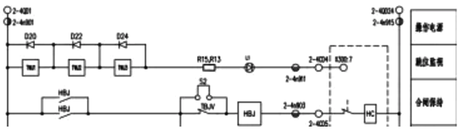
③保護柜合閘、分閘位置信號燈均未亮原因

保護柜合閘、分閘電氣圖紙
由附圖可見:分閘位置信號燈也是跳位監視,實際接線時2-4CD4與2-4CD5短接,因此時合閘線圈燒毀斷路,分閘位置信號燈無負電不亮。


2、事故暴露出的問題

①運行管理
a、運行人員責對設備構造不了解,操作不規范。一是操作人在將301開關搖至工作位時,抽出搖柄時手柄有向試驗方向轉動角度,機械閉鎖未解除就進行下一步操作,導致合閘失敗。二是監護人未能正確履行監護責任,未對操作人的操作結果進行確認。
b、運行人員培訓不到位。操作人員在執行電氣操作過程中,對小車開關在“試驗位”及“工作位”的手車實際位置及狀態判斷不清楚;操作過程中異常處理反應慢,未能及時斷開操作電源,以防線圈燒毀。

②現場組織

a、變電站投運送電過程卻少必要的設備監控程序。在新投運的電氣設備送電前需要運行管理方與設備廠家和施工單位做好溝通,送電過程全方位對設備進行現場監控,每一項操作前需確認程序準確,以及操作后設備是否處于正常運行狀態。
b、現場配合投運人員對設備電氣首次帶電應及時確認工況。操作人員在執行電氣操作后,設備電氣是否處于正確的、理想的工作狀態,應由設備廠家和施工方立即確認,如有異?,F象及時匯報現場指揮及電力調度,以避免設備損壞。
作者:劉永軍(大慶油田)

相關閱讀
高壓開關柜不能防跳故障處理案例
高壓斷路器不能合閘案例及故障處理
高壓斷路器自行合閘故障老電工如何處理

共有訪客發表了評論 網友評論

  客戶姓名:
郵箱或QQ:
驗證碼: 看不清楚?