接地和等電位聯結降低接觸電壓效果的比較
1、系統設定
某建筑物采用TN-C-S系統,電源從建筑物外變電站引入,變壓器中性點接地,配電系統示意圖如圖1所示。

圖1 配電系統(TN-C-S)示意圖
2、設定接地和等電位聯結兩種情況,當設備A故障時,接觸電壓對比:
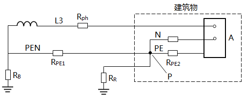
①建筑物進線處只做重復接地,不做等電位聯結,如圖2所示:

圖2 配電系統(TN-C-S)做重復接地
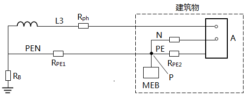
②進線處做保護等電位聯結,通常也做接地,如圖3所示:

圖3 配電系統(TN-C-S)做等電位聯結
說明:在圖2和圖3中,Rph為相導體電阻:從變電站低壓柜到設備A的相導體電阻,Ω;RPE1為從變電站低壓柜到建筑物進線處P之間的PE導體電阻,Ω;RPE2為從進線處P到設備A之間的PE導體電阻,Ω;RB為變壓器中性點系統接地電阻,Ω;RR為建筑物進線處(配電箱)P點做重復接地的電阻,Ω。
3、計算條件
①電纜和穿管線路,PE和相導體同處一外護物內,可忽略電抗;
②故障點距離變壓器較遠時,可忽略電源阻抗。
4、故障時重復接地接觸電壓和等電位聯結接觸電壓計算
①做重復接地的設備A處故障時的等效電路圖見圖4,做等電位聯結的設備A處故障時的等效電路圖見圖5。

圖4 做重復接地的配電系統(TN-C-S)故障時等效電路圖

圖5 做等電位聯接的配電系統(TN-C-S)故障時等效電路圖
②做重復接地,故障時接觸電壓(Uf?R)計算,為A到地(D點)的電位差:U f?R=Id×RPE2+Id2×RR,在圖4中,(RR+RB)同RPE1并聯,則Id2×(RR+RB)=Id1×RPE1,而Id1=Id-Id2,所以Id2×(RR+RB)=(Id-Id2)×RPE1,經整理,可得

將式
代入式Uf?R=Id×RPE2+Id2×RR,整理后得
③做等電位聯結,故障時接觸電壓(Uf?EB),為A到P點(MEB處)的電位差,計算式如下:Uf?EB=Id×RPE2
5、重復接地和等電位聯結情況下故障時的接觸電壓比較。
用
減Uf?EB=Id×RPE2,可知做重復接地比做等電位聯結的接觸電壓高
??梢姷入妷郝摻Y對降低接觸電壓效果更好。應當指出,做等電位聯結降低接觸電壓更有效,但是否能降低到安全電壓(交流50V,甚至25V)以下,從式Uf?EB=Id×RPE2看,應取決于RPE2和Id值。一般來說,當設備A(故障處)離MEB(P點)距離較遠時,往往不可能降到安全電壓以下,當無法保證在規定時間內切斷電源或特定場合要求時,需要在這些范圍增加輔助等電位聯結SEB,以達到這個目標。
故障時重復接地接觸電壓和等電位聯結接觸電壓計算方法內容到此告一段落,相信你在昌暉儀表網上的持續學習,對解決你低壓配電系統設計的疑難問題會有幫助!另外,低壓配電設計中選用高性能、高可靠性電力儀表對提高配電系統檔次、性能有幫助,歡迎您到http://www.gzmengda.com/product/list_78.html深入了解昌暉電力儀表系列。
