接入隔離器的4-20mA信號分為有源和無源兩類,二線制4-20mA為無源信號,三線制和四線制制4-20mA為有源信號,二線制/三線制/四線制4-20mA電流信號與隔離器的接線各不相同。本文以昌暉儀表隔離器YR9034A-0-GNNN-N為例介紹二線制/三線制/四線制4-20mA電流信號與隔離器如何接線。
1、四線制4-20mA信號
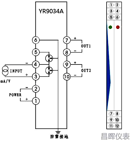
如下圖所示,四線制儀表使用單獨供電電源,傳輸的信號為有源信號,所以,將信號線直接接在信號隔離器信號輸入端(3+,4-)上。

2、二線制4-20mA信號
如下圖所示,二線制儀表沒有單獨的供電電源,需要隔離器給儀表供電,然后儀表再反饋電流信號給信號隔離器輸入端。所以,將現場儀表的電源線接在隔離器5腳上,反饋信號線接在3腳上。

3、三線制4-20mA信號
如下圖所示,三線制儀表有三根線,分別是電源線、信號線、公共負極。所以,將現場儀表的電源線接在信號隔離器5腳上,信號線接在3腳上,公共端接在4腳上。

相關閱讀
兩線制和四線制儀表在結構上有什么區別
