在總負荷不確定情況下,有時候仍然需要把流量平均分配到各個支路,這就是多路流量均衡控制。例如加氫裝置中的氫氣多路流量均衡控制,目的是保證氣體在加熱爐多爐管程之間流量分配均勻。
如下圖所示的將支路流量直接投自動,由于不能根據總流量自動調節。當支路流量總和大于實際總流量時,支路流量調節閥會全開,但是支路流量還是達不到設定值。反之當支路流量總和小于實際總流量時,支路流量調節閥會全關,這時候可能會影響上游裝置操作。單獨的支路流量自動滿足不了控制要求。

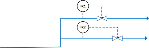
多支路流量均衡控制也采用閥位控制思想,最終實現支路流量均衡而且閥位開度合適的控制目的。多支路流量均衡控制如下圖所示。多支路流量控制回路作為支路流量均衡控制回路的副回路。支路流量均衡控制的測量信號為支路調節閥的最大值,通過將支路流量調節閥的最大值維持在設定值附近,實現支路流量均衡控制。當總流量減少時,支路流量也會相應減少,此時支路流量控制回路會開大支路流量調節閥。當支路流量調節閥最大值超過支路流量均衡控制回路的設定值時,該控制回路會逐漸減少支路流量設定值最終實現支路流量均衡控制。當總流量增大時,支路流量會相應增大,此時支路流量控制回路會關小支路流量調節閥。當支路流量調節閥最大值低于支路流量均衡控制回路的設定值時,該控制回路會逐漸增加支路流量設定值最終實現支路流量均衡控制。
作者:馮少輝博士(現從事先進控制工作,有一線十幾年工作經歷,真正理論聯系實際的過程控制專家)
