中間繼電器在儀表控制和電氣控制中都經常用到,中間繼電器接線圖一般印刷在繼電器外殼上,偶爾因種種原因找不到中間繼電器接線圖,實在不方便。下面昌暉儀表分享歐姆龍中間繼電器接線圖供同行使用,大家可參考看看。
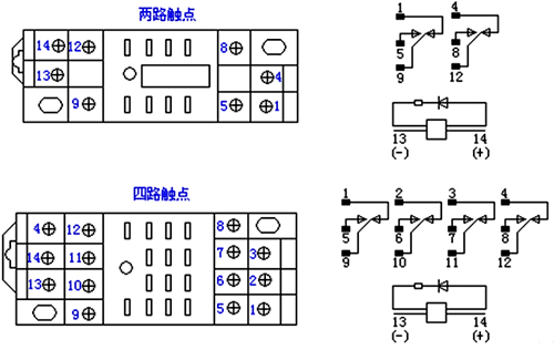
歐姆龍小型中間繼電器有8腳、14腳等種類,8腳中間繼電器觸點為兩常開兩常閉,14腳中間繼電器觸點為4常開4常閉,中間繼電器外形尺寸如下圖:

歐姆龍中間繼電器接線圖如下所示,中間繼電器接線時需要注意中繼的線圈電壓,錯接將導致中間繼電器線圈燒毀。

相關閱讀
繼電器選型案例分享
教你區分中間繼電器和接觸器
深度解析四種繼電器附加電路的功能及應用
