
1、故障現象一
測量組分氫氣(H2)突然變為零,一直無法恢復。由于執行了歸一化,其它組分也受到影響。
歸一法是指通過已知組分濃度的外部標定標準,通常指標準物資來計算全部峰面積,由此確定每個組分峰面積的百分比。
結合調試報告,判斷為取樣閥1#未打開,導致沒有樣品送入檢測器所致。對控制1#閥開關的電磁閥進行了測試,手動動作時并沒有發出“咔”的聲音,閥氣指示壓力表指針也沒有輕微地偏轉,問題基本鎖定在電磁閥不動作導致1#取樣閥沒有打開。
綜合近年ABB PGC2000 Series E2氣相色譜儀出現過的故障現象及處理的經驗來看,問題有以下幾種可能性:
①控制開關的電磁閥卡澀。解決方法:解體電磁閥,使用酒精清理內部雜質。如果卡澀不是很嚴重,電磁閥會出現開關不到位的情況,此時樣品閥處于半開狀態,測量值明顯波動。
②電磁閥未上電,導致不動作。解決方法:首先,測量電磁閥的通道端子是否有115VDC供到,如果沒有再測量電磁閥控制板上電源端子是否有115VDC。如果沒有,則所有的電磁閥都無法得電動作。
③電磁閥上電不動作。解決方法:線圈燒毀或者短路,使用萬用表測量線圈電阻,正常在0.9kΩ左右。
④儀表空氣未供到。解決方法:檢查電磁閥底座,拔掉空氣總管路進行確認。如果有儀表空氣過來,則拆下樣品閥的空氣管接頭;如果沒有空氣過來,則確認電磁閥處故障所致。
⑤取樣閥本體密封圈老化,導致開關卡澀。解決方法:解體取樣閥,更換密封圈,涂抹高溫潤滑脂回裝即可。這里需要注意的是:回裝前要檢查閥塞的正反面和彈力墊片的正反順序不能顛倒,如圖1。

圖1 隔膜閥內部圖
2、故障現象二
一次停車檢修后,測量組分CO和H2出現無規律的波動。
在確認兩級預處理運行正常后,對分析譜圖進行了檢查確認,發現組分的流出時間提前了,導致積分階段開門時間卡位不準確,重新調整保留時間后ABB PGC2000 Series E2氣相色譜儀運行正常。這種情況一般會出現在清洗隔膜閥或更換膜片后,樣品在閥體內的阻力減少,在載氣壓力不變的情況下流速產生了變化所致。
3、故障現象三
測量的全組分波動。這種情況一般是由于樣品預處理系統運行效果不佳導致的,也可能是ABB PGC2000 Series E2氣相色譜儀本身取樣不穩定造成的。下面分析兩種可能性:
①預處理系統設計不合理導致。由于一臺色譜儀要檢測兩臺氣化爐的合成氣組分,所以在兩套預處理系統中間存在一個流路切換的問題,兩個流路的切換通過一個氣動閥來實現。該氣動閥使用的是世偉洛克φ6MM常閉彈簧回復撥動開關閥,通過色譜儀的電氣控制,儀表空氣進行驅動來進行兩個流路的樣品切換。如果切換閥閥體內漏就會造成兩個爐子的樣品摻混而導致測量不準確,從多年的運行來看,這種流路切換方式是存在管線死體積較大的缺陷。
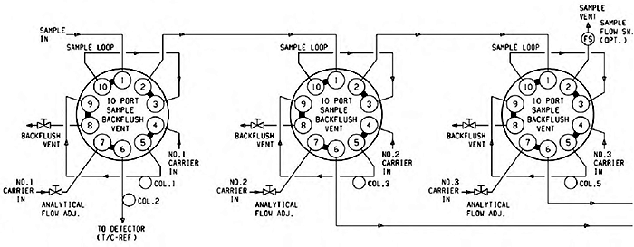
②ABB PGC2000 Series E2氣相色譜儀本身取樣不穩定。這種問題主要是因為該ABB PGC2000 Series E2氣相色譜儀串聯取樣方式,布置在前面的取樣閥只要出現定量管堵塞的情況就會影響后面的取樣。從圖2中可以看出,樣品經預處理流入色譜儀,依次經過閥1#,閥2#直到排放管線,這就必須保證隔膜閥的定量管是暢通狀態,否則就會引起定量不準,測量波動的現象。

圖2 色譜閥圖
4、故障現象四
色譜儀突然斷電。ABB PGC2000 Series E2氣相色譜儀運行過程出現過突然斷電的情況,檢查供電空開并未跳閘,打開電路部分柜門檢查電源板發現,狀態指示燈熄滅。關閉電源,取下電源板,仔細查看電路元件發現一支電容鼓包,卸下電容后進行檢測。首先對電容進行放電,使用萬用表進行測量,電容擊穿,更換一個同型號電容回裝電源板,儀表上電成功。在儀表長時間的運行過程中,電路板最容易出現故障的就是二極管擊穿、電容擊穿等,通過相關檢測手段是可以判斷損壞的元件并修復的。
5、故障現象五
ABB PGC2000 Series E2氣相色譜儀方法表丟失,失去運行邏輯,相關參數也被重置。處理方法:這種故障現象可以通過更換SPC板直接排除。整臺色譜儀最核心的電路板是單板計算機板,位于GCC卡籠槽口3,也稱為SBC板,在SBC上有E2PROM存儲器、計算機內存、地址以及協調內外數據流的數據控制電路,它提供分析儀系統所有控制功能。

圖3 報警信息
6、故障現象
出現溫度板報警,丟失空氣等報警,測量停止,如圖3。
原因及處理方式:這是由于空氣浴爐的爐空氣存在問題。當電源供給加熱器時,正常情況下空氣從加熱器上帶走的熱量為爐體提供熱量,如果空氣未供到空氣浴加熱器,空氣浴加熱器可能過熱或是燒掉。當壓力開關檢測到空氣缺乏后會自動斷開,加熱器將停止供電,爐溫降至常溫,儀表退出測量。導致這種情況的原因有:
①爐空氣被關掉或低于空氣壓力開關設定點。
②爐體丟失空氣壓力開關故障或連接存在問題。
通常需要把空氣供給的壓力調大,保證空氣的供給壓力大于要求的壓力,另外需檢查壓力開關是否正常,檢查步驟如圖4。

圖4 DTC背板PCB
首先,在DTC背板PCB的J42B端子斷開爐空氣壓力開關的連接器,連接電阻表到從J42B拆下的連接器,然后打開空氣壓力,擰開螺絲后取下壓力開關,檢查是否有空氣出現。重新安裝壓力開關,擰緊螺絲,此時開關應閉合。關閉空氣開關時應該打開,如果空氣開關沒有正確的動作邏輯則開關故障,需要更換。
7、需要注意的問題
在多流路切換測量的儀表中,需注意幾個問題。例如氣化裝置兩流路共用一臺色譜儀的情況:
①注意流路切換過程中切換閥的開關是否到位,如果開關不到位會出現樣品氣互串的現象,兩流路測量值一樣。
②使用專用的流路切換模塊,減少閥體的死體積,流路步進時可以充分置換管線。
③在測量微量的CO和CO2時選擇正確的過濾芯或過濾材料,避免除去樣品中的有用組分。
作者:郝偉東
