石油化工生產企業大都具有高溫、高壓、易燃、易爆、易中毒的特點,而儲罐是每個石化企業儲存各類化學介質必不可少的重要設備。這些化學介質有不少屬于易燃、易爆介質,如液氨、一氧化碳、二甲醚、甲醇等危險化學品。
國家安監總局于2017年發布《化工和危險化學品生產經營單位重大生產安全事故隱患判定標準(試行)》,多個省份對其進行深度分析,并形成了《化工企業本質安全診斷治理驗收檢查細則》,細則中明確提出:“帶有高液位聯鎖功能的可燃液體和劇毒液體儲罐應配備兩種不同原理的液位計或液位開關,高液位聯鎖測量儀表和基本控制回路液位計應分開設置。壓力儲罐液位測量應設一套遠傳儀表和就地指示儀表,并應另設一套專用于高高液位或低低液位報警并聯鎖切斷儲罐進料(出料)閥門的液位測量儀表或液位開關”。河南心連心化學工業集團股份有限公司其中設有一套一氧化碳生產裝置,配備的一氧化碳儲罐設有兩臺差壓式液位計,其中一臺作為指示儀表進入DCS控制系統,另外一臺進入SIS系統,參與聯鎖切斷功能的實現。因此,目前的液位測量裝置不符合當地政策要求,需要進行改造。
1、液位計選型
1.1 石化行業常用液位計的特點分析
在化工生產過程中,及時得到各類容器內的液位高度是十分重要的。液位計作為化工自動化生產中的重要儀表傳感器設備,在不同的生產場合選擇一款合適的液位計十分必要。適用于石油化工行業的液位計有很多種類,在對比各種液位計的優缺點、測量原理的差異,按應用場合擇優選擇最合適的液位計。

1.2 外貼式超聲波液位計的工作原理及特點分析
外貼式超聲波液位計采用聲波測距原理,利用微振動分析技術,是一種從容器外部測量液位的液位儀表。
聲波測距原理:由安裝在容器底部的測量探頭發射聲波,穿透容器壁后在介質內傳播,當聲波到達液面后,聲波在液面發生反射形成回波信號,回波信號到達容器底部,再次穿透容器壁,測量探頭將接收到的回波信號發送給表頭。表頭根據測量探頭從發射到接收到聲波的時間差,從而計算出液位高度。
微振動分析技術原理:在實際生產過程中,液位測量可能會受到容器內的內件、盤管、工藝介質的粘稠度、雜質、溫度變化等綜合因素的影響,使測量探頭接收到的回波信號變復雜,微振動分析技術會自動判斷正確的液位信號來解決回波干擾的問題。
自動校正功能:當介質的溫度或組分發生變化時,會影響聲波信號在介質中的傳播速度,產生測量誤差。為保證外貼式超聲波液位計的測量精度不受影響,可通過加裝校正探頭。由于從校正探頭到容器壁之間的距離是恒定的,所以利用校正探頭可測量出當前工況下聲波在介質中的實際傳播速度,外貼式超聲波液位計表頭自動對液位的測量結果進行補償修正,消除介質溫度和組分變化對測量精度的影響。
外貼式超聲波液位計無需在容器或儲罐上開孔,不接觸容器內的介質,探頭直接磁吸或膠粘在容器或儲罐外壁上,由測量探頭發射和接收聲波信號,信號穿透容器外壁在介質中形成回波來實現測距。
外貼式超聲波液位計優點如下:
①無需在容器上開孔,可在不影響生產的情況下進行安裝、調試,安裝方便。
②不接觸容器內部介質,安全性較高,適合多數工況要求,維護量小。
③測量量程寬廣,最高可達50m,測量精度高。
④遠傳輸出4-20mA信號和開關量報警輸出,自帶顯示屏,可現場顯示液位。
1.3 一氧化碳儲罐新增液位計選型
目前,大部分常規型的液位計都需要在罐體上開孔,如果開孔的話,需要廠家重新計算并提供圖紙并向鍋檢所報批備案,程序比較復雜。河南心連心化學工業集團股份有限公司的一氧化碳生產裝置長年處于生產運行狀態,不能停工動火,不具備清罐沖洗置換的安裝條件。經過對目前工業用的各類液位計的分析,發現絕大多數的液位計都是需要與介質直接接觸,或者傳感器部分安裝在容器內部,也就是必須在容器上安裝閥門或者通過法蘭連接??紤]到現場的實際生產運行情況,最終決定選擇外貼式液位計進行改造。該液位計可連續測量,穩定性好,可靠性高,安裝簡便,可在不停車、不清洗置換、不動火的前提下進行安裝,符合當前的改造安裝條件。
2、現場安裝改造
2.1 現場一氧化碳儲罐情況
河南心連心化學工業集團股份有限公司的一氧化碳儲罐設有一臺進料氣動切斷閥和一臺出料氣動切斷閥,氣動切斷閥由SIS系統根據設置好的聯鎖邏輯控制其打開和關閉。當液位達到高高指標時,聯鎖關閉進料切斷閥;當液位達到低低指標時,聯鎖關閉出料切斷閥。目前該儲罐設置有兩臺差壓式液位計,其中一臺作為指示儀表進入DCS控制系統,另外一臺進入SIS系統,參與上述聯鎖切斷功能的實現。
2.2 外貼式液位計結構
外貼式液位計由測量探頭、校正探頭和表頭3部分組成(如圖1)。表頭固定安裝在位于立罐旁邊的2寸立柱上,表頭將測量探頭輸入的信號進行分析計算后,轉換成4-20mA標準信號送入控制系統。

圖1 外貼式超聲波液位計結構示意圖
測量探頭安裝在立罐底部,且測量探頭必須與被測液面垂直,遠離出液管道和排污管道。聲波信號從測量探頭發射出去,經過液面反射后接收回波信號,回波信號送入表頭,由表頭內的CPU計算出液面高度,計算關系式如下:h=act/2,其中:h為液位高度;a為修正系數;c為聲波在介質中傳播的聲速;t為聲波從發射到返回所用的時間。
校正探頭安裝在立罐的側面,主要作用是對測量探頭測得的液位高度進行補償。當一氧化碳的溫度發生變化時,會對測量探頭發出的聲波信號在介質中的傳播速度產生影響,帶來測量誤差,立罐的直徑是固定的,利用校正探頭得到聲波在介質中的實際傳播速度,消除介質溫度變化對測量精度的影響。
2.3 現場安裝改造
此次新增的外貼式液位計屬于安全整改項目,即用本次新增的外貼式液位計替代原來已投用的其中一臺差壓式液位計,且原來的差壓式液位計表頭的安裝形式與本次整改所用外貼式液位計表頭安裝形式一樣。因此,現場更換液位計時,只需要把原液位計的根部閥門關閉,然后將原液位計的取壓管和表頭拆下,利用原有的2寸安裝立柱,將外貼式液位計表頭安裝于立柱上即可。外貼式液位計和原差壓式液位計都屬于二線制儀表,不需要敷設電源電纜,將原差壓變送器的信號電纜直接接入外貼式液位計的供電端子即可。鑒于外貼式液位計獨特簡便的安裝形式,整個改造過程不涉及動火作業和高處作業,大大降低了改造過程中的作業風險。

圖2 外貼式超聲波液位計安裝示意圖
2.4 安全儀表系統控制邏輯介紹
安全儀表系統(SIS系統),也稱緊急停車系統,用于監視生產裝置或獨立單元的操作,如果生產過程超出安全操作范圍,可以使其進入安全狀態,確保裝置具有一定的安全度。
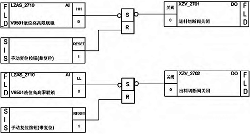
河南心連心化學工業集團股份有限公司的一氧化碳儲罐屬于“兩重點一重大”(重點監管危險化工工藝、重點監管危險化學品和危險化學品重大危險源)的范疇。該儲罐經過重大危險源辨識和計算后,確定該儲罐為4級重大危險源。根據國家安監總局的要求:所有涉及“兩重點一重大”的危險化學品儲存設施要設計符合要求的安全儀表系統。為響應政策要求,提高一氧化碳生產裝置的本質安全,一氧化碳儲罐在原始設計和施工安裝時,已有一套安全儀表系統,其控制邏輯如圖3。

圖3一氧化碳儲罐SIS控制邏輯
經HAZOP分析(危險與可操作性分析)和LOPA分析(保護層分析)后得出SIL定級報告,確認涉及到一氧化碳儲罐SIF回路的安全完整性等級為SIL1級,按照《石油化工安全儀表系統設計規范》中的要求,可采用單一的液位測量儀表和單一的氣動控制閥參與SIS聯鎖邏輯控制?,F場進料切斷閥和出料切斷閥的電磁閥采用常帶電的控制模式,當一氧化碳儲罐液位達到高高指標后,進料切斷閥的電磁閥線圈失電,聯鎖關閉進料切斷閥,防止繼續進料導致液位升高。當一氧化碳儲罐液位達到低低指標后,出料切斷閥的電磁閥線圈失電,聯鎖關閉出料切斷閥,防止繼續出料導致液位過低。聯鎖關閉切斷閥后,只有當液位回歸到正常指標后,才能通過SIS操作畫面上的復位按鈕打開切斷閥,保證設備安全。除了聯鎖關閉切斷閥的自控控制模式外,也可以通過SIS系統輔操臺上的急停按鈕或SIS操作畫面上的關閉按鈕手動關閉氣動切斷閥。
該SIS聯鎖邏輯的測量儀表采用的是單晶硅差壓變送器,其原理是當液位高低發生變化時,液相側(正壓側)和氣相側(負壓側)之間的壓力差也隨之發生線性變化,通過差壓式變送器測得的正負壓側間的壓差值輸出4-20mA標準信號輸入給SIS系統,從而計算出實時液位。差壓變送器是目前很成熟的技術,鑒于其精度高、可靠性高、穩定性好、使用壽命長的優點,廣泛應用到石化、醫藥、食品、鋼鐵等多個領域。公司的一氧化碳儲罐內的介質無雜質、顆粒和懸浮物,完全符合差壓式變送器的安裝使用條件,并且該變送器已取得SIL認證,可以利用到安全儀表系統中。為降低安裝使用成本和后期維護量,經過綜合考慮,本次改造新增的外貼式液位計只引入到DCS系統作為指示儀表,涉及SIS系統的液位測量儀表保持不變。
3、結束語
外貼式超聲波液位計因其安裝簡便,無需在容器上開孔作業,與介質完全隔離,屬于非接觸式液位測量儀表,消除了液位計受介質腐蝕、結晶等帶來的負面影響。同時,在不具備停車沖洗置換條件的情況下,可在線安裝,降低安裝成本,減少維護工作量。在易燃易爆的場合下使用,減少靜密封面泄漏的風險點,保證河南心連心化學工業集團股份有限公司一氧化碳生產裝置的安全生產和企業的長周期安全穩定運行。
作者:王麗、荊煥雷、李國明
