解耦控制的特點、應用注意和減少耦合的途徑

2023/5/20 17:08:17 人評論 次瀏覽 分類:過程控制  文章地址:http://www.gzmengda.com/tech/4887.html

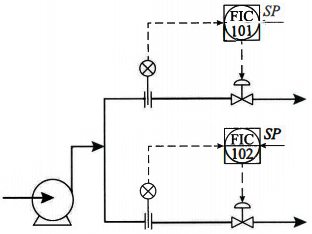
各控制系統間的相互作用相互影響,其中一個控制變量改變同時會引起幾個被控變量的發生變化的現象,稱之為控制系統的耦合。將相互關聯的控制系統轉化為相對獨立的控制回路,使彼此之間不再相互影響的過程,稱之為解耦。典型解耦控制系統如下圖所示。

典型解耦控制系統

解耦控制特點

解耦控制系統的設計原則:充分考慮多變量控制系統的穩定性、非關聯性以及準確性原則。自治原則,對于系統之間的關聯,設計時應對被控變量和操作變量進行合適配對,使其相對增益盡可能接近1;解耦原則,在各變量之間有嚴重關聯時,需選擇合適的解耦控制方法;協調跟蹤原則,將控制系統分解為若干具有自治功能的系統,減小關聯,并應對各個自治控制系統進行協調,組成協調控制系統。

解耦控制減少耦合的途徑

被控變量和操作變量之間的正確匹配;PID控制器參數的合理整定,將控制系統的工作頻率錯開,使PID控制器的控制作用強弱不同;減少控制回路,將PID控制器參數整定到極限位置,次要控制回路PID控制器的比例度取無窮大,使其失去對主要控制回路的關聯;串聯解耦裝置;設置多變量解耦控制器。

解耦控制應用注意

簡單解耦時控制器的輸出需初始化設置;偏置值的設置,解耦控制系統的實質是前饋補償控制,多變量解耦應考慮各自的影響,并經代數疊加后作為系統的偏置值;動態耦合的影響,考慮對象的動態特性,可得到動態相對增益;解耦裝置需簡化。

解耦控制的示例
解耦控制的示例1:關聯管道過程的耦合



解耦控制的示例2:塔頂、塔底溫度控制

塔頂、塔底溫度控制

解耦控制的示例3:鍋爐、汽輪機、發電機控制

鍋爐、汽輪機、發電機控制

相關閱讀
說說復雜控制的定義
儀表工該如何處理復雜控制系統振蕩故障

共有訪客發表了評論 網友評論

  客戶姓名:
郵箱或QQ:
驗證碼: 看不清楚?