
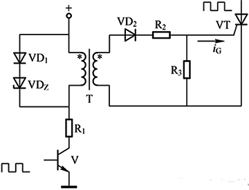
為了讓晶閘管工作在開關狀態,需要給它提供足夠幅度的控制脈沖,如上圖??刂齐娐樊a生的脈沖信號幅值很小,不足以驅動晶閘管工作,控制電路產生的脈沖信號必須經過驅動電路放大,再輸出幅值較大的脈沖信號送到晶閘管的控制極,以控制其工作在開關狀態。
驅動電路除了要放大控制電路送到的控制信號外,還要對控制電路進行電氣隔離。所謂這里的隔離,是指強電與弱電分開,互不影響,這與繼電器一般無二。
電氣隔離主要由光電隔離和電磁隔離兩種,原理不同,所使用的器件也不相同。光電隔離采用光耦,電磁隔離則采用隔離變。

如上,就是光電隔離。光耦合器隔離時電磁干擾小,但光耦合器需要承受主電路高壓。
當Uin為高電平時,有電流通過光耦的發光二極管,二極管發光,光耦合器的光敏晶體管導通,有電流通過R1,R1產生壓降,A點電位下降,Uout為低電平;當Uin為低電平時,發光二極管關斷,光敏晶體管也關斷,A點電位升高,Uout為高電平。
這種電路將信號傳輸到輸出端時,信號被倒相,也被稱為倒相電路。光耦合器在內部將電信號轉換成光信號進行傳送,而光不導電,故將輸入與輸出在電氣連接上隔離開,實現隔離的目的。
采用脈沖變壓器進行電磁隔離時,晶閘管側不用另加電源,原理也很簡單,就是利用磁不導電的原理實現隔離的目的,與隔離變原理相同。

發出的驅動信號至晶體管V放大,脈沖變壓器T的輸出電壓經VD2輸出晶閘管的觸發脈沖iG。輸入信號為零時,脈沖變壓器一次電流經VDZ和VD1續流并迅速衰減至零,二極管VD2使變壓器二次側對晶閘管門極只提供正向驅動電流iG。
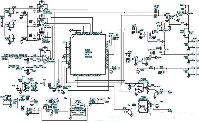
針對以上,舉個與之相關的例子,一臺施耐德71系列變頻器,采用半控整流,上半橋為晶閘管,下半橋為二極管。變頻器在待機狀態下炸機,明確晶閘管已損壞,考慮到晶閘管器件損壞對控制電路帶來的沖擊,應該在檢查晶閘管觸發電路正常后,再更換晶閘管。由下圖可知,三路脈沖信號取自S102端子。

具體原理如下圖:

MCU的11、12、13腳輸出的移相觸發脈沖信號,經由Q101、Q102和Q104及外圍元件構成的功率放大電路處理,由端子S102輸送至主電路晶閘管的控制端。
可在S102端子上測得電路輸出的3路移相觸發脈沖信號。注意:測試應脫離主電路,外部施加24V電源,在滿足觸發條件下檢測G1、G2、G3三路信號是否正常。
若S102端子的3路脈沖電壓均無,應查MCU工作是否正常,是否滿足觸發條件。
若測得S102端子脈沖哪怕只有一路是正常的,則基本可以判斷MCU工作是正常的,不正常的兩路在后級脈沖放大電路。
若測的三路直流電壓均約為0.6V,峰值為24V,載波頻率為4kHz,則可判斷晶閘管觸發正常,并未收到沖擊損壞。而后再換上新的晶閘管,再上交流電源,就可以試機了。
變頻器的晶閘管觸發電路如何檢測它的正常與否,這在日常應該經常遇到,對正確理解和做出判斷還是有好處的。
