一文弄懂西門子ET200SP基座選擇

2024/10/9 19:59:34 人評論 次瀏覽 分類:PLC應用  文章地址:http://www.gzmengda.com/tech/5790.html

ET200SP是目前西門子最常用的分布式IO系列,以其功能強大、穩定性高、價格適中受到用戶歡迎。有一個常見ET200SP相關的問題就是基座的選擇問題,昌暉儀表通過這篇文章讓大家徹底弄清如何選擇ET200SP基座。

ET200SP基座

1、ET200SP模塊基座介紹

ET200SP模塊類型眾多,基座同樣也有非常多的種類,如圖1所示是各種ET200SP基座的大集合。

各種ET200SP基座
圖1 各式基座注:外觀相同的基座,圖中只出現一次。


下面分別來看一下各種基座。


①A0基座

基本上常用的DI、DQ、AI、AQ、串口模塊、計數器模塊、PTO模塊等用的都是A0基座,外觀如圖1中①②③④,那為什么會有四種呢?

A0基座按供電分可以分兩類,可以通過端子處顏色來看出,淺色的①③是需要DC24V電源供電的,深色的②④是沒有電源供電的。淺色的基座的可以通過背板往右邊相鄰的深色基座供電,最大10A,直到下一個淺色基座之前,后文會通過電路示意圖分析。由此我們可以得知接口模塊后的模塊,淺色A0基座是可以放置在第一位的,深色A0基座至少放置在第二位。


A0基座按輔助端子同樣可以分兩類,可以通過基座長短來看出,尺寸更長端子更多的③④是有輔助端子的,①②是沒有的。輔助端子可以在端子處提供更多的0V或者24V,主要是用于點數多的模塊公共線或電源線等,例如16點的DI,8點的AI等。這樣供電單元和輔助端子的存在與否就使得A0基座產生了四種類型。


②A1基座

AI、AQ模塊都可以使用A1基座,其外觀同A0,即圖1中①②③④,也就是說單從外表分不出哪個是A0還是A1,只能通過側面的訂貨號才能分清。在供電和輔助端子方面,A0和A1也是沒有區別的。這就帶來一個問題,如果采購了A0和A1,在安裝時可能就錯誤的把數字量模塊安裝在了A1基座上,然后發現無法使用。所以我們一般推薦沒有特殊情況下模擬量模塊也只選用A0基座就好了。那什么是特殊情況呢?

如果您需要溫度模擬量采集模塊測量熱電偶時使用內部補償功能,即如圖2所示的設置,此時如果不用 A1 基座就無法讀取到準確的溫度值。除此以外,就沒有使用 A1基座的必要了。


圖2  基準結設置

注:后文多次提到的A0基座,也同樣可以指代A1基座。

③B0基座、B1基座

B0基座外觀如圖1中⑤,B1基座外觀如圖1中⑥,外觀上的區別僅在最下方四個端子的顏色,整體均呈現深色。這兩種用途接近,主要是用于一些繼電器模塊、交流DI模塊、流量儀表、充電模塊、TM Pulse脈沖模塊等,部分模塊不支持B0基座只支持 B1基座。

B1基座與B0基座,最大的區別是電源,B1基座需要供電,可以根據安裝模塊的需要向其提供DC24V/AC230V電源,與淺色A0基座不同的是,B1基座并不會通過背板向右邊相鄰基座供電。此外B1基座如果位于淺色A0與深色A0基座之間時,不影響左側淺色基座向右側深色基座的供電。而B0基座則需要其左邊使用提供電源的基座,例如淺色 A0基座。


由此可知同樣是深色的B1基座是可以放在接口模塊后模塊的第一位的,而B0基座至少是放在第二位的。


④C0基座、C1基座

C0基座外觀如圖1中⑦,C1基座外觀如圖1中⑧,C0是淺色基座,C1是深色基座。C0基座可以用于AS-i、AS-i Safety以及F-PM-E模塊,而C1基座目前只能用于AS-i Safety模塊。

C0基座需要供電,可以根據模塊需要向其提供DC24V/AC230V電源,通過背板往右邊相鄰的深色基座供電,最大10A,直到下一個淺色基座之前。而C1基座則需要左側淺色基座供電。


⑤F0基座

F0基座外觀如圖1中⑤,目前僅F-RQ模塊使用?;枰筮厹\色模塊供電,但實際模塊通道本身不需要電源,僅用于模塊基礎的電路消耗。

⑥U0基座

U0基座外觀如圖1中⑨⑩,根據供電與否區別于淺色還是深色。U0基座目前廣泛應用于UC模塊(交直流模塊)、繼電器輸出、電能模塊、稱重模塊、DALI通信模塊、F-TM 步進/伺服模塊,可以說后期出的模塊很多都是這種基座。

U0基座和A0基座最大區別在于電源,U0基座電壓等級在DC120V/AC240V,根據安裝模塊的需要選擇,淺色基座通過背板往右邊相鄰的深色基座供電,最大10A。


⑦D0基座

D0基座外觀如圖1中?,其實這是個隨已淘汰的電能模塊一起淘汰的基座,這里就不贅述了。

除A0、A1基座以外的其他基座與目前已有模塊的搭配組合,如圖3所示。

除A0、A1基座以外的其他基座與目前已有模塊的搭配組合
圖3 非A0、A1基座與模塊的搭配

注:深色底色模塊是已淘汰的電能模塊;目前訂貨號與基座關系唯一例外是圖3紅框圈出的模塊。

除了通過上面表格,那還能如何快速知道使用的模塊對應的基座呢?


例如:TM Pulse 2x24V,訂貨號:6ES7138-6DB00-0BB1,后兩位是B1,那就可以用B1基座,是否支持B0,可以去手冊或官網查詢。


F-PM-E 24VDC/8A PPM ST,訂貨號:6ES7136-6PA00-0BC0,后兩位是C0,那就可以用C0基座,是否支持C1,同樣可以去手冊或官網查詢。


基座訂貨號如圖4所示。

基座訂貨號
圖4 基座訂貨號


2、電路分析

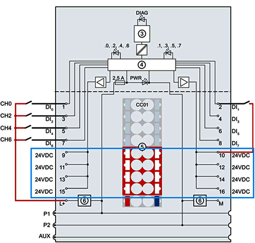
我們先來看ET200SP系統手冊中的一個典型配置。

ET200SP系統手冊中的一個典型配置
圖5 典型配置


如圖5所示,該ET200SP分布式IO的基座是一個淺色沒有輔助端子的A0基座連接三個深色沒有輔助端子的A0基座,然后又是一個淺色沒有輔助端子的A0基座連接五個深色沒有輔助端子的A0基座。除了最上面的背板總線,下方是P1、P2、AUX總線。


第二個淺色基座把P1、P2、AUX總線隔離開,形成了兩個獨立的電位組,從圖中可知第一個電位組的P1、P2由第一個淺色基座電源供電,第二個電位組的P1、P2由第二個淺色基座電源供電,整套系統沒有帶輔助端子的模塊,兩段AUX都懸空。


詳細圖解以A0基座為例,如圖6所示。

A0基座電路
圖6 A0基座電路


◆對于淺色基座紅色框,接頭這里與P1、P2、AUX總線斷開,右邊連接到相鄰基座接頭。

◆對于深色基座紅色框,接頭這里與P1、P2、AUX總線連接,右邊連接到相鄰基座接頭。
◆對于有輔助端子基座藍色框,L+與P1連接,M與P2連接,1A-10A與AUX連接。
◆對于沒有輔助端子基座藍色框,L+與P1連接,M與P2連接,沒有端子與AUX連接。

劃重點:淺色基座是開啟新一個電位組,與前面電位組隔離開。整個電位組的P1、P2、AUX是導通的,P1、P2總線由淺色基座的L+和M提供,一個電位組中如果有輔助端子,則可以對其中一個輔助端子指定電位,這樣AUX總線就有了相同的電位。


深色基座作用是承前啟后,左邊連接包含電源的P1、P2、AUX總線,再提供給右邊基座。也就是說深色基座的L+和M可以為外部提供電源,例如作為傳感器電源。


再以B0、B1基座為例,如圖7所示。

B0、B1基座電路
圖7 B0、B1基座電路


對于B0基座,基座沒有L+和M端子,只能從左邊基座提供電源,左邊接頭與P1、P2、AUX總線連接,并連接至其右側基座,電源通過P1、P2總線提供給模塊,而AUX連接至基座的輔助端子1A-4A。如果允許P1、P2總線是DC24V,可以連接至以A0淺色基座供電的電位組。


對于B1基座,接頭與P1、P2、AUX總線連接,右邊連接到后一基座接頭。但是總線與基座本身端子與電源完全隔離,基座電路1L、1N、2L、2N只供給基座、模塊自身,這就為什么前面說“B1基座并不會通過背板向右邊基座供電。此外B1基座如果位于淺色A0與深色A0基座之間時,不影響左側淺色基座向右側深色基座的供電”。也就是說B1如果在一個電位組內部,是和電位組本身沒有太多交集。


通過類似這種方法,我們可以分析每一種基座電路,這里就不多說了,基座具體說明可以參考手冊《SIMATIC ET 200SP BaseUnit》。 手冊鏈接在西門子官網查找。


3、電位組模塊數量計算

前面提到了電位組問題,那后一個問題就隨之而來,就是一個電位組能有幾個模塊,這也是熱線經常遇到的關于ET200SP的問題,我們現在來看一下。

不說比較特殊的F-PM-E模塊,這個輸出最多8A。一般情況下一個電位組最多10A,不論A0基座、U0基座、C0基座,以最常用的A0基座為例。

對于10A的使用,主要是看負載情況,而模塊本身的損耗很小,以DI 8x24VDC ST模塊為例,手冊中列出了功率損失,截圖如圖8所示。

DI 8x24VDC ST模塊功率損失
圖8 功率損失


典型值只有1W,也就是大約0.04A,10個模塊才0.4A。真正的使用大頭在負載側,還是這個模塊為例,如果使用模塊本身的DC24V輸出,如圖9所示的藍框。那樣的話最多可能輸出700mA,例如我們連接一些光柵之類的有源的傳感器,這個數據就非??捎^了,手冊截圖如圖10所示。


圖9、模塊接線圖

DI 8x24VDC ST電流使用
圖10 DI 8x24VDC ST電流使用


而像AI、AQ這種模塊,手冊中也都會提到電流使用情況,例如比較常用的AI 8xI 2-/4-wire BA與AQ 4xU/I ST,查閱手冊我們就能得知,分別是0.7A和150mA,其中0.7A主要是全是四線制的情況,如果換成兩線制會少一些,如圖11、12所示。


圖11、AI 8xI 2-/4-wire BA 電流使用

AQ 4xU/I ST電流使用
圖12 AQ 4xU/I ST電流使用


還有就是DQ了,這個是負載電流主要提供方,以常用模塊DQ 8x24VDC/0.5A ST為例,手冊中只列出了損耗電流,這還是無負載的35mA,如圖13所示。

DQ 8x24VDC/0.5A ST電流使用
圖13 DQ 8x24VDC/0.5A ST電流使用


更多的是DQ所連接的負載,這個就得看連接的什么設備了,模塊本身單通道最多0.5A,8個通道就是4A,實際使用多少取決于負載大小,尤其是連接一些像閥門之類的設備電流會比較大,可以查詢在負載的手冊中查詢額定電流。


其他模塊也可以照類似方法分析查手冊,手冊有些參數沒有說明的地方,可以看看SIOS網站的設備網頁。


最后還有可能的就是深色基座的L+、M對外供電使用的電流消耗。


所以一個電位組能帶幾個模塊,取決于模塊類型、負載,包括輸出負載,對外電源等方方面面的消耗,需要按上述思路考慮周全,而不能是為了方便,DI一個電位組,DQ一個電位組這種方式,或者每5個模塊一個電位組之類的。


4、總結

以上就是ET200SP基座各種常見問題集合,你都明白了嗎,如果還有什么問題,歡迎在評論區留言。

共有訪客發表了評論 網友評論

  客戶姓名:
郵箱或QQ:
驗證碼: 看不清楚?