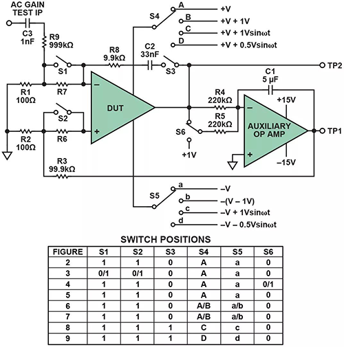
通過使用伺服環路,可以大大簡化測量過程,強制放大器輸入調零,使得待測放大器能夠測量自身的誤差。圖1顯示了一個運用該原理的多功能電路,它利用一個輔助運放作為積分器,來建立一個具有極高直流開環增益的穩定環路。開關為執行下面所述的各種測試提供了便利。

圖1 基本運算放大器測量電路
圖1所示電路能夠將大部分測量誤差降至最低,支持精確測量大量直流和少量交流參數。附加的“輔助”運算放大器無需具有比待測運算放大器更好的性能,其直流開環增益最好能達到106或更高。如果待測器件(DUT)的失調電壓可能超過幾mV,則輔助運放應采用±15V電源供電(如果DUT的輸入失調電壓可能超過10mV,則需要減小99.9 kΩ電阻R3的阻值。)
DUT的電源電壓+V和–V幅度相等、極性相反??傠娫措妷豪硭斎皇?×V。該電路使用對稱電源,即使“單電源”運放也是如此,因為系統的地以電源的中間電壓為參考。
作為積分器的輔助放大器在直流時配置為開環(最高增益),但其輸入電阻和反饋電容將其帶寬限制為幾Hz。這意味著,DUT輸出端的直流電壓被輔助放大器以最高增益放大,并通過一個1000:1衰減器施加于DUT的同相輸入端。負反饋將DUT輸出驅動至地電位。(事實上,實際電壓是輔助放大器的失調電壓,更精確地說是該失調電壓加上輔助放大器的偏置電流在100kΩ電阻上引起的壓降,但它非常接近地電位,因此無關緊要,特別是考慮到測量期間此點的電壓變化不大可能超過幾mV)
測試點TP1上的電壓是施加于DUT輸入端的校正電壓(與誤差在幅度上相等)的1000倍,約為數十mV或更大,因此可以相當輕松地進行測量。
理想運算放大器的失調電壓(Vos)為0,即當兩個輸入端連在一起并保持中間電源電壓時,輸出電壓同樣為中間電源電壓?,F實中的運算放大器則具有幾微伏到幾毫伏不等的失調電壓,因此必須將此范圍內的電壓施加于輸入端,使輸出處于中間電位。
圖2給出了最基本測試-失調電壓測量的配置。當TP1上的電壓為DUT失調電壓的1000倍時,DUT輸出電壓處于地電位。

圖2 失調電壓測量
理想運算放大器具有無限大的輸入阻抗,無電流流入其輸入端。但在現實中,會有少量“偏置”電流流入反相和同相輸入端(分別為Ib–和Ib+),它們會在高阻抗電路中引起顯著的失調電壓。根據運算放大器類型的不同,這種偏置電流可能為幾fA(1fA=10-15A,每隔幾微秒流過一個電子)至幾nA;在某些超快速運算放大器中,甚至達到1~2μA。圖3顯示如何測量這些電流。

圖3 失調和偏置電流測量
該電路與圖2的失調電壓電路基本相同,只是DUT輸入端增加了兩個串聯電阻R6和R7。這些電阻可以通過開關S1和S2短路。當兩個開關均閉合時,該電路與圖2完全相同。當S1斷開時,反相輸入端的偏置電流流入Rs,電壓差增加到失調電壓上。
通過測量TP1的電壓變化(=1000Ib–×Rs),可以計算出Ib–。同樣,當S1閉合且S2斷開時,可以測量Ib+。如果先在S1和S2均閉合時測量TP1的電壓,然后在S1和S2均斷開時再次測量TP1的電壓,則通過該電壓的變化可以測算出“輸入失調電流”Ios,即Ib+與Ib–之差。R6和R7的阻值取決于要測量的電流大小。
如果Ib的值在5pA左右,則會用到大電阻,使用該電路將非常困難,可能需要使用其它技術,牽涉到Ib給低泄漏電容(用于代替Rs)充電的速率。當S1和S2閉合時,Ios仍會流入100Ω電阻,導致Vos誤差,但在計算時通常可以忽略它,除非Ios足夠大,產生的誤差大于實測Vos的1%。
運算放大器的開環直流增益可能非常高,107以上的增益也并非罕見,但250,000到2,000,000的增益更為常見。直流增益的測量方法是通過S6切換DUT輸出端與1V基準電壓之間的R5,迫使DUT的輸出改變一定的量(圖4中為1V,但如果器件采用足夠大的電源供電,可以規定為10V)。如果R5處于+1V,若要使輔助放大器的輸入保持在0附近不變,DUT輸出必須變為–1V。

圖4 直流增益測量
TP1的電壓變化衰減1000:1后輸入DUT,導致輸出改變1V,由此很容易計算增益(=1000×1V/TP1)。
為了測量開環交流增益,需要在DUT輸入端注入一個所需頻率的小交流信號,并測量相應的輸出信號(圖5中的TP2)。完成后,輔助放大器繼續使DUT輸出端的平均直流電平保持穩定。

圖5 交流增益測量
圖5中,交流信號通過10,000:1的衰減器施加于DUT輸入端。對于開環增益可能接近直流值的低頻測量,必須使用如此大的衰減值。(例如,在增益為1,000,000的頻率時,1V rms信號會將100μV施加于放大器輸入端,放大器則試圖提供100V rms輸出,導致放大器飽和。)因此,交流測量的頻率一般是幾百Hz到開環增益降至1時的頻率;在需要低頻增益數據時,應非常小心地利用較低的輸入幅度進行測量。所示的簡單衰減器只能在100kHz以下的頻率工作,即使小心處理了雜散電容也不能超過該頻率。如果涉及到更高的頻率,則需要使用更復雜的電路。
運算放大器的共模抑制比(CMRR)指共模電壓變化導致的失調電壓視在變化與所施加的共模電壓變化之比。在DC時,它一般在80dB至120dB之間,但在高頻時會降低。
測試電路非常適合測量CMRR(圖6)。它不是將共模電壓施加于DUT輸入端,以免低電平效應破壞測量,而是改變電源電壓(相對于輸入的同一方向,即共模方向),電路其余部分則保持不變。

圖6 直流CMRR測量
在圖6所示電路中,在TP1測量失調電壓,電源電壓為±V(本例中為+2.5V和–2.5V),并且兩個電源電壓再次上移+1V(至+3.5V和–1.5V)。失調電壓的變化對應于1V的共模電壓變化,因此直流CMRR為失調電壓與1 V之比。
CMRR衡量失調電壓相對于共模電壓的變化,總電源電壓則保持不變。電源抑制比(PSRR)則相反,它是指失調電壓的變化與總電源電壓的變化之比,共模電壓保持中間電源電壓不變(圖7)。

圖7 直流PSRR測量
所用的電路完全相同,不同之處在于總電源電壓發生改變,而共模電平保持不變。本例中,電源電壓從+2.5V和–2.5V切換到+3V和–3V,總電源電壓從5V變到6V。共模電壓仍然保持中間電源電壓。計算方法也相同(1000×TP1/1V)。
為了測量交流CMRR和PSRR,需要用電壓來調制電源電壓,如圖8和圖9所示。DUT繼續在直流開環下工作,但確切的增益由交流負反饋決定(圖中為100倍)。

圖8 交流CMRR測量

圖9 交流PSRR測量
為了測量交流CMRR,利用幅度為1V峰值的交流電壓調制DUT的正負電源。兩個電源的調制同相,因此實際的電源電壓為穩定的直流電壓,但共模電壓是2V峰峰值的正弦波,導致DUT輸出包括一個在TP2測量的交流電壓。
如果TP2的交流電壓具有xV峰值的幅度(2xV峰峰值),則折合到DUT輸入端(即放大100倍交流增益之前)的CMRR為x/100\ V,并且CMRR為該值與1V峰值的比值。
交流PSRR的測量方法是將交流電壓施加于相位相差180°的正負電源,從而調制電源電壓的幅度(本例中同樣是1V峰值、2V峰峰值),而共模電壓仍然保持穩定的直流電壓。計算方法與上一參數的計算方法非常相似。
當然,運算放大器還有許多其它參數可能需要測量,而且還有多種其它方法可以測量上述參數,但正如本文所示,最基本的直流和交流參數可以利用易于構建、易于理解、毫無問題的簡單基本電路進行可靠測量。
相關閱讀
◆儀表工初識集成運算放大器
◆一支熱電偶能否連接多臺顯示儀表
◆多路模擬電子開關和可編程增益放大器在數顯表中的應用
