
圖1 輔助觸點的小導通容量
在一個典型的控制電路中(圖2),如果觸頭端產生的壓降Uk,大到使控制器(Control system)輸入端的電壓Ue低于其允許工作電平時,就會出現故障。

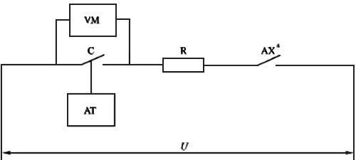
圖2 典型電子式控制裝置電氣圖
DIN19240-1985對電子式控制裝置中電氣極限條件做了如下規定:供電電壓:U=20.4~28.8V;H信號:Ue=13~30.2V,Ie≤15mA;L信號:Ue=-3~5V;存儲器可編程控制器PLC SIMATIC S5常規的工作值是:Ue=24V;Ie=8.5mA;輸出級內部的電壓降一般為2~3V。
在最不利的情況下,圖2中輔助觸頭端Uk電壓為:Ue=20V-3V=17V;回路電流為:Ie=13V÷24V×8.5mA=4.6mA;允許的觸頭接觸電阻為:R=(17V-13V)÷4.6mA=870Ω。
因此,對于輔助觸頭導通可靠性試驗的參數就定義為:17V/5mA。
輔助觸頭導通可靠性試驗需要遵照標準GB/T14048.17 第5-4部分:控制電路電器和開關元件+小容量觸頭的性能評定方法+特殊試驗。

試驗中,會監測觸頭C兩端的電壓降和回路電流,如果觸頭兩端的電壓降超過5%或其他定義值,且持續持續時間超過5ms,則記錄為一次失效,廠家按照該17V/5mA的參數測試過后,才能宣稱滿足一定的可靠性。
延伸閱讀
◆控制或信號回路中接觸器輔助觸點的導通可靠性很重要
