吹氣式液位計可用于敞口容器和密閉容器內介質的液位、密度和界面測量,昌暉儀表在本文對吹氣式液位計測量系統算法知識做詳細介紹,幫助大家深入了解吹氣式液位計及其應用。
吹氣測量系統由吹氣式液位計本體、配套吹氣管和差壓變送器等部件組成。吹氣式液位計本體內部由殼體,內部管線,減壓閥,恒流閥,流量計等部件組成。吹氣測量系統以潔凈無油的儀表壓縮空氣為測量介質。將一定壓力的壓縮空氣通過吹氣管道輸送至被測設備,當吹氣管道內的壓縮空氣壓力大于吹氣管下端與被測物料接觸位置的壓力時,吹氣管會穩定、連續地吹出固定頻率的氣泡。此時,吹氣管道內壓力相對穩定且有一定的代表性。
1、吹氣測量系統基本算法
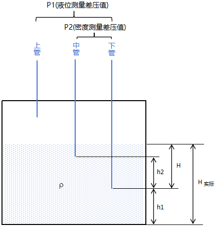
液相吹氣管內壓力:P1=P液,氣相吹氣管內壓力:P2=P氣,則所測介質深度處壓力值:△P=P2-P1,被測介質密度ρ,設備所在地重力加速度g,則介質可被測量到的液位高度變化H:H=△P/(ρ×g),容器實際液位高度H實際:H實際=H+h1。
下圖介質密度確定時吹氣式液位計用于密閉容器內液位測量的典型應用,儀表工選用雙路吹氣式液位計和1臺差壓變送器即可完成該液位測量。

圖1 吹氣式液位計液位測量示意圖
吹氣式液位計的基本原理是通過測量計算兩種介質之間壓力差值進而計算被測參數。而兩種介質不僅限于氣相與液相。通過測量兩種不同密度的液相之間壓力差值進而計算,則可以得到兩種不溶介質的界面位置。由吹氣法基本原理可知:有機相與水相吹氣管壓力差:△P=P1-P2=ρ有機×(h-Li)×g+ρ水×Li×g

圖2 吹氣式液位計測界面示意圖
經換算,密度確定的密閉容器內介質界面:Li=(△P-ρ有機×h×g)/[(ρ水-ρ有機)×g],式中:P1為水相中吹氣管壓力;P2為有機相中吹氣管壓力;h界面測量管間距,Li為界面高度;g為當地重力加速度;ρ有機為有機相密度;ρ水為水相密度。
由上述計算可得,兩種不溶介質的界面位置的Li數值。
2、吹氣測量系統應用算法
吹氣式液位計通過測量設備內各點壓力差值,進而換算出目標參數。吹氣式液位計輸出信號為差壓值,因此需要通過各類算法進行換算。對于工藝設備而言,一臺設備往往需要測量多個參數,對于控制系統而言,可將典型設備分類并編制計算模塊的形式,以減少設計工作量。昌暉儀表列舉幾種常見設備并對其進行闡述。
2.1 單項貯槽
單項貯槽內介質單一,往往需要測量液位和密度兩種參數,其中可細分為兩種情況:密度較穩定和密度波動較大。密度較穩定的情況可采用基本算法(圖1)。

圖3 單項貯槽密度待定示意
當貯槽內介質密度無法給定,上述計算法無法實現正常測量,即需要增加密度補償功能。密度補償功能是吹氣算法中重要的輔助計算手段。液位測量帶密度補償功能如下:


兩式合并可得:
式中,H實際為實際被測液位;P?為液位測量差壓值;P?為密度測量差壓值;h?為中管與下管間距;h?為吹氣下管距設備底部高度。
2.2 兩項貯槽
兩項貯槽在核化工領域應用極其廣泛,設備內分別有有機相和水相兩種互不相溶的介質,兩種介質密度差異較大,靜置時會出現明顯的分層現象。兩項貯槽往往需要測量液位,某相或某相介質密度、界面、液位信號等參數。測量參數的增加會導致插入設備的吹氣管增加,吹氣管之間的配合邏輯也變得更加復雜。按照測量參數大致可分為2種情況:
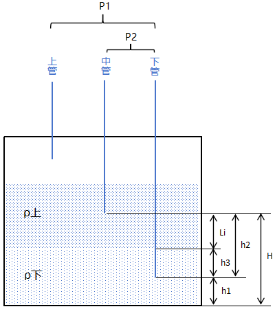
(1)密度變化較小液位界面測量(圖4)

圖4 兩項貯槽密度給定示意
由于設備內存在兩相介質,無法直接通過差壓值與密度進行換算,因此需要采用分段計算的方法,先計算中管以上液位高度,與中管、下管距設備底部兩段距離相加,即可得到完整液位高度。

式中,H為實際液位高度;P1為上下兩吹氣管壓差;P2為中下兩吹氣管壓差;ρ上為上層介質密度;h1為下管距設備底部距離;h2為中下兩管距離;g為重力加速度;h3為界面與下管距離。
界面的計算與測量需要保證兩根吹氣管同時分別處于兩相介質中,即界面位于中管與下管之間。

換算可得

式中,ρ下為下層介質密度。
(2)密度變化較大液位界面測量(圖5)

圖5 兩項貯槽密度待定示意
當設備內介質無法確定時,即需要在測量和計算過程中引入密度補償用以確定兩相密度值。而增加密度補償則需要相應增加密度測量管,新增的密度管也可作為界面較低時界面測量管,此舉可大大減少界面測量盲區,對于倒料作業有較大的指導意義。此類貯槽在工程項目中應用情況極少,但是卻代表了工程項目中所應用吹氣式液位計算法的核心思想,即引入較多的判斷步驟,達到對液位與界面的大致位置判斷,進而判斷計算參數的可信度。在非接觸測量技術改進研究試驗過程中,曾出現脈沖萃取柱界面由于超過界面測量儀表的量程而導致控制系統算法無法判斷界面位置,以及脈沖萃取柱進料過多導致泄漏等問題。同理,如將判斷機制更多的引入算法,則可最大限度避免此類問題發生。
本節列舉貯槽由于工況過于極限,而實際應用情況有限,但其表達的計算思想,是編制工程項目吹氣式液位計算法的基本邏輯與思路。我們以中管與下管組合測量界面為例,對吹氣式液位計算法進行詳細闡述。
首先需要分別計算兩種介質密度:

式中,ρ上為上層介質密度;ρ下為下層介質密度;P2為中管與中上管壓差;P3為下管與中下管壓差;g為重力加速度;h2為中管與中上管間距;h3為下管與中下管間距。
①首先需要確定液位大致位置,以中管為界,判斷上下管壓差與中下管壓差:當P上下≥P中下時,可判斷液位位于中管以上。此時如果ρ上<1且ρ下>1,即判斷此時下管與中下管完全浸沒于水相,但中管與中上管是否均位于有機相無法判斷。此時需要引入差壓值進行判斷,當P上下≥P中下+P*+P#時,則中管與中上管均位于有機相內,此時密度值帶入液位和界面的計算公式:

式中,P1為上下兩管壓差;P4為中下兩管壓差;h1為下管距設備底部距離;h4為中下兩管距離;ρ上為上層介質測量密度;g為重力加速度;P*代表中上與中管差壓值,P#、P**為修正值,兩者為可調值,視不同情況而定。

式中,ρ下為下層介質測量密度。
當P上下<P中下+P*+P#時,即中管位于有機相中而中上管暴露于氣相中時,需要引入有機相密度給定值進行計算,即上述計算公式中的ρ上為設定值。
②當P上下≥P中下且ρ下<1時,此時可判斷貯槽內界面已下降至中下管以下。當P上下≥P中下+P*+P#時,此時液位高于中上管,公式與上述式相同,但ρ下為下層介質給定密度。
當P上下<P中下+P*+P#時,此時液位低于中上管,兩相密度測量均失效,此時計算與上述式相同,ρ上和ρ下均為給定密度。
當P上下<P中下+P*且ρ下>1,此時無法準確判斷液位與界面的準確位置,僅能通過ρ下的測量值與ρ上的給定值計算平均密度進而估算液位值。界面僅能確定位于中管與中下管之間。
③當P上下≥P中下+P**且ρ下<1,此時液位位于中下管與中管之間,界面位于下管與中下管之間,可沿用上述液位和界面計算公式,但ρ上和ρ下均為給定密度。
當P上下<P中下+P**且ρ下<1此時界面位置已降至下管之下,液位可通過密度平均值估算,界面位置已無法檢測。
本節所列舉算法,僅為眾多算法中具有代表性的,代表了我們編制工程項目吹氣式液位計算法的基本思想。
2.3 混合澄清槽
第2.2節對普通貯槽的算法與判斷進行了闡述,本節以混合澄清槽的單級為對象,對其算法與判斷進行闡述(圖6)?;旌铣吻宀弁枰獪y量至少兩級的液位、界面等參數,每級測量原理基本一致,通過公用儀表管,可減少插入儀表管數量。

圖6 混合澄清槽(單級)測量系統示意
在實際混合澄清槽儀表管設置過程中,往往多級共用一根氣相吹氣管,其余吹氣管依據實際情況設置。當液位處于正常值時,存在如圖6情況,1管處于氣相,2/3管處于有機相,4/5管處于水相。此時存在判斷關系P上下≥P中下+P*+P#,即判斷液位穩定處于溢流口位置或高于溢流口,其中P*為2管所受壓力值,可根據具體設備插入深度,正常液位及當地重力加速度求得。P#為修正系數,可根據調試結果調整。此時:

式中,P1為上下兩管壓差;P4為中上-下兩管壓差;h1為中上-下兩管距離;ρ上為上層介質測量密度;g為重力加速度。
當P上下<P中下+P*+P#時,即2管處于氣相時,此時可采用密度給定值或采用平均密度計算。

當P上下≥P中下+P*+P#時,即液位處于正常狀態時:

式中,P4為中上-下兩管壓差;h4為中上-下兩管距離;ρ上為上層介質測量密度;ρ下為下層介質測量密度;g為重力加速度。
當P上下<P中下+P*+P#時,即2管處于氣相時,此時可根據變送器E數值判斷界面大概位置。當E保持在大于等于1時,可判斷界面位于3/4管之間,當E發生減小,可判斷界面位于4/5管之間。
混合澄清槽算法與上述貯槽有一定相似性,但是往往因為工藝要求比較固定,所以沒有過多需要考慮的情況,因此在工程項目實際應用中,難度反而有所降低。
3、結論
綜上,吹氣式液位計作為一個較為復雜的檢測裝置,與其他檢測儀表相比,在吹氣式液位計選型、計算、布置、安裝等方面都有一定的復雜性和不確定性。吹氣測量系統算法經過大量科研探索與研究,實現了不同場景、不同工況的分門別類,適應大多數的應用場景。本文所闡述的算法,包含了較為常見的設備,而對于特殊設備而言,本算法仍需要進行大量的適應性改進。這也體現了吹氣液位計測量系統的復雜性,只能通過不斷地試驗、總結、摸索、再試驗的過程,形成穩定成熟的算法。這也是今后科研工作中的一個重要方向。
作者:唐翊桐、王宇婷、馮存強
