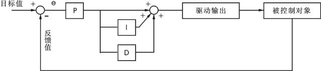
變頻器內置PID控制電路原理放圖
對大多數變頻器而言,常將給定信號稱為目標信號或目標值,用字母XT來表示,實際其等同于常規控制系統的給定值。其將被控參數稱為反饋信號或當前值,用字母XF來表示,實際上其等同于常規控制系統的測量值。在變頻器的說明書中將該信號的接入端子稱為反饋輸入端。這樣變頻器內置PID控制的輸入信號是目標值XT與當前值XF的偏差XG,即XG=Kp×(XT-XF) ,式中XG為頻率給定信號;Kp為比例增益。這跟常規控制系統的比例放大是一樣的,即將(XT-XF)放大Kp倍作為頻率給定信號。其如圖2所示。顯然,當放大器的比例增益Kp足夠大時,反饋的動態特性決定了變頻器內置PID控制裝置的控制規律。較大的比例增益Kp可提高控制裝置對小偏差的靈敏度(e=XT-XF),從而可提高頻率控制的精度,即(XT-XF)的差值越小,XF越接近XT,但比例控制存在靜態偏差,也是比例作用效果的根本特點,所以比例控制也叫有差控制。只是比例增益越大余差越小而已,不可能為零,但如果比例增益太大,系統過于靈敏,則會使變頻器的輸出頻率大幅波動而產生振蕩,這是不希望的。為了克服余差和避免系統振蕩,所以就要使用積分控制。
積分控制的目的是消除余差,它通過對偏差的積分來校正變頻器的輸出頻率,也就是過去的偏差進行累積來實現最終的零偏差;只要偏差不消除積分就不停止,從而有效消除了余差。積分增益的大小決定了多長時間對偏差積分一次,積分增益的倒數就稱為積分時間S。
微分控制D,其作用與傳統控制系統是一樣的,主要是解決滯后問題。即其是根據偏差變化率的大小,提前給出一個相應的控制動作,以縮短控制動作時間,能較快調整變頻器的輸出頻率。微分增益的大小決定了多長時間對偏差微分一次,大多變頻器用的是微分時間SD,已有用微分增益KD的。由于微分控制屬于敏感控制,有可能會對有用信號外的噪聲響應,因此流量、壓力控制都不使用微分控制。
變頻器產品型號繁多,對于內置P1D控制的術語稱謂不統一,由于變頻器對PID參數的稱謂與常規控制系統有所不同,這樣就會造成使用者在理解和設定參數時無所適從,在理解變頻器PID參數時可能會產生誤解。因此,現將變頻器說明書中對PID控制參數的稱謂列舉如下,供參考和比較。
比例(P)功能。有稱為:PID輸出增益、PID增益、比例常數(0-1000%)、比例增益(0.0-100)、比例P增益(0-999.9%)、比例值增益(0-5.0)等。
積分(I)功能。有稱為:PID積分時間、積分時間常數(1.0-100.0s)、積分作用范圍、積分時間常數、積分時間(0.1-3600ID.Os)、PID積分增益等。
微分(D)功能。有稱為:PID微分時間、PID控制器微分時間、微分時間、微分時間常數、微分增益(0.0-5.0)等。
上述括號中的數字是部分變頻器的數值設定范圍例子,從中可見各型變頻器的PID參數稱謂是很不統一的,所以在設定PID參數前應閱讀所使用變頻器的說明書,按其說明進行設定。但只要掌握了PID各參數的作用,在實際的參數整定中,不管其如何標注還是有規律可循的,知道了各參數增大、減小的作用及方向,也就可進行參數整定工作了。
