萬能轉換開關主要用于額定工作電壓AC380V/50Hz、額定電流至160A及DC220V及以下的各種電氣控制線路的轉換、電壓表、電流表的換相測量控制、配電裝置線路轉換和遙控等。萬能轉換開關還可以用于直接控制小容量電動機的起動、調速和換向。
萬能轉換開關分類
國內現有的LW2、LW4、LW5、LW6、LW8、LW12、LW15、LW16、LW26、LW30、LW39、CA10、HZ5、HZ10、HZ12等各類開關以及進口設備上的萬能轉換開關,使用廣泛。萬能轉換開關有掛鎖型開關和暗鎖型開關(63A及以下),可用作重要設備的電源切斷開關,防止誤操作以及控制非授權人員的操作。昌暉儀表提示最常用萬能轉換開關有LW5、LW6和LW12系列。

1、LW5-16系列萬能轉換開關按用途分有主令控制和控制5.5kW及以下的小容量電動機用兩種;LW5-16系列萬能轉換開關按操作方式分定位型和子復位型兩種;LW5-16系列萬能轉換開關按操作器外形分有旋鈕式和球形捏手式兩種。

2、LW5-16系列主令控制用萬能轉換開關選型
LW5-16①②/③
①特征代號(見上表)
[A]:(見上表)
②操作圖編號
③接觸系統節數
[數字]:數位1-16(有1-16節)
3、LW5-16系列直接控制電動機用萬能轉換開關選型
LW5-16 5.5①/②
①用途代碼
[Q1:直接啟動
[N]:可逆轉換
[S]:雙速電動機變速
[SN]:雙速電動機變速、逆轉
②接觸系統節數
[數字]:數位1-16(有1-16節)
4、LW5-16系列萬能轉換開關外形和安裝尺寸

LW6系列萬能轉換開關
LW6系列萬能轉換開關主要適用于交流50Hz,額定工作電壓至380V,直流電壓至220V的機床控制電路中,實現各種線路的控制和轉換,也可用于其它場合控制線路的轉換,例如電磁線圈,電氣測量儀表和伺服電動機等。

1、LW6系列萬能轉換開關外形和安裝尺寸

2、LW6系列萬能轉換開關選型
LW6-①②/③
①觸頭座數(見表2)
②特征代碼(見表3)
③操作圖編號
表2 LW6萬能開關觸頭座數
表3 操作特征代碼

LW12-16系列萬能轉換開關
LW12-16系列萬能轉換開關主要用于交流50Hz、額定工作電壓380V及以下,直流電壓220V及以下的電路中轉換電氣控制線路和電氣測量儀表,也可直接控制5.5KW及以下的三相鼠籠型異步電動機。

1、LW12-16系列萬能轉換開關按用途分有主令控制用轉換開關和直接控制電動機用轉換開關;LW12-16轉換開關按操作方式分有定位型、自復型、定位自復型和定位自復帶閉鎖半裝置型;LW12-16轉換開關按接觸系統分主令控制和控制5.5kW及以下的小容量電動機用兩種。主令控制用萬能轉換開關有1-12節、共12種;直接控制電動機用轉換開關主要有2節、3節、4節和6節,共4種;LW12-16萬能轉換開關按操作方式分有30°、45°和90°四種。
2、 LW12-16系列萬能轉換開關外形和安裝尺寸

3、LW12-16系列主令控制用萬能轉換開關選型
LW12-16①.②/③④
①特征代碼
②操作圖編號
③接觸系統節數
④熱帶產品代號(TH或TA)
4、LW12-16系列直接控制電動機用萬能轉換開關選型
LW12-16/5.5①.②
①用途代碼
[Q1]:直接啟動
[Q2]:直接啟動
[N]:可逆轉換
[S]:雙速電動機變速
[SN]:雙速電動機變速、逆轉
②接觸系統節數(有1-16節)
萬能轉換開關特點
萬能轉換開關具有體積小、功能多、結構緊湊、選材講究、絕緣良好、轉換操作靈活、安全可靠的特點。
萬能轉換開關構成
萬能轉換開關由多組操作機構、定位裝置、觸點、接觸系統、轉軸、手柄等部件組件疊裝而成。
萬能轉換開關觸點在絕緣基座內,為雙斷點觸頭橋式結構,動觸點設計成自動調整式以保證通斷時的同步性,靜觸點裝在觸點座內。使用時依靠凸輪和支架進行操作,控制觸點的閉合和斷開。
萬能轉換開關使用條件
1、周圍空氣溫度不超過40℃,且24小時內平均溫度不超過35℃。
2、周圍空氣溫度下限不超過-5℃,低溫會出現產品結露現象,會改變絕緣。
3、最高溫度40℃時,空氣的相對濕度不超過50%,在溫度較低的時候可以允許有較高的相對濕度,例如20℃時達90%。對于溫度變化偶爾產生的凝露應采取特殊的措施。
4、周圍環境應該空氣清潔、無易燃及可燃危險物、無足以損壞絕緣及金屬的氣體、無導電塵埃。
萬能轉換開關操作
萬能轉換開關用手柄帶動轉軸和凸輪推動觸頭接通或斷開。由于萬能轉換開關凸輪的形狀不同,當手柄處在不同位置時,觸頭的吻合情況不同,從而達到轉換電路的目的。
萬能轉換開關的手柄操作位置是以角度表示的,不同型號的萬能轉換開關有不同觸點。
萬能開關應用實例
1、相電壓換相開關接線及觸點位置
采用LW5-15/YH1型換相開關,其接線如下圖所示,觸點位置見表


2、線電壓換相開關接線及觸點位置
①采用LW5-15/YH2型換相開關,其接線如下圖所示,觸點位置見表


②采用LW5-15/YH3型換相開關,其接線如下圖所示,觸點位置見表


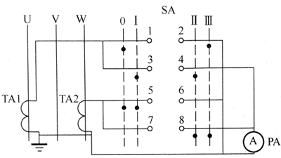
3、電流換相開關接線及觸點位置
①采用LW5-15/LH1型換相開關,其接線如下圖所示,觸點位置見表。由于內部結構的緣故,電流換相開關在換相過程中不會開路。


②采用LW5-15/LH2型換相開關,其接線如下圖所示,觸點位置見表。由于內部結構的緣故,電流換相開關在換相過程中不會開路。


常用萬能轉換開關圖片
LW5-16萬能轉換開關

LW5-16萬能轉換開關

LW5-16萬能轉換開關
LW6轉換開關(帶鎖)

LW6萬能轉換開關

LW8萬能轉換開關
LW8萬能轉換開關

LW12-16(帶標記框)

LW12-16帶鎖轉換開關
LW12-16(帶指示燈轉換開關)

LW12-16自復位轉換開關

LW12-16定位型轉換開關
LW15-16定位型轉換開關

LW15-16轉換開關

LW28底座安裝轉換開關
LW28系列大電流轉換開關

LW29-16A轉換開關

LW29-16A轉換開關
