一、均速管流量計的工作原理
均速管流量計的工作原理見圖1。

圖1中,面對流體流動方向在全壓管上開了4個測孔,測孔按切比雪夫法或其它方法定位,4個測孔檢測的壓力由插入管均壓,插入管的壓力與背對流體流動方向的靜壓管檢測壓力的差值,經開方運算后即反映測量截面處流體平均流速的大小,也就反映了流量的大小。
與孔板等標準節流裝置比較,均速管流量計具有以下特點:計算簡便,易于按現場使用條件變更和修改參數;結構簡單、易于加工,價格低廉;安裝方便、維護量??;性能穩定,在長期使用過程中,其測量精確度基本不變;阻力損失小,大體相當于標準節流裝置阻力損失的5%。
以制造成本為例,對直徑100毫米的管道來說,孔板的價格稍高于均速管。隨著管徑的增加,孔板的制造成本直線上升,而均速管增加不多。當管徑達到400毫米時,孔板的制造成本較100mm管徑時增加了3-4倍,而均速管僅增加0.5倍。管徑再大,價格相差就更多了。但是,由于對均速管流量計的研究深度遠不及標準節流裝置,所以對流體介質較為清潔并需精確計量的場合,一般仍應選標準節流裝置。
二、均速管流量計結構
各種均速管本體結構大體相同,對選型來說其截面形狀和靜壓取壓點較為重要。
1、截面形狀
均速管截面形狀有圓形、菱形等,當流體流過均速管時,流體微團發生反向流動的起始點稱為分離點。對圓形截面均速管來說,雷諾數和靜壓的變化都會使分離點位置移動,從而使流量系數變化,如在雷諾數小于105及大于1.1×106時,流量系數基本穩定,但在105~1.1×106之間時,流量系數變化達±10%。這種異常稱為臨界現象。對菱形截面的均速管來說,分離點位置始終固定,因而不存在臨界現象。
圓形和菱形截面形狀均速管的性能対比見表1。

當設計選用圓形截面均速管后,應按流量變化范圍計算雷諾數變化范圍,如計算結果不能避開105~1.1×106范圍,而測量精確度要求較高時,則應考慮選用菱形截面均速管。
2、靜壓取壓點
均速管有工藝管壁取靜壓及測量管背面中心取靜壓兩種結構。工藝管壁取靜壓的結構可以減小均速管的尺寸,其特性曲線直線性好,但所得差壓值不足背面中心取靜壓所得差壓值的一半,所以對低速流體不宜采用這種結構。
三、混濁流體的測量
均速管流量計的測量對象基本上與標準節流裝置相同,主要用于干凈的氣體、液體及蒸汽,也可以用于有少量沉積物、粘附物的混濁流體。用于混濁流體時,應考慮選用帶下述結構的均速管流量計:
1、排污型均速管
均速管的一端裝有取壓閥,而另一端裝有排污閥,可在運行過程中排污。
2、不停車拆裝型均速管
在均速管裝置上裝有球閥,可在運行中抽出均速管,然后迅速關閉球閥。當均速管清洗完畢后再打開球閥,重新裝入均速管。這種在線清洗機構可以省去測量管線的旁路閥和旁路管線。
3、吹掃型均速管
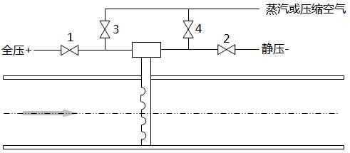
采用圖3所示外接管線可以對均速管進行間斷吹掃。圖中閥1為全壓取樣閥,閥2為靜壓取樣閥,閥3、4為吹掃閥門。正常測量時,打開閥1、2,關閉 閥3、4;吹掃時,關閉閥1、2,打開閥3、4,用介質蒸氣或壓縮空氣可對均速管進行吹洗。

圖2 吹掃型均速管流量計管路示意圖
四、流速范圍
一般認為,均速管流量計所測流體的雷諾數應大于104,即處于紊流狀態。這是因為均速管的工作原理屬速度式流量計,是以測量流體在管道內平均流速為依據的,也就是說,它是以點代面地進行流量測量,而當流體處于層流狀態時,點代表不了面,測量的精確度就很低了。 '
再從測量差壓值方面考慮,當氣體流速低于10米/秒、液體流速低于0.4米/秒時,差壓值大致只有160-200Pa(背面中心取靜壓)或60-70Pa(管壁取靜壓)(見表3、表4)。差壓值這樣低,檢測比較困難,精確度比較低。所以大多數資料推薦被測氣體的流速應大于10米/秒、被測液體的流速應大于0.5米/秒。精確的流量測量則要求氣體流速大于15米/秒,液體流速大于1米/秒。對氣體來說,這個流速應該是根據工作狀態下的體積流量計算出的實際流速。這一點對高溫高壓氣體來說特別重要,因為在高溫狀態下實際流速遠遠大于換算成標準狀態下的流速,而高壓狀態下實際流速又小于換算成標準狀態下的流速。
五、均速管流量計直管段要求
由于均速管設有多對全壓取壓孔,所以對均速管流量計安裝位置前后直管段的要求低于孔板,具體要求見表2。
值得注意的是,國內幾乎所有均速管流量計使用說明書引用這張表時,在序號1安裝位置示意圖中都略去了均速管下游側的彎頭,因此,用戶無法理解“同一平面"“不同平 面”有什么不同,因為不管上游側彎頭朝什么方向彎,均與主管線在“同一平面"。而表2序號1、2安裝位置示意圖有上游側及下游側兩個彎頭,“同一平面”與“不同平面”是指兩個彎頭是否在同一平面上。
文獻中的這張表也有不合情理之處。序號1、2的“均速管流量計安裝位置”示意圖與本文的次序是顛倒的。筆者認為序號1在均速管上游側只一個90°彎頭,而序號2有兩個90。彎頭,序號2要求上游側直管段更長一點才合理。
某幾個廠的產品說明書在列出表2的同時又加了二張插圖(見圖3),圖名為“均速管所要求的上下游直管段”,圖中表示了在均速管上游側有一個90°彎頭時,上下游直管段長度各為2D。在均速管設計選用及現場安裝定點時,設計人員往往以此圖作依據。這張插圖近自自文獻,原文圖名是“均速管流量計直接裝在彎頭后”,但文獻正文中下述一段說明則沒有被這些廠的使用說明書引用:“而尤其難得的是,均速管流量計可以直接安裝在彎頭后僅兩倍直徑的地方,仍有可能給出穩定的示值。在這種情總下,如經過單獨的標定,可得到±2%的準確度,如仍用原給定的流量系數,仍可得到±5%的準確度?!闭_的做法應采用本圖的圖名,并在正文中以顯要位置對此圖作必要的說明。

圖3 不精確測量時所允許的均速管最小直管段長度示意圖
昌暉儀表還建議;在只有圖示4D直管段長度的場所,按上游側2.5D、下游側1.5D位置安裝均速管效果可能更好。
六、均速管流量計最大差壓值估算
用均速管進行流量測量,最大的缺點是差壓值很小,別是對低流速的氣體更是如此。設計時應通過精確計算或估算,求出最大差壓值,依此確定微差壓變送器的量程。如果無根據地選定微差壓變送器的量程,往往導致流量計現場投運時量程不符、需重新選型的錯誤。而均速管的最大差壓值估算,比孔板計算要簡單得多。為使設計選型正確,最大差壓值估算應該是均速管流量計設計選用過程中不可缺少的一步。
均速管流量計最大差壓值可按速算式近似估算:
,公式中△P為最大差壓值(Pa);Qa為刻度流量(m3/h);K為流量系統;D為管道直徑(mm);ρf為流體密度(kg/m3)。對背面中心取靜壓的方式來說,計算時可先按K=0.6來估算差壓;對管壁取靜壓的方式來說,計算時可先按K=1.0來估算差壓。為了方便估算,列出了圖4及表2、表3。由圖4可方便地估算出流體流速,再按流體種類(氣體、液體),分別査表2、表3,即可由流體流速査出最大差壓值。
表2 氣體流速與均速管差壓值對照表

表3 液體流速與均速管差壓值對照表

表2是以空氣(20℃時密度1.205千克/立方米)為例計算的,表3是以水(20℃時密度998.2千克/立方米)為例計算的,與空氣密度相近的氣體、與水密度相近的液體,均可參照表2、表3確定最大差壓值。
如果設計者手頭上已經有某廠產品的使用說明書,而說明書中已經提供了流量系數K的參考值,則可用前述式直接計算最大差壓值,或者按下列算式求出修正后的最大差壓值△P修:
①對背面中心取靜壓的方式來說:△P修=△P(0.6/K)2
②對管壁取靜壓的方式來說:△P修=△P(1.0/K)2
大多數均速管流量計出廠時要附標定證書,證書上列出單獨標定的流量系數K值,根據標定證書上所列K值進行計算所得差壓值是可靠的,根據這個差壓值確定微差壓變送器的量程絕對不會錯。但在設計選用時最多只能知道可供參考的K值,所以估算的結果可能會有±30~40%的出入。因此,所選擇的微差壓變送器應該給△P值留有向上調及向下調的余地。切記:均速管流量計一定要以盡可能準確的K值進行較為精確的差壓值計算,以求微差壓變送器選型盡量正確。
