1、S7-400H的接地要求
S7-400H的接地要求,與昌暉儀表網技術文章“S7-400 PLC接地要求”相同,如圖1所示。

圖1 S7-400H的接地原則
另外,ET200M機架和IM153-2的接地要求與S7-300 PLC接地要求相同,如圖2所示。

圖2 ET200M的接地示意圖
從圖2看出,西門子系統的PE既做保護地,同時由于ET200M系列模板的特點,PE也作為系統工作的基準電位,因此PE同時承擔了系統基準點的功能,PE接地的好壞直接影響系統的穩定性。系統柜內的接地匯流條宜選用鍍錫銅排,接地線也壓好電纜接頭,如圖3所示。

圖3 電柜內的PE接地總線
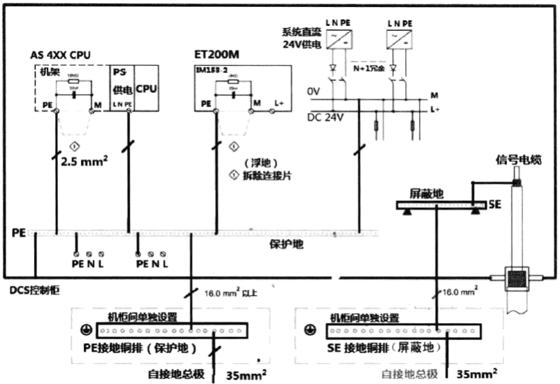
2、DCS的接地原則
DCS的接地方式,請參看圖4。

圖4 DCS控制系統的接地示意圖
①接地電阻要求
◆從儀表設備的接地端子到總接地板之間的導體及連接點電阻的總和稱為連接電阻。儀表系統的接地連接電阻不應大于1Ω。
◆接地極的電位與通過接地極流入大地的電流之比稱為接地極對地電阻。接地極對地電阻和總接地板、接地總干線及接地總干線兩端的連接點電阻之和稱為接地電阻。儀表系統的接地電阻不應大于4Ω。
②推薦接地線的顏色
見表1
表1 DCS控制系統接地線的顏色
接地線用途 DCS控制系統接地線的顏色
保護接地的接地連線、匯流線、分干線、匯總線、干線 綠色
信號回路和屏蔽接地的接地連線、匯流排、分干線、工作接地匯總版、干線 綠色+黃色
本安接地分干線、匯流條 綠色+黃色
總接地板、接地總干線、接地極 綠色
③DCS控制系統接地連接線規格
接地系統的導線應采用多股絞合銅芯絕緣電線或電纜。接地系統的導線應根據連接儀表的數量和長度按以下數值選用:
◆接地連線>2.5-4.0mm2;
◆接地分干線>16-35mm2;
◆接地干線>35-75mm2;
儀表接地相關閱讀
儀表人最關注的16個儀表接地問題解讀
葉向東關于儀表保護接地的疑難解答
