電流互感器通常與電能表、電流表、多功能電力儀表及保護繼電器等連接、如果電流互感器接線錯誤,會造成計量不準確、繼電保護裝置不能反映網絡中的故障而誤動或拒動。另外,電流互感器選用不當,同樣會造成上述情況。因此,采用正確的接線方式和選擇合適的電流互感器十分重要。
1、電流互感器各端子的標志
電流互感器一次側端子為L1、L2,二次側端子為K1、K2。其含義為當一次側電流為L1流向L2時,二次側電流對互感器二次
側負荷為K1流向負荷再流向K2,即對于二次負荷K1與L1,K2與L2為同名端。
2、電流互感器正確接線
如圖紙中有極性端子的代號,應對應電流互感器上端子標志接線。如圖紙上沒有同名端標志,應按L1與K1、L2與K2為同名端進行接線。
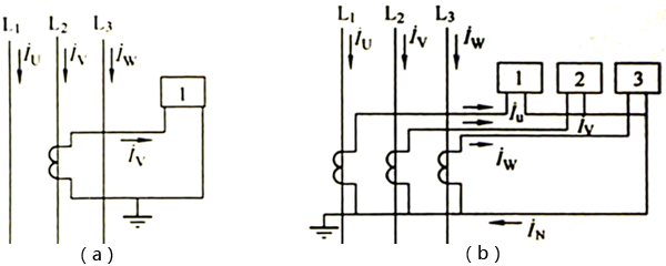
電流互感器一次側接法和同名端的標注如圖1所示。但一般一次側按L1流向L2安裝,二次側的K1端接電流表(或多功能電力儀表、繼電器)的電流流入端,K2端接流出端并接地。

圖1(a)為電流互感器一次側接法 圖1(b)電流互感器一次側接法 圖1(c)同名端的標注
圖1 電流互感器一次側接線和同名端標注
3、電流互感器正確接地
電流互感器的外殼和二次回路應接地。二次回路接地的原則是一點接地,通常習慣在“-”端接地,不允許兩點或多點接地,以免形成回路或短路。在三相電路中常用2臺或3臺電流互感器組成一組。實際使用中常將它們的二次回路按一定的接線方式接成星形、不完全星形、兩相差接或三相三角形等。這時應特別注意:在整個二次回路上采用一點接地,習慣上選在二次回路中性點或公共端。
4、電流互感器與電流繼電器的四種接線及接線系數
(1)電流互感器四種接線方式
①電流互感器一相式接線
如圖2(a)所示。其二次側電流線圈通過的電流,反映一次電路對應相的電流。常用在負荷平衡的三相電路中測量電流,或在繼電保護中作過負荷保護。

圖2(a) 電流互感器一相式接線 圖2(b) 電流互感器三相Y形接線
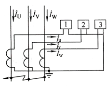
②電流互感器三相Y形接線
電流互感器三相Y形接線又稱完全星形接線。如圖2(b)所示。其三個電流線圈通過的電流,正好反映各相的電流。它廣泛用在負荷不論平衡與否的三相電路中,特別廣泛用于三相四線制系統,包括TN-C系統、TN-S系統或TN-C-S系統中供測量用。也常用于繼電保護中作過電流保護、差動保護等。
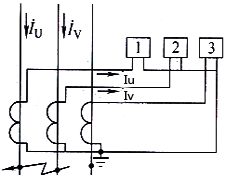
③電流互感器兩相V形接線
電流互感器兩相V形接線又稱為兩相兩繼電器接線或不完全星形。如圖2(c)所示。其繼電器中流過的電流就等于電流互感器二次電流,反映的是相電流。又由ìu+ìw=-ìv。可知,電流互感器二次側公共線上的電流,正好是未接電流互感器的V相的二次電流,因此這種接線的三個電流線圈,分別反映了三相的電流。它廣泛用于中性點不接地而負荷不平衡與否的三相三線制電路中,供測量三個相電流之用。也常用于繼電保護中作過電流等保護。

圖2(c)為電流互感器兩相V形接線 圖2(d)為電流互感器兩相電流差接線
④電流互感器兩相電流差接線
電流互感器兩相電流差接線又稱為兩相一繼電器接線。如圖2(d)所示。其二次側公共線流過的電流,等于兩個相電流的矢量差。它多用于三相三線制電路的繼電保護中作過電流等保護。
(2)四種接線方式的接線系數
各種接線方式的接線系數Kjx由公式計算:Kjx=Ij/I2,式中Ij為實際流入繼電器的電流(單位:A);I2為電流互感器的二次電流(A)。
對于一相式、三相Y形和兩相V形[圖2(a)、圖2(b)、圖2(c)]:在正常運行與相間短路時,Ij=I2,故Kjx=1。
對于兩相電流差接線[圖2(d)]:在正常運行與三相短路時,Ij=I2,故Kjx=;UW兩相短路時,Ij=2I2,Kjx=2;UV和VW兩相短路時,Ij=I2,Kjx=1。
5、不同接線方式下在各種故障時的電流分配和矢量圖
利用表1~表4也可計算接線系數Kjx。表中Ij1、Ij2、Ij3分別為流入繼電器1、2、3的電流。單相接地電流最小值為Id.min。
當保護裝置的靈敏度不能滿足要求時,需采取補救措施,如過流保護加裝低電壓啟動等。后備保護的靈敏度不能達到要求時,可適當降低要求,如縮短后備保護作用的范圍等。另外還可以采用無選擇性動作而用自動重合閘彌補等。
表1 互感器與繼電器星形接線在各種故障時的電流分配和矢量圖
故障種類 電流互感器接線圖 一次回路電流矢量圖 二次回路電流矢量圖
三相短路
兩相短路(U、V相)
中性點接地的電網中單相接地
單方供電的中心點不接地的電網中兩點接地
表2 電流互感器與繼電器不完全星形接線線路在各種故障時的電流分配和矢量圖
故障種類 電流互感器接線圖 一次回路電流矢量圖 二次回路電流矢量圖
三相短路
兩相短路(U、V相)
兩相短路(U、W相)
單方供電的中性點不接地的電網中兩點接地
三相短路
兩相短路
中性點接地的電網中的單相接地
單方供電的中性點不接地的電網中兩點接地
表3 電流互感器接成三角形而繼電器接成星形在各種故障時的電流分配和矢量圖
故障種類 電流互感器接線圖 一次回路電流矢量圖 二次回路電流矢量圖
三相短路
兩相短路
中性點接地的電網中的單相接地
單方供電的中性點不接地的電網中兩點接地
表4 接于兩個不同相的電流互感器和一個繼電器在各種故障時的電流分配和矢量圖
故障種類 電流互感器接線圖 一次回路電流矢量圖 二次回路電流矢量圖
三相短路
兩相短路(U、V相)
兩相短路(U、W相)
《電流互感器的接線》由昌暉儀表制造有限公司技術部整理編寫,對電工深入了解電流互感器知識,正確使用電流互感器,順利完成電器柜電氣元件裝配工作大有幫助。昌暉儀表網“技術文庫”歡迎您前來投稿,和大家分享您的經驗和知識。
猜您喜歡
交流電流互感器CT二次開路故障處理方法
