
多功能電力儀表技術參數
多功能電力儀表標準配置時基本功能為綜合電量顯示。
1、精度和分辨力

2、多功能電力儀表輸入
①測量三相四線制低壓電氣系統參數:電壓(Ua、Ub、Uc、N)直接接入儀表;電流(Ia、Ib、Ic)經3個CT接入多功能電力儀表
②測量三相四線制高壓電氣系統參數:電壓(Ua、Ub、Uc、N)經3個PT后接入儀表;電流(Ia、Ib、Ic)經3個CT接入儀表
③測量三相三線制低壓電氣系統參數:電壓(Ua、Ub、Uc)直接接入儀表;電流(Ia、Ic)經過2個CT接入多功能電力儀表
④測量三相三線制高壓電氣系統參數:電壓(Ua、Uc)經2個PT后接入儀表;電流(Ia、Ic)經過2個CT接入多功能電力儀表
3、多功能電力儀表輸出
①通訊接口:RS485,Modbus-RTU協議
②脈沖輸出:有功脈沖輸出1路和無功脈沖輸出1路,光耦隔離
4、多功能電力儀表電源:DC/AC100-240V或DC20-29V
5、功耗:≤5W
6、多功能電力儀表耐壓:輸入和電源>1.5kV;輸入和輸出>1.5kV;電源和輸出>1.5kV
7、絕緣:輸入、輸出、電源對機殼>100MΩ
8、儀表結構:儀表外殼為ABS工程塑料;亞克力有機玻璃面板;按鍵數量4個,硅膠按鍵
9、顯示方式:3排4位數碼管顯示或LCD液晶顯示

10、多功能電力儀表有4種外形
①外形尺寸:120×120×115mm(高×寬×深);開孔尺寸:105×105mm(高×寬)
②外形尺寸:96×96×97mm(高×寬×深);開孔尺寸:92×92mm(高×寬)
③外形尺寸:80×80×115mm(高×寬×深);開孔尺寸:76×76mm(高×寬)
④外形尺寸:1600×80×142mm(高×寬×深);開孔尺寸:152×76mm(高×寬)

多功能電力儀表選型
YR-GF①-②③④⑤⑥⑦⑧-⑨⑩-?-?-?
①功能[注1]
[E]:綜合電量(電壓、電流、有功功率、無功功率、視在功率、有功電能、無功電能、視在電能、功率因素、工頻周波、諧波)測量
②多功能電力儀表外形
[2]:外形尺寸:120×120×115mm;開孔尺寸:105×105mm
[3]:外形尺寸:80×80×115mm;開孔尺寸:76×76mm
[9]:外形尺寸:96×96×97mm;開孔尺寸:92×92mm
[B]:外形尺寸:160×80×142mm;開孔尺寸:152×76mm
③功能說明
[S]:多功能儀表設計序號
④參數輸入個數
[4]:3排數碼顯示/標準出廠配置
[Y]:LCD液晶顯示(儀表外形為96×96×130mm)
⑤電網類型
[3]:三相三線制
[4]:三相四線制
⑥通訊接口
[N]:無通訊
[C]:RS485通訊
⑦變送輸出[注2]
------所有外形儀表均可選以下選項
[N]:無變送輸出
[11M]:1路4-20mA變送輸出(RL≤500Ω)
[21M]:1路0-10mA變送輸出(RL≤1000Ω)
[31M]:1路0-20mA變送輸出(RL≤500Ω)
[11V]:1路1-5V變送輸出(RL≥250kΩ)
[21V]:1路0-5V變送輸出(RL≥250kΩ)
[11X]:1路其他(用戶指定輸出)
-----僅外形尺寸120×120mm儀表可選以下選項
[12M]:2路4-20mA變送輸出(RL≤500Ω)
[22M]:2路0-10mA變送輸出(RL≤1000Ω)
[32M]:2路0-20mA變送輸出(RL≤500Ω)
[12V]:2路1-5V變送輸出(RL≥250kΩ)
[22V]:2路0-5V變送輸出(RL≥250kΩ)
[12X]:2路其他(用戶指定輸出)
[13M]:3路4-20mA變送輸出(RL≤500Ω)
[23M]:3路0-10mA變送輸出(RL≤1000Ω)
[33M]:3路0-20mA變送輸出(RL≤500Ω)
[13V]:3路1-5V變送輸出(RL≥250kΩ)
[23V]:3路0-5V變送輸出(RL≥250kΩ)
[13X]:3路其他(用戶指定輸出)
[14M]:4路4-20mA變送輸出(RL≤500Ω)
[24M]:4路0-10mA變送輸出(RL≤1000Ω)
[34M]:4路0-20mA變送輸出(RL≤500Ω)
[14V]:4路1-5V變送輸出(RL≥250kΩ)
[24V]:4路0-5V變送輸出(RL≥250kΩ)
[14X]:4路其他(用戶指定輸出)
⑧累積脈沖輸出[注3]
[N]:無累積脈沖輸出
[P1]:1路有功電能累積脈沖輸出
[P2]:1路有功電能、2路無功電能累積脈沖輸出
⑨電壓輸入信號類型
[1]:0-100VAC
[2]:0-500VAC
⑩電流輸入信號類型
[1]:AC0-1A
[2]:AC0-5A
?外部事件輸入
[N]:無外部事件輸入[注4]
[Y2]:2路外部事件輸入(僅外形80×80mm儀表可選)
[Y4]:4路外部事件輸入(僅外形120×120mm儀表可選)
?報警
[N]:無報警
[2]:2限報警
?儀表供電電源
[W]:DC20-29V
[T]:DC/AC100-240V
1、YR-GFE系列多功能電力儀表可顯示交流電壓、交流電流、有功功率、無功功率、視在功率、有功電能、無功電能、視在電能、功率因素、工頻周波、諧波(其中諧波顯示只針對120×120mm外形儀表)。
2、規格尺寸為160×80mm、96×96mm和80×80mm外形儀表,模擬量輸出只能選擇一路;120×120mm外形儀表,模擬量輸出最多可選擇四路;電流輸出與電壓輸出之間是不可切換的,需通過更改硬件完成,訂貨時請注明清楚。
3、規格尺寸為160×80mm、96×96mm和80×80mm儀表,累積脈沖輸出只能選擇一路;120×120mm外形儀表,累積脈沖輸出可選擇兩路;累積脈沖輸出(按電壓、電流倍率的1倍計算)時,請在訂貨時注明清楚測量類型和脈沖常數;
4、160×80mm、96×96mm外形儀表,無外部事件輸入功能;80×80mm外形儀表,外部事件輸入可選擇兩路;120×120mm外形儀表,外部事件輸入可選擇四路。
常用多功能電力儀表型號
YR-GFE-2S4CP01N對應江蘇斯菲爾電氣股份有限公司PD194E-2S4,功能完全一致,昌暉多功能電力儀表價格更實惠
YR-GFE-9S4CP01N對應江蘇斯菲爾電氣股份有限公司PD194E-9S4,功能完全相同,昌暉多功能電力儀表高性價比,質保24個月
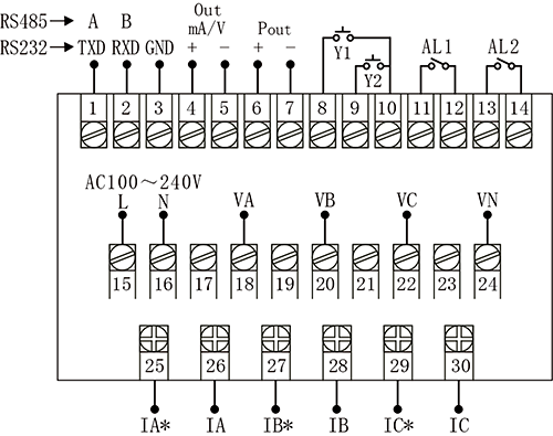
多功能電力儀表接線圖
多功能電力儀表可使用在三相三線制和三相四線制配電系統中,儀表接線存在差別,請注意正確接線。
1、外形尺寸160×80mm、96×96mm多功能電力儀表接線圖

2、外形尺寸80×80mm多功能電力儀表接線圖

3、外形尺寸120×120mm多功能電力儀表接線圖

◆三相三線系統,多功能電力儀表接入無PT、無CT方式的接線圖

◆三相三線系統,多功能電力儀表接入2PT、2CT方式的接線圖

◆三相四線系統,多功能電力儀表接入無PT、無CT方式的接線圖

◆三相四線系統,多功能電力儀表接入3PT、3CT方式的接線圖

注意事項
1、建議用戶在外接CT、PT時,在本儀表和CT、PT之間采用接線端子排連接,以方便多功能電力儀表的拆卸。
2、當電流信號以CT方式接入時,請注意CT同名端。
3、用戶需根據所采用的PT不同選擇額定電流合適的保險絲。
4、為保證測量數據的準確度,必須正確接入電壓、電流測試信號。當被測試電壓小于多功能電力儀表電壓量程,可以直接接入;否則,必須經電壓互感器PT接入。當被測試電流小于多功能電力儀表電流量程,可以直接接入;否則,必須經電流互感器CT接入。
5、接線時確保輸入電流與電壓相序一致,否則會出現顯示數值與符號錯誤,同時確保電流進出線連接正確(打*號端子接進線)
6、接入互感器的精度能夠影響多功能電力儀表測試數據的準確度?;ジ衅鞔渭壿敵鰬B接較粗、較短的低阻抗導線,減少干擾影響?;ジ衅骺赡墚a生信號角差的偏移,對測試數據的準確度有影響。
多功能電力儀表應用場合
功能電力表和網絡多功能電力儀表用在電氣系統的進線柜上,用于負載監控和考核計量,對電網所有參數進行高精度測量,儀表可靠性、穩定性和使用壽命達到國內行業領先水平,品質值得信賴!
