1、繼電器正轉控制
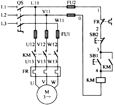
圖1是一種最常見的繼電器正轉控制線路,可以對電動機進行正轉和停轉控制,左側為主電路,右側為控制電路。

圖1 電動機正轉控制線路
電路工作原理說明如下:按下啟動按鈕SB1,接觸器KM線圈得電,主電路中的KM主觸點閉合,電動機得電運轉,與此同時,控制電路中的KM常開自鎖觸點也閉合,鎖定KM線圈得電(即SB1斷開后KM線圈仍可得電)。
按下停止按鈕SB2,接觸器KM線圈失電,KM主觸點斷開,電動機失電停轉,同時KM常開自鎖觸點也斷開,解除自鎖((即SB2閉合后KM線圈無法得電)。
2、PLC正轉控制
圖2是PLC正轉控制線路,它可以實現繼電器正轉控制線路相同的功能。PLC正轉控制線路也分為主電路和控制電路兩部分,PLC與外接的輸入、輸出部件構成控制電路,PLC正轉控制主電路與繼電器正轉控制主電路線路相同。

圖2 PLC整站控制線路
在組建PLC控制系統是,先要進行硬件連接,再編寫控制程序。PLC正轉控制線路的硬件接線如圖3所示,PLC輸入端子連接SB1(啟動)、SB2(停止)的電源,輸出端子連接接觸器線圈KM和電源。PLC硬件連接完成后,再在電腦中使用專門的PLC編程軟件編寫圖示的梯形圖程序,然后通過電腦與PLC之間的連接電纜將程序寫入PLC。
PLC軟、硬件準備好后就可以操作運行。操作運行過程說明如下:
按下啟動按鈕SB1,PLC端子X0、COM之間的內部電路與24VDC電源、SB1構成回路,有電流流過X0、COM端子間的電路,PLC內部程序運行,運行結果使PLC的Y0、COM端子之間的內部電路導通,接觸器線圈KM得電,主電路中的KM主觸點閉合,電動機運轉,松開SB1后,內部程序維持Y0、COM端子之間的內部電路導通,讓KM線圈繼續得電(自鎖)。
按下停止按鈕SB2,PLC端子X1、COM之間的內部電路與24VDC電源、SB2構成回路,有電流流過X1、COM端子間的電路,PLC內部程序運行,運行結果使PLC的Y0、COM端子之間的內部電路斷開,接觸器線圈KM失電,主電路中的KM主觸點斷開,電動機停轉,松開SB2后,內部程序讓Y0、COM端子之間的內部電路維持斷開狀態。
猜您喜歡
PLC控制系統設計的八個步驟
