一些機械設備(如車床)的運動部件是由電動機來驅動的,它們在工作時并不都是一直往前運動,而是運動到一定的位置自動停止,然后再由操作人員操作按鈕使之返回。為了實現這種控制效果,需要給電動機安裝限位控制電路。
限位控制線路又稱位置控制線路或行程控制線路,它是利用位置開關來檢測運動部件的位置,當運動部件運動到指定位置時。位置開關給控制線路發出指令,讓電動機停轉或反轉。常見的位置開關有行程開關和接近開關,其中行程開關使用更為廣泛。
行程開關
行程開關如圖1所示,它可分為按鈕式、單輪旋轉式和雙輪旋轉式等,行程開關內部一般有一個常閉觸點和一個常開觸點,行程開關的符號如圖2所示(可參閱本站《電氣符號大全》技術文章)。

圖1 各種結構的行程開關

圖2 位置開關圖形符號
在使用時,行程開關通常安裝在運動部件需停止或改變方向的位置。當運動部件行進到行程開關處時,擋鐵會碰壓行程開關,行程開關內的常閉觸點斷開、常開觸點閉合,由于行程開關的兩個觸點接在控制線路,它控制電動機停轉,從而使運動部件也停止。如果需要運動部件反向運動,可操作控制線路中的反轉按鈕,當運動部件反向運動到另一個行程開關處時,會碰壓該處的行程開關,行程開關通過控制線路讓電動機停轉,運動部件也就停止。
行程開關可分為自動復位和非自動復位兩種。按鈕式和單輪式行程開關可以自動復位,當擋鐵移開時,依靠內部的彈簧使觸點自動復位;雙輪旋轉式行程開關不能自動復位,當擋鐵從一個方向碰壓其中一個滾輪時,內部觸點動作,擋鐵移開后內部觸點不能復位,當擋鐵反向運動(返回)時碰到另一個滾輪,觸點才能復位。
限位控制線路
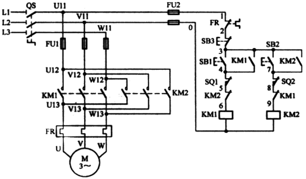
限位控制線路如圖3所示。從圖3可以看出,限位控制線路是在接觸器連鎖正反轉控制線路的正反轉控制電路中串接兩個行程開關SQ1、SQ2構成。

圖3 帶限位的正反轉控制電路
限位控制線路工作原理
1、閉合電源開關QS。
2、正轉控制過程。
①正轉控制。按下正轉按鈕SB1→KM1線圈得電→KM1主觸點閉合、KM1常開輔助觸點閉合、KM1常開輔助觸點閉合、KM1常閉輔助觸點斷開→KM1主觸點閉合,電動機通電正轉,驅動運動部件正向運動;KM1常開輔助觸點閉合,讓KM1線圈在SB1斷開時能繼續得電(自鎖);KM1常閉輔助觸點斷開,使KM2線圈無法得電,實現KM1和KM2之間的連鎖。
②正向限位控制。當電動機正轉自動運動部件運動到行程開關SQ1處→SQ1常閉觸點斷開(常開觸點未用)→KM1線圈失電→KM1主觸點斷開、KM1常開輔助觸點斷開、KM1常閉輔助觸點閉合→KM1主觸點斷開使電動機斷電而停轉→運動部件停止正向運動。
3、反轉控制過程。
①反轉控制。按下反轉按鈕SB2→KM2線圈得電→KM2主觸點閉合、KM2常開輔助觸點閉合、KM2常閉輔助觸點斷開→KM2主觸點閉合,電動機通電反轉,驅動運動部件反向運動;KM2常開輔助觸點閉合,鎖定KM2線圈得電;KM2常閉輔助觸點斷開,使KM1線圈無法得電,實現KM1、KM2之間的連鎖。
②反向限位控制。當電動機反向驅動運動部件運動到行程開關SQ2處→SQ2常閉觸點斷開→KM2線圈失電→KM2主觸點斷開、KM2常開輔助觸點斷開、KM2常閉輔助觸點閉合→KM2主觸點斷開使電動機斷電而停轉→運動部件停止反向運動。
4、斷開電源開關QS。
