位置開關在在自動化控制中用于設備的移動位置判斷,比較常見的是行程開關(限位開關)和接近開關,昌暉儀表在本文分享位置開關選型及應用專業知識。
位置開關種類
位置開關有接觸式的行程開關(限位開關)和非接觸式的接近開關兩類。
1、行程開關(限位開關)
行程開關(限位開關)屬于接觸式機械開關,是由設備運動部件的碰撞來發出控制命令的主令電器,常用于控制生產機械的運動方向、速度、行程大小或位置。常見的如用于行車上用來改變運行方向的限位開關。常見實物如圖所示:
2、接近開關
接近開關屬于非接觸式無觸點行程開關,當某種物體與接近開關接近到一定距離時,接近開關就發出動作信號,它不像機械行程開關那樣需要施加機械力,而是通過其探頭與被測物體間介質能量的變化來獲取信號。接近開關的應用極其廣泛已經超出了限位和保護的范疇,常用的有用來測量速度,對液面位置的控制,檢測金屬體等等。

行程開關工作原理及優缺點
行程開關(限位開關)的工作原理相對于比較簡單,其內部有常開和常閉的觸點,主要靠生產機械某些運動部件碰撞開關的連桿驅動開關的觸點引起動作,使閉合的觸點分斷或者斷開的觸點閉合。由開關觸點狀態的改變去控制電路和機構的動作。
◆ 行程開關優點
①無論何種材質,只要接觸的操作力達到一定值,就出發開關。
②采用接點輸出方式,可以隨外接電壓不同而輸出不同,無漏電現象。
③不受相鄰傳感器的影響,輸出穩定。
◆ 行程開關缺點:
①接觸式行程開關會磨損和損傷檢測對象物,精密物體不建議采用該方法
②接觸式行程開關機械壽命有限制。
在前面行程開關的缺點中提到了,行程開關會磨損和損傷被測對象,同時測量精度不高,使用壽命有限制等這些缺點。而接近開關的出現很好的解決了這些問題,那么接近開關有那些優缺點呢?
接近開關優缺點
◆ 接近開關的優點
①接近開關為非接觸測量,不會磨損和損傷檢測對象物。
②接近開關采用無觸點輸出方式,因此壽命延長,采用NPN/PNP輸出,對觸點的壽命無影響.
③接近開關不受檢測對象的污漬和油、水等的影響。
④接近開關高速響應可達3kHz
◆ 接近開關的缺點
①根據檢測物體的材料不同,接近開關檢測距離有著顯著的差別,一般檢測物體為非磁性金屬(例如鋁等),接近開關檢測距離會變小。
②接近開關會受相鄰傳感器磁性(或靜電容量)的影響而相互干擾,輸出處于不穩定的狀態
③接近傳感器OFF時,因電路的運行而有少量的電流泄漏,因此,會發生負載內殘留少量電流(負載殘留電壓),負載的復位不好。

接近開關的分類
接近開關按其工作原理來分,可以分為電感式、電容式、磁感應式和光電式等形式。也可以根據應用電路電流的類型可以分為交流型和直流型。
①電感式接近開關,實物如圖所示:

電感式接近開關的感應頭是一個具有鐵氧體磁芯的電感線圈,因此只能用來檢測金屬體,在工業應用中使用非常廣泛。
②電容式感應開關,實物如圖所示:

電容式接近開關的感應頭是一個圓形平板電極,而另一個極板是物體的本身,當物體移向接近開關時,物體和接近開關的介電常數發生變化,從而產生信號輸出。電容式接近開關不僅可以檢測金屬物,也可以檢測非金屬物體或是液體等。
③磁感應式接近開關:實物如圖所示:

磁感應式接近開關主要指的是霍爾接近開關,霍爾接近開關的工作原理是霍爾效應,當帶磁性的物體靠近霍爾開關時有信號輸出。常用的如用來判斷氣缸是否推出或是縮回到位的判斷。
④光電式開關,實物如圖所示:

光電開關,克服了前面提到的三種接近開關作用距離短,不能直接檢測非金屬材料的特點,同時他具有抗電磁干擾能力的優點。光電開關由發射器和接收器組成,發射器用來發射紅外線光,接收器用來接收反射的光,然后將光信號轉換成電信號,以開關量的形式輸出。目前常用于物位控制,液位控制,產品計數,色標檢測等場合。
⑤特殊種類的接近開關
當在一些狹小的空間,或是惡劣的工作環境如高溫、潮濕、干擾大或者是易爆環境,精度要求高等條件下進行檢測的時候,我們需要使用如果光纖接近開關和氣動接近開關這種類型的開關。但這種接近開關的價格相對較高。
接近開關選型原則
①檢測金屬時優先選擇感應式接近開關,檢測非金屬時優先選擇電容式接近開關,檢測磁信號時優先選擇磁感應式接近開關。
②外觀的選擇,次選擇要根據實際使用場合及使用情況來進行選擇,常用的有圓柱螺紋形狀的。
③檢測距離的選擇,根據需要選用,但要注意同一接近開關檢測距離并不是恒定的,接近開關的檢測距離與被檢測物體的材料、尺寸以及物體的移動方向有關。
④信號輸出的選擇,選擇輸出的是交流信號還是直流信號,交流接近開關輸出的是交流信號,直流接近開關輸出的是直流信號,直流輸出的信號又有NPN輸出和PNP輸出之分。另外負載的電流一定要小于接近開關的輸出電流。
⑤觸頭數量的選擇。接近開關又常開觸頭和常閉觸頭,可根據具體的情況來進行選擇。
⑥開關頻率的選擇,開關頻率覺得了這個開關的響應速度,開關頻率指的是每秒從“開”到“關”轉換的次數。直流接近開關可達200kHz,交流接近開關要小一些只能達到25Hz。
⑦接近開關額定電壓的選擇,對于交流型的接近開關,優先選用AC220V或是AC36V,對于直流型的接近開關,優先選擇DC12V或是DC24。
在PLC控制系統中,多數使用的接近開關都是使用直流型輸出信號的開關。直流電路中使用的接近開關有二線制、三線制和四線制的接近開關,二線制、三線制、四線制接近開關又分為NPN和PNP兩種型號的開關。通常日本和美國多使用NPN型的接近開關,歐洲多使用PNPN型的接近開關。而我國兩者都有使用。
接近開關的導線有多種顏色,常用的有棕色、藍色、黑色、白色。接近開關接線在文章《兩線接近開關和三線接近開關的區別和應用》中有詳細介紹,在此不再累述。
NPN和PNP開關的區別在于其導通情況,NPN為低電平導通,PNP為高電平導通,換句話說,NPN的接近開關,信號是從負載流向接近開關。而對于PNP的接近開關來說,信號是從接近開關流向負載。
NPN與PNP接近開關如何接入到PLC
昌暉儀表以三菱FX3U PLC以及西門子S7-200 PLC為例來說明NPN和PNP開關如何接入到PLC控制系統中。根據接線開關接線圖,應首先需要找出PLC中的負載是什么。如圖所示:

三菱FX3U系列PLC輸入接線端子 西門子S7-200系列PLC輸入接線端子
大家可以把PLC信號輸入端和信號輸入端的公共端作為是一個負載的兩端,這樣根據接近開關接線圖以及PNP和NPN的區別就能夠很好的完成其接線了。
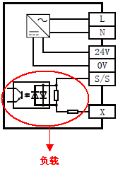
在此昌暉儀表以FX3U的PLC和三線制的NPN開關為例,說明其接線方法(其他的接線方法大家按照相同的方法分析去接線):
NPN型的接近開關的特性為低電平導通,信號從負載流向接近開關,而接近開關的信號輸出線必須接PLC的信號輸入點,所以當接NPN型的接近開關時信號是從PLC的輸入信號端流出,這樣負載的另一端(即公共端COM)就必須接高電平(即接24V+)。這樣才能使得信號從輸入點流出。接線圖如下圖所示:

電源可以使用PLC上面提供的一個24V傳感器電源,也可以如上圖所示使用外部的開關電源進線供電。
相關閱讀
限位控制線路工作原理及限位控制電路
