昌暉儀表制造有限公司是國內余熱發電自動化控制工程商,經常涉及電氣系統繼電保護方面內容,昌暉儀表在本文分享我國斷路器失靈保護的工作原理和斷路器失靈保護方案優點,希望對廣大儀表人和電氣人有所幫助。
我國斷路器失靈保護的工作原理
對于斷路器失靈保護的配置和實現方案,我國技術標準有著明確的要求。標準化方案將斷路器失靈保護分為線路保護分相啟動斷路器失靈保護和變壓器、線路永跳保護共用三相啟動斷路器失靈保護,其動作邏輯分別如圖1和圖2所示。
1、分相啟動斷路器失靈保護
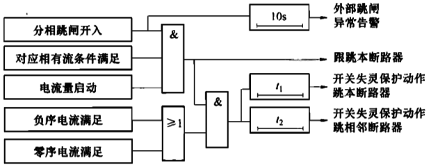
當線路保護分相跳閘觸點開入和相對應的相電流條件滿足,且電流量(零序電流或變化量電流)啟動元件動作時,斷路器失靈保護瞬時動作并重跳本斷路器對應相。同時若斷路器失靈保護零序電流或者負序電流判據滿足,則斷路器失靈保護經Ⅰ段時限后跳本三相斷路器,經Ⅱ段時限跳開所有相鄰斷路器。保護動作邏輯如圖1所示,這樣可以避免失靈誤啟動,并增加了開入量異常告警功能。

圖1 分相啟動斷路器失靈保護動作邏輯
t1為斷路器失靈保護動作跳本斷路器時間;t2為斷路器失靈保護動作跳相鄰斷路器時間
2、三相啟動斷路器失靈保護
保護三相啟動斷路器失靈保護也可分為經低功率因素、負序過電流和零序過電流三個輔助判據開放。為了防止三相嚴重故障情況下三相操作的斷路器三相失靈,此時無零序、負序電流,因故障電壓很低,可導致低功率因素條件判斷不能滿足開放條件,因此特補充三相電壓均低且無電壓互感器斷線時,低功率因素條件將自動滿足。保護邏輯如圖2所示。

圖2 三相啟動斷路器失靈保護動作邏輯
t1為斷路器失靈保護動作跳本斷路器時間;t2為斷路器失靈保護動作跳相鄰斷路器時間
我國斷路器失靈保護方案優點
相對巴西電網所選用的斷路器失靈保護原理,我國斷路器失靈保護方案有如下優點
①判據考慮全面且整定簡單
斷路器失靈相電流定值只要按照有流條件整定,滿足斷路器保護的采樣精度就可以了。其電流門檻不需要躲過負荷電流,主要作用是反映斷路器位置是否在合位。分相啟動失靈保護通過啟動元件,零序電流、負序電流的輔助判據,來防止重負荷情況下失靈保護誤啟動,其定值門檻值只要按躲過最大不平衡零序電流與負序電流整定就可以了。對于三跳啟動失靈保護增加了低功率因數判據,功率因數角只需按躲過負荷最小功率因數整定即可。
②防誤動能力強
由于斷路器保護啟動元件和輔助判據均能保證正常情況下不滿足動作條件,因而即使保護啟動斷路器失靈保護觸點誤開入,失靈保護也不會誤出口。
③時間逐步配合,動作范圍明確
失靈保護有瞬時跟跳、經I段延時跳本斷路器、經Ⅱ段延時跳所有相鄰斷路器三級,時限配合能夠有效避免故障范圍擴大。
④自檢功能完善
當啟動斷路器失靈保護觸點的開入超過10s后,自動發告警信號,便于運行人員查找問題。
3、什么是斷路器失靈保護?
斷路器失靈保護就是指故障電氣設備的繼電保護動作發出跳閘命令而斷路器拒動時,利用故障設備的保護動作信息與拒動斷路器的電流信息構成對斷路器失靈的判別,能夠以較短的時限切除同一廠站內其他有關的斷路器,使停電范圍限制在最小,從而保證整個電網的穩定運行,避免造成發電機、變壓器等故障元件的嚴重燒損和電網的崩潰瓦解事故。
在110kV及以上電壓等級的發電廠和變電所中,當輸電線路、變壓器或母線發生短路,在保護裝置動作于切除故障時,肯能伴隨故障元件的斷路器拒動,也即發生了斷路器的失靈故障。產生斷路器失靈故障的原因是多方面的,如斷路器跳閘線圈短線,斷路器的操動機構失靈等。高壓電網的斷路器和保護裝置,都應具有一定的后備作用,以便在斷路器或保護裝置失靈時,仍能有效切除故障。相鄰元件的遠后備保護方案是最簡單合理的后備方式,既是保護據動的后備,又是斷路器拒動的后備。但是在高壓電網中,由于各電源支路的助增作用,實現上述后備方式往往有較大困難(靈敏度不夠),而且由于動作時間較長,易造成事故范圍的擴大,甚至引起系統失穩而瓦解。有鑒于此,電網中樞地區重要的220kV及以上主干線路,系統穩定要求必須裝設全線速動保護時,通??裳b飾兩套獨立的全線速動主保護(即保護的雙重化),以防保護裝置的拒動;對于斷路器的拒動,則專門裝設斷路器失靈保護。
作者:多功能電力儀表
