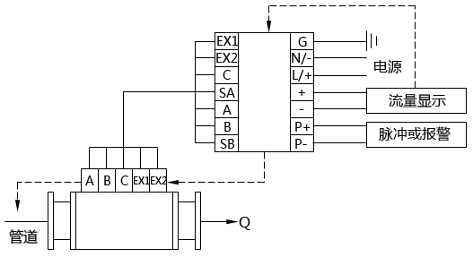
電磁流量計有一體式和分體式兩種結構,兩種結構方式的故障現象與檢查方法基本是相通的,現結合電磁流量計測量回路圖進行介紹,電磁流量計測量回路圖中A、B為流量信號,C為公共端,SA、SB為屏蔽端EX1、EX2為激磁電源;G為接地。

圖1 電磁流量計測量回路圖
電磁流量計的信號一般為2.5-8mV,流量較小時可能只有幾個微伏。檢查故障先檢查流量積算儀是否正常,按流量積算儀→轉換器→傳感器→測量管道的順序進行檢查,如圖中虛線箭頭所示方向。大口徑的流量傳感器,更換工程量大、涉及面廣,一定要反復檢查、根據各項檢查確定傳感器是否應該卸下更換和修理。
1、電磁流量計顯示最小或無顯示
傳感器沒有流量信號輸出。原因有電源故障,連接電纜故障;傳感器或轉換器元器件損壞;工藝原因有液體流動狀況改變,工藝管道內壁附著層出現問題??砂匆韵路椒z查和處理。
①觀察電磁流量計有無故障報警顯示,按報警代碼的含義進行相應檢查和處理。沒有報警顯示,檢查儀表供電是否正常,開關是否合上,熔絲是否熔斷。用萬用表測量各級電壓判斷故障。
②供電正常,再對連接電纜進行檢查,激磁電纜及信號電纜的接線是否松動,接線端子有無氧化、腐蝕現象,必要時緊固螺釘。
③檢查激磁線圈電阻值是否正常,線圈是否開路、匝間是否短路,端子或線圈的絕緣電阻是否下降。用萬用表測量激磁線圈EX1、EX2端子間的電阻值,但要斷開與之相連的電纜線,電阻值通常在80-150Ω左右,各產品略有差異。對匝間短路判斷就較困難,只能與原來的記錄值比較來判斷。由于傳感器安裝現場環境的原因,激磁線圈回路絕緣電阻下降是常出現的故障,其絕緣電阻小于100MΩ時,應檢查傳感器的電纜密封圈、端子盒的密封墊片是否受損,傳感器是否浸入水或潮氣可用電吹風的熱風進行烘干,能拆卸的激磁線圈受潮時可整體放入電烘箱烘干。重視引線口密封是克服受潮的重要措施。
④新安裝或更換的傳感器,應核對傳感器箭頭與流體方向是否一致。要工藝配合確定傳感器是否充滿液體。傳感器能否充滿液體與其安裝位置有關聯,要按規定安裝。
⑤傳感器襯里層有污物附著會使電磁流量計絕緣電阻下降,可拆下傳感器進行觀察,沒有條件拆下傳感器時,可測量電極的接觸電阻和電極的極化電壓,間接檢查和判斷附著層狀況。
a、電極接觸電阻的測量
測量電磁流量計電極與液體的接觸電阻,實際上是測量電極對地的電阻值,來間接判斷電極和襯里層表面的狀況,為分析故障提供依據,前提是必須有原始測量數據作基礎。新安裝的儀表投運正常,就應測量并記錄兩電極的接觸電阻值,以后定期進行測量與記錄,分析比較這些記錄數據,兩電極的接觸電阻值之差應小于10%-20%,否則可能有故障。
電磁流量計兩電極的接觸電阻值之差增加,可能有一只電極的絕緣性能有較大的下降。某電極對地電阻值增大,有可能是該電極表面被絕緣層覆蓋。某電極對地電阻值減小,有可能是該電極表面或襯里表面附有導電層積物。
測量電磁流量計電極接觸電阻時,應斷開傳感器的接線,并應在液體滿管狀態下測量。所用指針萬用表要用同一型號、同一量程的表;如×1k擋,紅表筆接地,黑表筆接電極;測量時表筆接觸端子后馬上讀取指針偏轉的最大值,不要反復測量,以免極化而產生誤差。
b、電極極化電壓的測量
可用數字萬用表的2VDC擋,測電磁流量計兩電極對地之間的極化電壓。兩次測量值基本相等,說明電極未被污染或未被層積物覆蓋,否則說明電極被污染或被層積物覆蓋。極化電壓通常在數毫伏至幾百毫伏之間。
⑥轉換器沒有流量測量信號顯示,先檢查傳感器和轉換器的接線有沒有問題;確定傳感器正常,懷疑轉換器有問題時,可用備件,或同型號正常電磁流量計的電路板替換檢查、判斷。
2、電磁流量計顯示最大
電磁流量計顯示最大實際上就是流量顯示超過量程上限,電磁流量計自身的原因有:信號回路斷路,連接電纜故障,接線錯誤等;傳感器與轉換器配套錯誤;電磁流量計設定錯誤。工藝原因有管道中沒有流體。
電磁流量計顯示最大可按以下方法檢查和處理:
①用對分檢查法。對轉換器前后進行分割檢查,以縮小故障查找范圍。將轉換器信號輸入端子A、B、C短接,流量顯示為零,說明轉換器及流量積算儀正常,可判斷故障在轉換器之前。
②對傳感器的輸出信號線A、B、C進行短接,流量顯示為零,說明信號電纜良好。流量顯示仍為最大,仍保持A、B、C短接,用萬用表在轉換器A、B、C端子處測量信號電纜及連接端子的電阻值,判斷信號電纜是否正常。信號電纜正常再進行以下檢查。
③用萬用表測量電磁流量計兩電極的電阻值,電阻值很大,或者無窮大,有可能是傳感器的電極未被液體浸泡,即兩只電極或一只電極未接觸到液體,可能是測量管道沒有充滿液體,在正常情況下儀表應該有空管報警信號。
④第③項檢查都正常,可用過程校驗儀YR100檢查電磁流量計的零點及滿度是否正常;還應檢查設定參數,如管徑、量程、測量單位、儀表常數等的設定是否正確。分體式電磁流量計應檢查傳感器與轉換器有沒有配錯。
⑤流量積算儀或轉換器有故障也會使流量顯示最大,可用可用過程校驗儀YR100進行檢查判斷。懷疑轉換器有故障,可用備用電路板代換現用電路板,以判斷轉換器有無故障。
3、電磁流量計顯示偏高或偏低
流量顯示值與實際流量不相符。原因有儀表的零點沒有調校、設定好,傳感器安裝位置不符合要求,傳感器前、后直管段達不到要求,不能滿管或液體中含有氣泡;傳感器電極的電阻發生變化,電極的絕緣電阻下降;信號電纜的絕緣下降;轉換器設定有錯誤。工藝原因有:傳感器上、下游流體的流動狀況不符合要求。
電磁流量計顯示偏高或偏低可按以下方法檢查和處理:
①電磁流量計測量值是否準確,工藝大多是根據經驗來判斷的,而電磁流量計則是根據校準數據及校準時限來評判的,因此,要參考歷史測量數據,并與其他流量計的測量結果進行比對,再從工藝流程的物料平衡來估算,使工藝與儀表達成共識,以利故障的檢查和處理。
②新安裝的電磁流量計如果出現測量不準確的問題,應檢查傳感器和轉換器是否配套,核對口徑、量程、測量單位的設定是否正確。可用過程校驗儀YR100輸入信號給轉換器,對零點及滿量程進行檢查。檢査管路是否充滿液體,液體中有沒有氣泡等。傳感器安裝位置不符合要求,直管段不夠,傳感器前有調節閥門,都將影響傳感器上游流體的流動狀態,使測量出現誤差。
③檢査電纜與端子接觸是否良好,電纜及屏蔽層的接地是否合乎要求。用兆歐表對電纜及電極的絕緣電阻進行測試,檢查電極的絕緣電阻必須在傳感器離線狀態下進行,拆下傳感器,放空液體,用干布擦干襯里表面并使之干燥,然后用500V的兆歐表,分別測試兩只電極對金屬法蘭盤的電阻,要求電極的絕緣電阻大于100MΩ。小于該阻值,應對電極進行烘干處理,用電吹風吹熱風使電極的絕緣電阻上升。
④傳感器是與工藝流體直接接觸的儀表,受工藝介質的影響最大,有條件拆卸時,一定要對傳感器管內進行檢査及清洗,檢查管內壁是否有層積物,電極表面是否有層積物或結垢,這些都會導致電極絕緣電阻下降,而使測量出現誤差。
4、電磁流量計顯示波動
電磁流量計的信號一般為2.5-8mV,流量較小時可能只有幾個微伏,信號小易受外界干擾影響。干擾源主要有管道上的雜散電流、靜電、電磁波、磁場。電磁干擾是導致電磁流量計顯示波動的原因之一。而電磁流量計自身的原因有:電纜與端子氧化、銹蝕出現接觸不良,電路板接觸不良,電子元件虛焊等,傳感器安裝時不認真,把入口墊片內圈做小擋住流體通道而產生渦流,對測量造成影響。激磁線圈的絕緣電阻下降,測量電極受污染、結垢、絕緣電阻下降。工藝原因有:工藝流體具有脈動性質,如往復泵出口流量。設計、安裝不當使傳感器安裝位置不符合要求,或者測量管未能充滿液體,被測量的液體含有較多氣泡,也會造成顯示波動。
電磁流量計顯示波動可按以下方法檢查和處理:
①克服電磁干擾最有效的措施就是良好的接地,傳感器的接地電阻要小于100Ω。有時雖然有良好的接地,但由于管道的雜散電流干擾,也會影響流量計的正常顯示,可在原接地外側數米處再增加新的接地點。靜電或電磁波也會對電磁流量計造成干擾,因此,信號線一定要用廠家配套的電纜,并做好接地,盡量縮短傳感器與轉換器的距離,仍然解決不了電磁流量計的波動故障時,只能將分體式電磁流量計更換為一體式電磁流量計。
②電磁流量計顯示一會正常一會波動,大多是電氣線路接觸不良引起的。應檢查轉換器的接線及接線端子,可撥動接線、搖動電纜、用螺絲刀敲打轉換器外殼,觀察顯示有沒有變化。
③進行了第②步檢查,沒有發現問題,可到現場檢查傳感器,檢查線路的接觸狀態,檢查信號插座有沒有被腐蝕,插座受腐蝕只有更換。激磁線圈的絕緣電阻如果明顯下降,應采取烘干的方法來提高絕緣電阻。傳感器的接線盒受潮,絕緣電阻下降也會引起顯示波動,用電吹風吹干水汽、使絕緣電阻上升到20MΩ以上。除測量絕緣電阻外,大多時候需要停用傳感器,才能對電極及測量腔室進行檢查,才能發現測量腔室內結垢、電極沉積污垢等問題,對癥進行清洗或更換。
④電磁流量計顯示波動很多時候是工藝原因引起的,流體本來就是脈動的、如往復泵輸送的液體。只能把傳感器安裝在遠離脈動源的地方、利用管道的阻力來減弱流體的脈動,條件所限、只能在傳感器前加裝濾波器或緩沖器來減弱脈動。傳感器的安裝位置選擇不當,使測量管道有氣泡或液體不能充滿管道,工藝液體含有氣體,都可能使電磁流量計顯示出現波動。以上原因需要工藝配合查找及共同處理。
5、電磁流量計的零點不穩定
電磁流量計零點不穩定是指沒有流量時顯示的零點不穩定。原因有:電磁流量計的零點沒有調校、設定好;電磁流量計測量回路絕緣電阻下降;傳感器接地不符合要求,接地不完善,受電磁干擾等。工藝原因有:管道未充滿液體或者液體中含有氣泡;工藝流體有微小的流動等。
電磁流量計的零點不穩定可按以下方法檢查和處理:
①信號測量回路的絕緣電阻下降,大多是電極絕緣電阻下降引起的;但也不要忽視了信號電纜、接線端子絕緣電阻下降的可能性。表殼、導線連接處密封出現問題,現場的潮氣、酸霧、粉塵就會侵入到電磁流量計接線盒或電纜保護層,使絕緣電阻下降。信號測量回路的絕緣電阻可用兆歐表測試,可分別對信號電纜及傳感器進行測試。
②傳感器電極如果被污染或層積物覆蓋,常會出現零點不穩定或輸出波動的故障。對電極進行檢查,應在滿管狀態下測量電極的接觸電阻,再在空管狀態下測量電極的絕緣電阻。操作方法如下:
a、滿管狀態下測量電磁流量計電極的接觸電阻,需拆下信號電纜線,用萬用表測量每個電極與接地點的電阻值,兩電極接觸電阻之差應在10%-20%范圍內,超過了該范圍就會引發電磁流量計零點不穩定。
b、空管狀態下測量電磁流量計電極的絕緣電阻,要先對測量管道進行放空,并拆下傳感器及相關接線,用干布擦干凈傳感器的內表面,待完全干燥后,用500V兆歐表測量每個電極與接地點電阻值,絕緣電阻必須要大于100MΩ,否則有可能引發電磁流量計零點不穩定。
③傳感器的接地電阻要小于100Ω。當傳感器用于絕緣管道或防腐襯里管道的測量時,檢查傳感器兩端是否加裝了接地短管或接地環;整套電磁流量計不要和電機、電器共用接地點。原來使用正常的電磁流量計,突然出現零位不穩定或顯示波動的故障,應觀察在傳感器附近,有沒有新增加的電器設備,如大功率電機、變頻器、電焊機等,這些設備在使用時可能會影響接地電位的變化,從而使電磁流量計的零點不穩定或顯示波動。
推薦閱讀
電磁流量計故障實例
電磁流量計刮刀式電磁流量計電極介紹
正確選擇電磁流量計數字量和模擬量輸出方式
