用戶在電磁流量計選型要確認流量信號輸出方式,電磁流量計信號輸出方式通常有數字量輸出和模擬量輸出兩種方式,本文以AMF系列智能電磁流量計舉例詳細介紹這兩種輸出方式。

模塊化電磁流量計在德國技術和自主研發平臺上推出,高可靠性,有顆智能、堅固的芯??!去看看哦
1、電磁流量計數字量輸出
數字量輸出是指電磁流量計流量信號輸出為頻率輸出和脈沖輸出。頻率輸出和脈沖輸出在接線上用的是同一個輸出點,因此,用戶不能同時選用頻率輸出和脈沖輸出,只能二選一。
①電磁流量計頻率輸出
A、電磁流量計頻率輸出的范圍為0-5000Hz,頻率輸出對應的是流量百分比。頻率輸出的上限可調。用戶可選0-5000Hz,也可選低一點的頻率,如0-1000Hz或0-500Hz等。

電磁流量計頻率輸出方式一般用于控制應用,因為它反映百分比流量;若用戶用于計量應用,則應選擇脈沖輸出方式。
B、頻率輸出分正向和反向輸出,可輸出一個方向也可輸出正反兩個方向。
C、帶光電隔離的OC門雙向輸出。
D、外接電源不大于35VDC,導通時最大電流為250mA。
②電磁流量計脈沖輸出方式
A、脈沖輸出方式主要用于計量方式,輸出一個脈沖,代表一個當量流量,如1L或1M3等。脈沖輸出當量分成:0.001L,0.01L,0.1L,1L,0.001M3 ,0.01M3,0.1M3,1M3計8種。用戶在選擇脈沖當量時,應注意流量計流量范圍和脈沖當量相匹配。
體積流量計算公式為:QL=0.0007854×D2×V(L/S)或QM=0.0007854×D2×V×10-38(m3/S),公式中D為管徑,單位mm;V為流速,單位m/s。
B、若實際流體流量過大而脈沖當量選得過小,將會造成脈沖輸出超上限,一般電磁流量計脈沖輸出頻率應限制在2000P/s以下。當然,流量小而脈沖當量選得過大又會造成儀表很長時間才能輸出一個脈沖。
C、特別說明:脈沖輸出不同于頻率輸出,脈沖輸出是累積夠一個脈沖當量就能輸出一個脈沖,因此,脈沖輸出不是很均勻的。一般測量脈沖輸出應選用計數器儀表,而不應選用頻率計儀表。
D、當脈沖頻率高時自動轉換為20ms方波。
E、帶光電隔離的OC門雙向輸出。
F、外接電源不大于35VDC,導通時最大電流為250mA。
③AMF電磁流量計數字量輸出的接線
AFM電磁流量計數字量輸出有三個接點:數字輸出接點,數字地線接點,流量方向接點,符號如下:PUL+為數字輸出接點;PCOM為數字地線接點;PDIR為流量方向接點。一般情況下,流體總是向一個方向流動,這時,用戶僅使用輸出接點和地線接點就可以了。若用戶需要知道流體流動方向,則使用流體方向接點來完成。PUL+、PDIR信號共用地線PCOM、PUL+和PDIR均集電極開路輸出,用戶接線時可參照如下電路:
A、電磁流量計數字量電平輸出接法
B、電磁流量計數字量輸出接光電耦合器(PLC系統)

一般用戶光耦需10mA左右電流,因此,E/R=10mA左右。直流電源電壓E=5-24V。
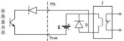
C、電磁流量計數字量輸出接繼電器

一般中間繼電器需要的直流電源E電壓為12V或24V。D為續流二極管,目前大多數的中間繼電器內部有這個二極管。若中間繼電器自身不含有這個二極管,用戶應在外部接一個。
D、AMF電磁流量計數字量輸出參數表如下:

2、電磁流量計模擬量輸出
模塊化電磁流量計模擬量輸出分成0-10mA和4-20mA兩種信號。用戶可通過電磁流量計參數設置可選擇兩種信號。模擬量電流輸出內部為24V供電,在0-20mA信號制下,可驅動750Ω的負載電阻。
模擬量電流輸出對應流量的百分比流量,即:對于0-10mA輸出,電流零點為“0”;對于4-20mA輸出,電流零點為4mA,電流量程16mA。為提高電磁流量計輸出模擬量電流的分辨率,用戶應適當選擇流量計的量程。流量計在出廠時,云南昌暉儀表制造有限公司已將模擬量輸出的各參數校準好。一般情況下,用戶不需調整。
相關閱讀
◆電磁流量計相關知識問答
◆電磁流量計優點與不足分析
◆電磁流量計故障檢查判斷及處理
