教電工從接觸器原理結構、基本分類、基本技術參數、控制電路參數等基礎知識入手,逐步深入了解接觸器電流計算方法及交流接觸器的選用專業知識,是電工和儀表工學習電工基礎的干貨技術文章。
接觸器是一種用來自動接通或斷開帶負載電路的電器,它可以頻繁地接通或分斷交流、直流電路,可以實現遠距離操作控制,還可以配合繼電器實現定時操作、聯鎖操作、各種定量控制和失電壓、欠電壓保護等。
交流接觸器的主要控制對象是電動機,也可以用來控制其他電力負載,例如電熱器、照明電器、電容器等。
交流接觸器具有控制容量大、過載能力強、壽命長、簡單經濟等特點,是電力拖動與自動控制電路中使用最為廣泛的低壓電器之一。

圖1 交流接觸器的模式圖
在圖1中,我們看到接觸器的主觸頭屬于雙斷點的橋式結構。當線圈帶電后,銜鐵向下運行帶動動觸頭拍合在靜觸頭上。由于動、靜觸頭中的電流方向相反,所以電流在兩者之間會產生電動斥力。動觸頭的壓力彈簧片用于消除電動斥力的影響。
當線圈失電后,動、靜主觸頭在緩沖彈簧、觸點彈簧和電動斥力的共同作用下返回到釋放位置。在主觸頭打開的瞬間,動、靜觸頭之間將產生電弧,滅弧罩的用途就是熄弧。
交流接觸器的額定接通能力是指在規定的條件下能接通的電流值,而此時的觸頭不發生熔焊、不出現明顯的燒損,且沒有太強的飛弧。
接觸器的額定分斷能力是指接觸器在規定的條件下能分斷的電流值,而此時不出現觸頭被燒損到無法運行的程度,也不出現太強的飛弧現象。
交流接觸器的電壽命是表示接觸器耐抗電磨損能力的一個參數,用帶載情況下的通斷循環次數來表示。測量交流接觸器的電壽命時不允許檢修和更換零件。

圖2 接觸器圖形符號(上部是一次觸頭,中間是二次觸頭,下部是驅動線圈)
交流接觸器的分類
1、按主觸點的極數分類
單極、雙極、三極、四極和五極接觸器。
單極接觸器主要用于單相負荷,如照明回路和電焊機等負載;雙極接觸器用于繞線轉子異步電動機的轉子回路,起動電機時用來短接起動繞組;三極接觸器用于三相電動機的控制;四極接觸器用于三相四線制的照明線路,以及雙速電動機; 五極接觸器用來組成電動機的自耦變壓器起動電路,還用來控制雙速電動機控制電路以變換繞組接法。
2、按滅弧介質分類
交流接觸器按滅弧介質分類分為空氣絕緣式接觸器、真空式接觸器等。
依靠空氣絕緣的接觸器用于一般的負載,而采用真空絕緣的接觸器則用于特殊環境下,例如煤礦,石化以及電壓為660V和1140V等特殊場合。
3、按有無觸點分類
交流接觸器按有無觸點分類可分為有觸點的接觸器和無觸點的接觸器。常見的接觸器均為有觸點的接觸器,而無觸點的接觸器則利用晶閘管作為電路的通斷元件,常用于易燃易爆的場合。
接觸器的基本技術參數
1、交流接觸器額定電壓
交流接觸器的額定電壓指交流接觸器主觸點的額定工作電壓,應當等于負載的額定工作電壓。交流接觸器一般有若干個額定電壓值,在技術說明書中會同時列出相應的額定電流或控制功率。
通常最大工作電壓即為額定電壓,例如220-230V,230-240V,380-400V 和400-415V等。
2、額定電流
接觸器的額定電流指交流接觸器主觸點的額定電流值。常用的額定電流等級為9A、12A、16A、26A、30A、40A、50A、63A、75A、95A;110A、145A、150A、175A、210A、260A;300A、375A、550A、1000A、1350A、1650A和2000A等。
3、接觸器的接通和分斷能力
接觸器的接通和分斷能力包括最大接通電流和最大分斷電流兩個指標。
最大接通電流是指觸點閉合且不會造成觸點熔焊的最大電流值,最大分斷電流是指觸點斷開時能可靠地滅弧的最大電流。 一般通斷能力是額定電流的5-10倍。通斷能力與電壓等級有關,電壓等級越高則通斷能力越小。
例如在AC-2、AC-3和AC-4下工作的交流接觸器應當能滿足AC-3類最大額定工作電流8倍的過電流。630A及以下的接觸器承載時間是10s,630A以上的接觸器承載時間會略微縮短。交流接觸器的使用類別和通斷條件見表。
表1 交流接觸器的使用類別和通斷條件

注1、表1中,I為接通電流;In為額定電流;Ib為分斷電流;U為接通前電壓;Un為額定電壓;Ur為恢復電壓。
注2、AC-1:cosΦ的誤差為±0.05,L/R的誤差為±15%;
注3、AC-2:I或者Ib的最小值為1000A;
注4、AC-3:Ib的最小值為800A;
注5、AC-4:I的最小值為1200A。
4、動作值
接觸器的動作值分為吸合電壓和釋放電壓。
吸合電壓是指在接觸器吸合前緩慢地增加線圈電壓使交流接觸器吸合的最小電壓;釋放電壓是指緩慢地降低線圈電壓使交流接觸器釋放的最大電壓。一般規定:吸合電壓不得低于線圈額定電壓值的85%,釋放電壓則不高于線圈額定電壓值的70%。
5、操作頻率
接觸器的操作頻率指每小時允許操作次數的最大值。
每小時允許操作次數可分為:1次/h、3次/h、12次/h、30次/h、120次/h、300次/h、600次/h,1200次/h和3000次/h。操作頻率影響到交流接觸器的電壽命,還影響到交流接觸器線圈的溫升。
6、工作制
接觸器有四種工作制,分別是8h工作制、不間斷工作制,斷續周期工作制和短時工作制。
8h工作制是接觸器的基本工作制,約定發熱電流參數就是按8h工作制確定的;不間斷工作制較8h工作制嚴酷得多,接觸器的觸頭容易出現氧化而線圈容易出現過熱。在不間斷工作制下,接觸器需要降容使用;斷續周期工作制的負載率則分別為標準值的15%、25%、40%和60%;短時工作制下觸頭的通電時間標準值分別為10min、30min、60min和90min等四種。
7、使用類別
接觸器有四種標準使用類別,分別是AC-1、AC-2、AC-3和AC-4。其中AC-3用于電動機的直接起動和運行,AC-4則是電動機的可逆起動、反接制動和電動。
8、機械壽命和電壽命
接觸器的機械壽命是指在正常維護和更換機械零件之前所能承受的無載循環操作次數,接觸器的電壽命是指在標準使用狀態下,無需修理或者更換零件的帶載操作次數。
在無其他規定的條件下,接觸器AC-3使用類別的電壽命次數應當不少于相應機械壽命次數的1/20。
控制電路參數
吸合線圈額定電壓:接觸器正常工作時線圈上所加的電壓值。
交流接觸器工作時線圈上所加的電壓經常與主電路電壓一致,但也可能不一致,有時還可能采用直流電源。這要由現場條件和設計決定。交流接觸器線圈加載的電壓是標準值,見表2。
表2 交流接觸器線圈加載的電壓標準數據

交流接觸器的選用
交流接觸器選用有7個原則,如下:
1、選擇接觸器的極數。
2、選擇主電路的參數,包括額定工作電壓,額定工作電流,額定通斷能力和耐受過載能力等。
3、選擇合適的控制電路參數。
4、選擇合適的電壽命和使用類別。
5、對于電動機用接觸器,要根據電動機運行的情況來分別考慮。
對于單向運行的電動機,例如風機、水泵類負載,可按AC-3類別來選用交流接觸器;對于可逆的電動機,其反向運轉、點動和反接制動時接通電流可達8倍額定電流以上,因此要按AC-4類別來選用交流接觸器。當電動機的功率不大于630kW時,接觸器應當能承受8倍額定電流至少運行10s。
選擇電動機回路使用的交流接觸器額定電流,有一個經驗公式Ie=(PM×103)/(K×UN),公式中,PM為電動機的功率,單位是kW;UN為的額定電壓;Ie為交流接觸器的額定電流;K為經驗系數,一般取值為1-1.4。
對于一般的電動機,工作電流均小于額定電流,雖然電動機的起動電流可達額定電流的4-8.4倍,但是時間短,對接觸器主觸頭的燒蝕作用不大,所以選擇交流接觸器額定電流的K系數為1.25即可。
例如電動機的功率為30kW,由式Ie=(PM×103)/(K×UN),有Ie=(30×1000)/(1.25×380)≈63.2A,故取交流接觸器的額定電流為63A。
需要指出的是:接觸器的額定通斷能力應當高于通斷時電路中可能出現的電流值,而接觸器耐受過載電流的能力則應當高于電路中可能出現的過載電流值。由于電路中這些數據均可以通過使用類別和工作制來確定,因此按使用類別和工作制來選用接觸器是合理的。這也是用接觸器生產廠家給出的接觸器選用表格的依據。繞線轉子異步電動機接通電流及分斷電流都是2.5倍額定電流,可選用使用類別為AC-2的交流接觸器。
6、電熱設備選用交流接觸器的原則:可按AC-1使用類別來選取,選用接觸器時使得接觸器的額定電流大于或等于1.2倍電熱裝置的額定電流即可。
7、切換電容器接觸器的選用原則:因為電容器的充電電流可達1.43倍額定電流,因此選用切換電容器接觸器時要按1.5倍電容器額定電流來考慮。
交流接觸器與電動機的實物接線
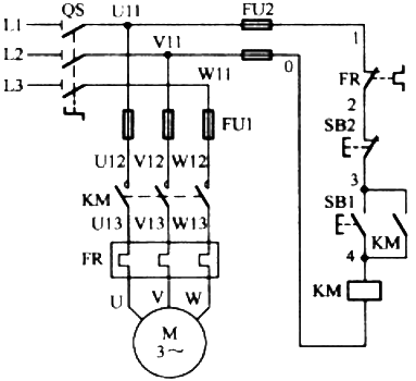
1、三相異步電動機控制線路實物連接示意圖


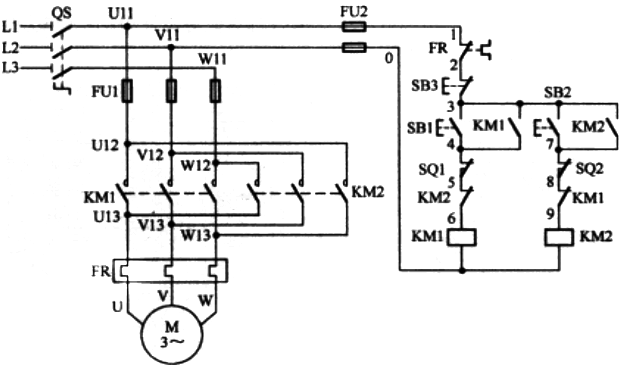
2、電動機正反轉控制+限位控制實物接線圖


接觸器知識問答
1、接觸器A1、A2的功能?
答:交流接觸器是由線圈吸合引導觸點開閉合,觸點閉合同時才能使電源接通,進線端了L1、L2、L3和對應的出線端T1、T2、T3相通。A1和A2是接觸器線圈電源接口,是控制線圈動作的根源。
2、接觸器線圈電壓應該怎么選擇?
答:交流接觸器線圈電壓可以根據控制接觸器開閉合上一級控制器輸出電壓來選擇。例如:控制接觸器的上一級控制器是220V,那么選擇線圈為220V根據實際情況而定接觸器線圈電壓。A1和A2是接觸器線圈電源接口,如果是220V,則A1和A2分別接入一火線一零線,如果是380V則接入兩根火線。
3、接觸器上**10和**01有什么區別?
答:10表示接觸器有一對常開輔助觸點;01表示接觸器有一對常閉輔助觸點;11表示接觸器有一對常開輔助觸點和一對常閉輔助觸點。
接觸器相關閱讀
教你區分中間繼電器和接觸器
電機與配套的斷路器/接觸器/熱繼電器參數對照表
如何提升繼電器和接觸器接點或觸頭的切斷能力
