低壓電動機回路可以選擇什么類型的斷路器

2023/7/2 0:04:56 人評論 次瀏覽 分類:電工基礎  文章地址:http://www.gzmengda.com/tech/5012.html

GB50055-2011通用用電設備配電設計規范中電動機保護章節2.3.1要求:交流電動機應裝設短路保護和接地故障的保護。條文解釋部分強調短路故障和接地故障的保護是交流電動機必須設置的保護,所以2.3.1條款為強制性條文。

低壓斷路器和熔斷器都可以實現短路保護和接地故障保護(TN-S系統)。對于電動機回路,有哪些類型的斷路器可以選擇呢?這些是我們接下來討論的重點。


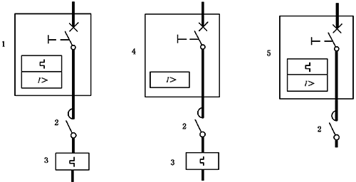
其實,在GB14048.4-2020第4-1部分:接觸器和電動機起動器(含電動機保護器)標準中,關于電動機起動回路短路保護、過載保護、控制元器件的組成比較明確。如圖1所示,可以劃分為三元器件方案、兩元器件方案以及一元器件方案(符合GB14048.9標準的CPS)。

三元器件方案、兩元器件方案以及一元器件
圖1 GB14048.4電動機控制與保護元器件方案


圖中元器件2為接觸器,元器件3為過載保護繼電器,而斷路器有三種可以選擇:

①斷路器1為符合GB14048.2標準具有過載和短路保護的斷路器,基本上是指配電保護型塑殼斷路器;
②斷路器4為符合GB14048.2標準僅有短路保護的斷路器,例如單磁塑殼斷路器、單磁微斷、瞬時保護斷路器等;
③斷路器5為符合GB14048.4標準過載保護特性的斷路器,也是我們常說的電動機保護型斷路器;

斷路器選擇

接下來,電力儀表以施耐德低壓斷路器為例,一一介紹這些斷路器的差異。


1、符合GB14048.2標準保護特性的斷路器

NSX塑殼斷路器按保護對象來區分,包括配電保護型和電動機保護型,按脫扣器類型來分,包括熱磁式、單磁式、電子式。

三元器件方案中斷路器1為配電保護型斷路器,在電動機回路中只是用作短路保護,因為電動機的過載保護已經有過載繼電器來保護,所以該斷路器可以選擇熱磁式或電子式的配電保護型斷路器,如NSX100m/160m TM熱磁式、NSX100~630 TM熱磁式、NSX MicroLogic 2/5/6電子式斷路器。


其中MicroLogic 5B電子式脫扣器的特點是:可以選擇性地關閉長延時保護或短延時保護或瞬時保護,以滿足特殊要求下的使用,例如要求過載不脫扣的消防回路。


需要特別注意的是iC65L的外形雖然和我們常見的家用微斷一樣,但是它的產品標準是GB14048.2,而家用微斷的標準是GB10963.1,其短路分斷能力15kA,額定電流范圍1A~63A,所以在滿足短路分斷能力和額定電流的前提下,iC65L熱磁式斷路器用在電動機保護回路用作短路保護毫無爭議。

熱磁式、電子式的配電保護型斷路器

2、符合GB14048.2標準僅有短路保護的斷路器

三元器件方案中斷路器4為只是具有短路保護的斷路器。從產品標準的角度出發,只具有磁脫扣或只具有瞬時保護的斷路器遵循GB14048.2標準附錄O 瞬時脫扣斷路器 ICB,與過載繼電器一起用于電動機回路。

符合GB14048.2標準僅有短路保護的斷路器

施耐德目前具有該功能的斷路器見上圖,其中:

①NSX100m/160m-MA的特點是:額定電壓380/415V時,短路分斷能力25/50/100kA可選,脫扣器額定電流從2A~115A,適用于0.25kW~55kW的電動機;

②NSX100/160/250-MA的特點是:額定電壓380/415V時短路分斷能力36/50/70/100/130kA可選,脫扣器額定電流從2.5A~220A,適用于0.37kW~110kW的電動機;



③NSX400/630-Mic 1.3M的特點是:額定電壓380/415V時短路分斷能力30/42/65/90/130kA可選,脫扣器額定電流從320A~500A,適用于132kW~250kW的電動機;


④GV2L/LE的特點是:額定電壓380/415V時短路分斷能力50/100kA,脫扣器額定電流為0.4A~32A,適用于0.09kW~15kW的電動機,體積小分斷能力高,在小電流功率段相對于NSX斷路器更適合于安裝在低壓抽屜柜的8E/4抽屜,目前都為進口產品;


⑤GV3L的特點是:額定電壓380/415V時短路分斷能力50/100kA,脫扣器額定電流為25A~80A,適用于11kW~45kW的電動機,體積小分斷能力高,在小電流功率段相對于NSX斷路器更適合于安裝在低壓抽屜柜的8E/4抽屜,目前都為進口產品;


⑥GV4LE/L的特點是:額定電壓380/415V時短路分斷能力25/50/100kA,脫扣器額定電流為25A~80A,適用于0.25kW~55kW的電動機,目前都為進口產品;


⑦iC60/65MA的特點是: 前者額定電壓380/415V時短路分斷能力25/50/100kA,脫扣器額定電流為1.6A~40A,適用于0.55kW~18.5kW的電動機,目前為進口產品;后者額定電壓380/415V時短路分斷能力15/20kA,脫扣器額定電流為1.6A~63A,適用于0.55kW~30kW的電動機,目前為國產產品,體積小,可用于供電末端的電動機回路;


昌暉儀表用一張圖表把上述斷路器適用的的功率段羅列如下,方便大家選型。

斷路器適用的的功率段

單磁斷路器與接觸器、過載保護器組成的三元器件方案用于電動機回路非常常見。例如供電連續性高的場合要求熱繼電器跳閘后能自復位運行(熱繼電器具有自復位功能)。還比如GB55024-2022建筑電氣與智能化通用規范中對于消防泵回路要求過載報警不跳閘,會采用單磁斷路器+接觸器+熱繼電器的組合,熱繼電器的常閉點不再接入接觸器線圈控制回路,其常開觸點可以接入報警回路;有的電動機回路不僅僅要求過載保護,還要求堵轉保護、相不平衡保護、PTC熱保護等,此時需要用到馬保,單磁斷路器與接觸器、馬保組成了電動機保護三元器件。


3、符合GB14048.4標準過載保護特性的斷路器

符合GB14048.4標準過載保護特性的斷路器通常與接觸器組成電動機保護的兩元器件組合,該類型斷路器的過載保護特性與熱繼電器一致,適用于為電動機提供過載保護,所以無需額外配置熱繼電器。

符合GB14048.4標準過載保護特性的斷路器

施耐德常用的具有過載和短路保護的電動機保護斷路器如上圖,它們的主要特點如下:

①NSX100/160/250/400/630-Mic 2.2/2.3M/6E-M的特點是:額定電壓380/415V時短路分斷能力36/50/70/100/130kA可選,脫扣器額定電流從25A~500A,適用于7.5kW~300kW的電動機;

②GV2ME/PM的特點是:額定電壓380/415V時短路分斷能力15~100kA,脫扣器額定電流為0.1A~32A,適用于0.06kW~15kW的電動機,體積小分斷能力高,在小電流功率段相對于NSX斷路器更適合于安裝在低壓抽屜柜的8E/4抽屜,目前為國產產品;


③GV3P的特點是:額定電壓380/415V時短路分斷能力50/100kA,脫扣器額定電流為9A~80A,適用于5.5kW~45kW的電動機,體積小分斷能力高,在小電流功率段相對于NSX斷路器更適合于安裝在低壓抽屜柜的8E/4抽屜,目前都為進口產品;


④GV4PE/P的特點是:額定電壓380/415V時短路分斷能力25/50/100kA,脫扣器額定電流為25A~80A,適用于0.25kW~55kW的電動機,目前都為進口產品;


匯總上述斷路器對應的功率段如下圖:

斷路器對應的功率段

4、總結

電動機回路的元器件可以配置三元器件組合或兩元器件組合,即:瞬時保護或單磁斷路器+接觸器+過載繼電器,具備過載和短路保護的配電保護斷路器+接觸器+過載繼電器,具備過載和短路保護的電動機斷路器+接觸器。

為電動機回路提供短路保護的斷路器,可以是只有磁保護或瞬時保護的斷路器(例如GV2L或NSX Mic 1.3M等),也可以是熱磁式或電子式電動機保護斷路器(如GV2P或NSX Mic 2.2M等),還可以是配電保護型斷路器(如iC65L或NSX TMD等)。


GB14048.4-2020版本相對于之前的2010版,最大的變化是把符合GB14048.2標準具備過載和短路保護的配電保護斷路器選作電動機的短路保護元器件,所以只要是符合GB14048.2的斷路器,無論是單磁還是熱磁式或電子式,無論是塑殼斷路器還是微型斷路器,在一定條件下,都可以在電動機回路用作短路保護。

相關閱讀
教你區分中間繼電器和接觸器
教你學會接觸器電流計算及交流接觸器的選用

共有訪客發表了評論 網友評論

  客戶姓名:
郵箱或QQ:
驗證碼: 看不清楚?