全新的銀合金觸頭是白亮的(如圖左),和你戴在手上的銀手鐲一樣閃閃發亮,但是接觸器不同于裝飾品,它屬于控制元器件,一生中什么臟活累活都需要干,需要頻繁接通、分斷負載幾十萬次到上百萬次,直到生命終結(銀層消耗完甚至粘連)。

接通和分斷電流時產生的電弧,會在觸頭上留下粗糙不平和黑色的痕跡(如上圖右),以至于有的客戶看到觸頭燒蝕變黑就認為產品不正常,用萬用表歐姆檔測量接觸電阻成了現場判斷產品好壞最簡單、最直接的方式,但萬用表測量觸頭接觸電阻往往會造成誤判,尤其是測量使用過的產品,原因很簡單,萬用表的輸出電壓和電流很低,大概只有3V~5V/3mA~5mA,使用過的產品的觸頭表面或多或少由于氧化、硫化、粉塵污染等原因形成的膜電阻(如下圖)。

低電壓和低電流不足以擊穿膜電阻,導致測量值無窮大或者幾百上千Ω,但實際產品控制電動機等負載時不受影響,所以測量設備和測量方法對觸頭接觸電阻測量有巨大的影響。
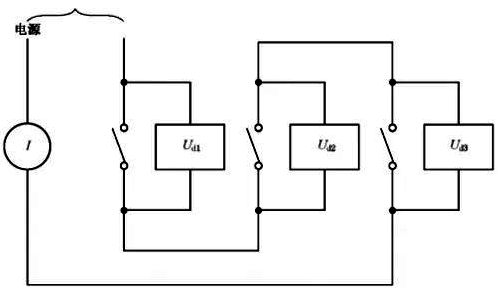
對于全新產品接觸電阻的測量,國家標準GB14048.4定義的很清晰,需要采用壓降法測量,即三極主觸頭串聯,回路里通接觸器的約定發熱電流Ith,再測量每極主觸頭兩端的壓降,用壓降除以回路電流,就可以得出觸頭的接觸電阻,新觸頭的接觸電阻一般為幾mΩ到十幾mΩ,測量電路如下圖。

測量回路所通的接觸器約定發熱電流Ith不等于其額定電流Ie。額定電流一般與使用類別有關,使用類別可以理解為為接觸器帶不同負載類型在不同工況下的分類,例常見的控制電加熱等阻性負載的AC-1使用類別,控制鼠籠式電動機直接啟動的AC-3使用類別。

以施耐德LC1D09M7C接觸器為例,其控制阻性負載時的電流能力為25A(380V),控制鼠籠式電動機直接起動的能力9A,而約定發熱電流Ith為25A。LC1D09M7C接觸器約定發熱電流雖然與其AC-1電流值相等,但意義完全不同。約定發熱電流Ith通常用于驗證接觸器主回路的溫升,可以理解為最大的承載電流能力,所以產品標準里也用它來作為測量接觸電阻的電流基準,而不同使用類別下對應的額定電流Ie更多用于考核其接通、分斷能力的電流基準。

如果是在最終用戶現場,只要接觸器所帶的負載處于運行狀態,用萬用表也是可以測量接觸器主回路的接觸電阻,方法和GB14048.4推薦的方法一樣,用萬用表電壓檔測量某一相觸頭的進線端子和出線端子之間的壓降,再用壓降值除以回路電流,也是可以測量接觸電阻,比直接用萬用表歐姆檔測量的阻值更準確、更具有實際意義。
相關閱讀
◆怎樣認識和理解繼電器的觸點
◆用RC消火花電路消除繼電器觸點動作時產生的火花
