繼保自動化常用原理圖

2024/12/22 15:06:08 人評論 次瀏覽 分類:電工基礎  文章地址:http://www.gzmengda.com/tech/5911.html

本文整理了繼保自動化常用斷路器遙控分合閘、短路器手動分合閘、保護合閘、保護跳閘、信號開入、隔離開關遙控回路、主編非電量跳閘、母差和失靈回路、雙母線隔離開關閉鎖及其倒母回路、500kV線路主變回路簡易圖、隔離開關控制原理圖,供大家參考學習。

1、斷路器遙控分合閘


斷路器遙控分合閘

2、斷路器手動分合閘


斷路器手動分合閘

3、保護合閘


保護合閘

4、保護跳閘遠方/就地分合斷路器


保護跳閘遠方/就地分合斷路器

遠方/就地分合斷路器


5、信號開入


信號開入

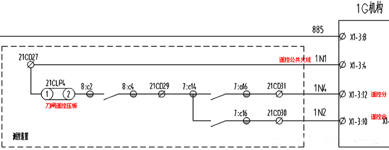
6、隔離開關遙控回路


隔離開關遙控回路

7、主變非電量跳閘原理

主變非電量跳閘原理

主變非電量跳閘原理2

主變非電量跳閘原理3

主變瓦斯繼電器動作啟動CJ11繼電器,CJ11繼電器動作啟動ACJ繼電器,ACJ繼電器節點動作出口跳主變各側斷路器。

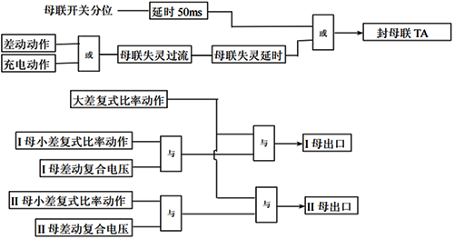
8、母差和失靈回路


母差和失靈回路





母差失靈重跳回路圖

主變失靈回路圖(主變保護動作直接三跳)

母聯失靈保護、死區故障保護實現邏輯框圖
 
A、母線保護電壓閉鎖包括:低電壓、負序電壓、零序電壓。

B、母聯開關位置對母聯失靈保護、死區故障保護非常重要,現場需要接入DL的常開接點(或 HWJ)和常閉接點(TWJ)同時引入裝置,對分相斷路器,要求將三相常開接點并聯(任意一相合位即為合位),將三相常閉接點串聯(三相分開才能是分位)引入裝置。
C、母線互聯互聯:即指兩段母線經兩把刀閘雙跨,在倒母時一定要投入互聯壓板,如果不投入互聯,一條母線故障,母差保護只動作于故障母線,非故障母線不會動作,但兩條母線仍通過刀閘連接。
D、主變失靈:主變動作需要啟動失靈開入、解失靈復壓給母差保護,母差保護判斷正序、負序、零序過流后動作。主變失靈聯跳節點開入至主變非電流操作箱(作用是聯跳三側)
E、線路失靈:線路動作需要啟動失靈開入給母差保護,母差保護判斷A\B\C相過流后動作。

9、雙母線隔離開關閉鎖及其倒母回路


雙母線隔離開關閉鎖及其倒母回路

A、倒母:倒母的條件是母聯斷路器在合位、母聯斷路器兩側隔離開關在合位,1QSF、2QSF任意一把隔離開關在合位,可對其另外一把隔離開關進行分合。

B、隔離開關閉鎖條件:隔離開關能分合必須要母線上地刀分開,本間隔地刀分開。

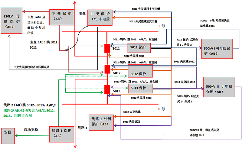
10、500kV線路主變回路簡易圖


500kV線路主變回路簡易圖

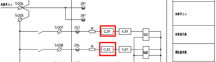
11、隔離開關控制原理圖


隔離開關控制原理圖

相關閱讀
電工必讀的30個高壓電氣二次回路圖
掌握這30個電工實用電路,其他電路一觸即通
如何繪制電氣原理圖、電器元件布置圖、電氣安裝接線圖和二次電路圖


共有訪客發表了評論 網友評論

  客戶姓名:
郵箱或QQ:
驗證碼: 看不清楚?